Xilinx Spartan6 LX150T开发方案 - PLD开发板 -
Avnet公司的Xilinx Spartan-6 LX150T开发套件是采用Xilinx公司的XC6SLX150T-3FGG676器件,它的串行吉比特收发器接口(GTP)能连接到片上PCI Express® x1硬宏元或PCI Express x4软宏元,一个SFP连接器和一个SATA主接口。系统板包括DDR3,SDRAM,闪存,10/100/1000以太网PHY和串行口,其它特性还包括USB端口。
可编LVDS时钟,用户开关和LED,还提供两个FMC LPC扩展槽和总数136个高速单端和差分用户I/O.本文介绍了Xilinx Spartan-6 FPGA主要特性和系列产品,几种应用框图以及Xilinx Spartan-6 LX150T开发板主要特性,框图,电路图和材料清单。
Spartan®-6 LX FPGAs are opTImized for applicaTIons that require the absolute lowest cost. Now with up to 42% less power consumpTIon and a 12% increase in performance enabled by ISE® Design Suite, they provide up to 150K logic cells, integrated PCI Express® blocks, advanced memory support, 250MHz DSP slices, and 3.2Gbps low-power transceivers.
Spartan 6 LX150T Development Board
The Spartan-6 family provides leading system integraTIon capabilities with the lowest total cost for high-volume applications. The thirteen-member family delivers expanded densities ranging from 3,840 to 147,443 logic cells, with half the power consumption of previous Spartan families, and faster, more comprehensive connectivity. Built on a mature 45 nm low-power copper process technology that delivers the optimal balance of cost, power, and performance, the Spartan-6 family offers a new, more efficient, dual-register 6-input lookup table (LUT) logic and a rich selection of built-in system-level blocks. These include 18 Kb (2 x 9 Kb) block RAMs, second generation DSP48A1 slices, SDRAM memory controllers, enhanced mixed-mode clock management blocks, SelectIO?technology, poweroptimized high-speed serial transceiver blocks, PCI Express?compatible Endpoint blocks, advanced system-level power management modes, auto-detect configuration options, and enhanced IP security with AES and Device DNA protection. These features provide a lowcost programmable alternative to custom ASIC products with unprecedented ease of use. Spartan-6 FPGAs offer the best solution for high-volume logic designs, consumer-oriented DSP designs, and cost-sensitive embedded applications. Spartan-6 FPGAs are the programmable silicon foundation for Targeted Design Platforms that deliver integrated software and hardware components that enable designers to focus on innovation as soon as their development cycle begins.
Spartan-6 FPGA主要特性:
Spartan-6 Family:
Spartan-6 LX FPGA: Logic optimized
Spartan-6 LXT FPGA: High-speed serial connectivity
Designed for low cost
Multiple efficient integrated blocks
Optimized selection of I/O standards
Staggered pads
High-volume plastic wire-bonded packages
Low static and dynamic power
45 nm process optimized for cost and low power
Hibernate power-down mode for zero power
Suspend mode maintains state and configuration with multi-pin wake-up, control enhancement
Lower-power 1.0V core voltage (LX FPGAs, -1L only)
High performance 1.2V core voltage (LX and LXT
FPGAs, -2, -3, and -3N speed grades)
Multi-voltage, multi-standard SelectIO?interface banks
Up to 1,080 Mb/s data transfer rate per differential I/O
Selectable output drive, up to 24 mA per pin
3.3V to 1.2V I/O standards and protocols
Low-cost HSTL and SSTL memory interfaces
Hot swap compliance
Adjustable I/O slew rates to improve signal integrity
High-speed GTP serial transceivers in the LXT FPGAs
Up to 3.2 Gb/s
High-speed interfaces including: Serial ATA, Aurora,
1G Ethernet, PCI Express, OBSAI, CPRI, EPON, GPON, DisplayPort, and XAUI
Integrated Endpoint block for PCI Express designs (LXT)
Low-cost PCI?technology support compatible with the
33 MHz, 32- and 64-bit specification.
Efficient DSP48A1 slices
High-performance arithmetic and signal processing
Fast 18 x 18 multiplier and 48-bit accumulator
Pipelining and cascading capability
Pre-adder to assist filter applications
Integrated Memory Controller blocks
DDR, DDR2, DDR3, and LPDDR support
Data rates up to 800 Mb/s (12.8 Gb/s peak bandwidth)
Multi-port bus structure with independent FIFO to reduce design timing issues
Abundant logic resources with increased logic capacity
Optional shift register or distributed RAM support
Efficient 6-input LUTs improve performance and minimize power
LUT with dual flip-flops for pipeline centric applications
Block RAM with a wide range of granularity
Fast block RAM with byte write enable
18 Kb blocks that can be optionally programmed as two independent 9 Kb block RAMs
Clock Management Tile (CMT) for enhanced performance
Low noise, flexible clocking
Digital Clock Managers (DCMs) eliminate clock skew and duty cycle distortion
Phase-Locked Loops (PLLs) for low-jitter clocking
Frequency synthesis with simultaneous multiplication, division, and phase shifting
Sixteen low-skew global clock networks
Simplified configuration, supports low-cost standards
2-pin auto-detect configuration
Broad third-party SPI (up to x4) and NOR flash support
Feature rich Xilinx Platform Flash with JTAG
MultiBoot support for remote upgrade with multiple bitstreams, using watchdog protection
Enhanced security for design protection
Unique Device DNA identifier for design authentication
AES bitstream encryption in the larger devices
Faster embedded processing with enhanced, low cost, MicroBlaze?soft processor
Industry-leading IP and reference designs
Spartan- 6 FPGA系列产品:


图1.Spartan- 6 FPGA系列汽车娱乐框图

图2.Spartan- 6 FPGA系列平板显示器框图

图3.Spartan- 6 FPGA系列视频监视框图
Xilinx Spartan-6 LX150T开发板
The Xilinx Spartan-6 LX150T Development Kit provides a complete development platform for designing and verifying applications based on the Xilinx Spartan-6 LXT FPGA family. Available with the Spartan-6 LX150T, the kit enables designers to prototype high-performance designs with ease, while providing expandability and customization through the dual FMC LPC expansion slots.
The Spartan-6 LX150T system board is available with the LX150T device (XC6SLX150T-3FGG676)。 Serial gigabit transceiver interface (GTPs) provide connection to the on-chip PCI Express® x1 hard macro or a PCI Express x4 soft macro, one SFP connector, and a SATA Host interface. The system board includes DDR3 SDRAM, Flash memory, a 10/100/1000 Ethernet PHYs, and a serial port. Other board features include a USB port, a programmable LVDS clock, user switches, and LEDs. The board also provides two FMC LPC expansion slots, providing a total of 136 high-speed, single-ended and differential user I/O. FMC modules can be easily added to the board for additional application specific functions.
Xilinx Spartan-6 LX150T开发板主要特性:
FPGA
— Xilinx Spartan-6 XC6SLX150T-3FGG676C FPGA
I/O Connectors
— Two FMC LPC general-purpose I/O expansion connectors
— One SD card connector
— Avnet LCD Interface (ALI) connector
RocketIO™ GTP Transceiver Connectors
— One Small-Form Pluggable (SFP) cage
— Two transceivers supplied on an FMC connectors for use by an expansion module
— One PCI Express add-in card interface (4 lanes @ 2.5 Gbps)
— One SATA host connector
Memory
— 128 MB DDR3 SDRAM components
— 32 MB FLASH
Communication
— RS-232 serial port
— USB 2.0
— USB-RS232 Port
— 10/100/1000 Ethernet port
Power
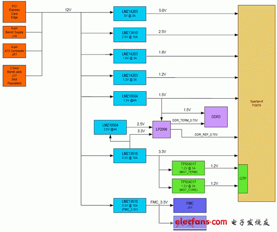
— Regulated 5.0, 3.3, 2.5, 1.8, 1.5 and 1.2 V supply voltages derived from the PCI Express slot or an external 12 V supply
— SSTL2 Termination Regulators
— Point of Load Regulators for MGT supply rails
Configuration
— XCF32 and XCF08 Platform Flash Configuration Flash
— Xilinx Parallel Cable IV or Platform USB Cable support for JTAG Programming/Configuration

图4.Xilinx Spartan-6 LX150T开发板外形图
Xilinx Spartan-6 LX150T开发板包括:
Xilinx Spartan-6 LX150T development board
12 V power supply
One license voucher for ISE® Design Suite: Logic Edition license (device-locked to Xilinx Spartan-6 LX150T FPGA)
Getting Started Guide
Downloadable documentation and reference design

图5.Xilinx Spartan-6 LX150T开发板框图

图6.Xilinx Spartan-6 LX150T开发板电源框图

图7.Xilinx Spartan-6 LX150T开发板跨接器,插座和连接器分布图
详情请见:
http://www.xilinx.com/support/documentation/data_sheets/ds160.pdf
https://www.em.avnet.com/Support%20And%20Downloads/xlx_s6_lx150t_dev-ug_rev1.2_120210.pdf
https://www.em.avnet.com/Support%20And%20Downloads/xlx_s6_lx150t_dev-sch-revd090810.pdf
查看评论 回复









