基于Altera FPGA的彩屏控制器的设计和实现 - FPGA/ASIC技术 -
触摸屏技术方便了人们对计算机的操作使用,是一种极具发展前途的交互式输入技术,受到各国的普遍重视,并投入大量的人力、物力对其进行研发,使得新型触摸屏不断涌现[1]。特别是四线电阻式触摸屏具有制造工艺简单、成本低廉、使用方便等特点,已经被广泛应用于不同的电子设备[2]。
随着嵌入式技术的高速发展,尤其是CPLD/FPGA的出现,其基于SoPC技术的IP核的使用给开发人员带来了诸多方便。但在SoPC中并没有彩色触摸屏的IP核,因此需要自己编写硬件的时序控制[3]。本文提出一种基于FPGA的彩色触摸屏控制器的设计方案,通过单片FPGA芯片可以实现彩色触摸屏的驱动逻辑,从而实现硬件上时序控制,在此控制器的基础上可以进一步开发彩色触摸屏的IP核。
1 彩色触摸屏控制器的设计
1.1 总体结构及其工作原理
彩色触摸屏控制器的总体结构如图1所示。

该彩色触摸屏的控制器主要由TFT-LCD控制器和ADS7843芯片控制器两部分组成。由图1可以看出,TFT-LCD控制器的作用是将图像数据采集后,通过SDRAM进行缓冲,然后将图像数据输出给TFT-LCD。它的主要功能是完成图像数据的采集和缓冲、TFT-LCD的时序控制及最终数据在TFT-LCD上的显示。
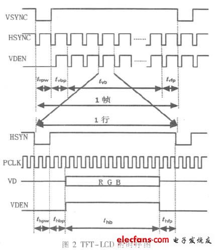
1.2 TFT-LCD控制器的设计
图像数据经采集和缓冲之后,通过TFT-LCD的时序控制可以将数据按如图2所示时序图进行输出。本设计中采用的TFT-LCD的分辨率为480&TImes;272,其RGB数据位均为8 bit,可以显示16 777 216种颜色。其中,PCLK为LCD像素时钟信号,HSYNC为行同步信号,VSYNC为帧同步信号,VDEN为数据使能信号,VD[23:0]为LCD像素数据输出端口,tvpw、tvp、tvbp、tvfp分别为垂直同步脉冲、垂直扫描时间、垂直后回归、垂直前回归,thpw、thp、thbp、thfp分别为水平同步脉冲、水平扫描时间、水平后回归、水平前回归[4]。

查看评论 回复









