基于MIC3263设计的六路LED驱动技术 - 模拟电源 -
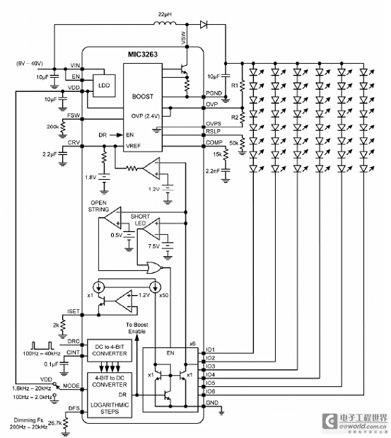
MIC3263是Micrel公司的六路白光LED(WLED)驱动器,采用高效的PWM升压开关技术,最适合用于恒流WLED背光驱动.每路电流的匹配在±3%,电流在15mA到30mA可编程.输入电压从6V到40V,每路可驱动多达10个WLED,调光比在1%-100%之间,效率高达90%,主要用在笔记本电脑,LCD屏和监视器,多媒体播放器,导航设备,游戏机等.本文介绍MIC3263主要特性,功能方框图,典型应用电路以及MIC3263评估板电路图和材料清单(BOM).
白光LED的PWM驱动:http://www.elecfans.com/soft/70/2010/2010021168002.html
MIC3263; Six-Channel WLED Driver for Backlighting Applications with Flicker-Free Dimming
The MIC3263 is a high-efficiency Pulse Width Modulation (PWM) boost switching regulator that is optimized for constant-current WLED driver backlighting applications. The MIC3263 drives six channels of up to ten WLEDs per channel. Each channel is matched in current to within ±3% for constant brightness across the screen and can be programmed from 15mA to 30mA.
The MIC3263 provides a very flexible dimming control scheme with better accuracy and noise immunity. The dimming frequency can be set to any value between 100Hz and 20kHz by an external resistor. The dimming ratio is determined by the duty cycle of a dimming ratio control input signal and can be set to one of 16 levels with a minimum ratio of 1%.The LED dimming current is set by an external resistor to allow programming of LED current between 15mA and 30mA.
The dimming ratio of the MIC3263 is fixed to 16 log levels to better match the sensitivity of the human eye. Each of the dimming levels has hysteresis to avoid skipping between levels and allow for high noise immunity. The MIC3263 has a programmable PWM switching frequency from 400 KHz to 1.8 MHz to allow small inductor sizes. The 6V to 40V wide input voltage range of MIC3263 allows direct operation from 6V or high cell count Li-Ion batteries commonly found in notebook computers. The MIC3263 is available in a low-profile 24-pin 4mm x 4mm MLF package and has a junction temperature range of –40℃ to -125℃.
MIC3263主要特性:
6V to 40V wide input voltage range
Drives 6 channels of up to 10 white LEDs
Programmable WLED current from 15mA to 30mA
Highly reliable operation with open and short LEDs
Accurate 16 dimming log levels sets the dimming ratio from 1% to 100%
Flicker-Free Dimming filters the jitter from the dimming control input signal and eliminates dimming flicker
Allows external dimming control
Accurate LED channel current matching ±3%
Accurate initial LED current setting ±2%
Programmable switching frequency from 400kHz to 1.8MHz
High efficiency up to 90%
Low (<40A) shutdown current over temperature
Over temperature protection
Programmable over-voltage protection
–40℃ to -125℃ junction temperature range
Available in 24-pin 4mm x 4mm MLF package
MIC3263应用:
White LED driver for backlighting
Notebooks
LCD Panels and Monitors
Multimedia players
Navigation equipment
Gaming systems
Video poker
Slot machines
图1.MIC3263功能方框图
图2.MIC3263典型应用电路
图3.MIC3263评估板电路图
MIC3263评估板材料清单(BOM):
查看评论 回复









