#CS8424#
基于CS8422的24位多格式立体声数字音频接收技术 -
[导读]CS8422是24位高性能多格式数字音频接收器,接口标准包括EIAJ CP1201, IEC-60958, AES3和S/PDIF,串行音频输出可设定为24/20/18/16位字长,数据输入可高达24位长.输入和输出数据可以和外接时钟是异步或同步,动态范围140d
24-bit, 192-kHz, Asynchronous Sample Rate Converter with Integrated Digital Audio Interface Receive
r The CS8422 is a 24-bit, high-performance, monolithic CMOS stereo asynchronous sample rate converter with an integrated digital audio interface receiver that decodes audio data according to the EIAJ CP1201, IEC-60958, AES3, and S/PDIF interface standards.
Audio data is input through the digital interface receiver or a 3-wire serial audio input port. Audio is output through one of two 3-wire serial audio output ports. Serial audio data outputs can be set to 24, 20, 18, or 16-bit word-lengths. Data into the digital interface receiver and serial audio input port can be up to 24-bits long. Input and output data can be completely asynchronous, synchronous to an external clock through XTI, or synchronous to the recovered master clock.
The CS8422 can be controlled through the control port in Software Mode or in a Stand-Alone Hardware Mode. In Software Mode, the user can control the device through an SPI or I²C control port.
Target applications include digital recording systems (DVD-R/RW, CD-R/RW, PVR, DAT, MD, and VTR), digital mixing consoles, high-quality D/A, effects processors, computer audio systems, and automotive audio systems.
The CS8422 is available in a space-saving QFN package in both Commercial (-40℃ to +85℃) and Automotive (-40℃ to +105℃) grades. The CDB4822 is also available for device evaluation and implementation suggestions.
CS8422主要特性:
Sample Rate Converter Features
140 dB Dynamic Range
-120 dB THD+N
No External Master Clock Required
Supports Sample Rates up to 211 kHz
Input/Output Sample Rate Ratios from 6:1 to 1:6
Master Mode Master Clock/Sample Rate Ratio Support: 64, 96, 128, 192, 256, 384, 512, 768, 1024
16, 18, 20, or 24-bit Data I/O
Dither Automatically Applied and Scaled to Output Resolution
Multiple Device Outputs are Phase Matched
Digital Audio Interface Receiver Features
Complete EIAJ CP1201, IEC-60958, AES3, S/PDIF Compatible Receiver
28 kHz to 216 kHz Sample Rate Range
2:1 Differential AES3 or 4:1 S/PDIF Input Mux
De-emphasis Filtering for 32 kHz, 44.1 kHz, and 48 kHz
Recovered Master Clock Output: 64 x Fs, 96 x Fs, 128 x Fs, 192 x Fs, 256 x Fs,384 x Fs, 512 x Fs, 768 x Fs, 1024 x Fs
49.152 MHz Maximum Recovered Master Clock Frequency
Ultralow-jitter Clock Recovery
High Input Jitter Tolerance
No External PLL Filter Components Required
Selectable and Automatic Clock Switching
AES3 Direct Output and AES3 TX Passthrough
On-chip Channel Status Data Buffering
Automatic Detection of Compressed Audio Streams
Decodes CD Q Sub-Code
System Features
SPI™ or I²C™ Software Mode and Stand-Alone Hardware Mode
Flexible 3-wire Digital Serial Audio Input Port
Dual Serial Audio Output Ports with Independently Selectable Data Paths
Master or Slave Mode Operation for all Serial Audio Ports
Time Division Multiplexing (TDM) Mode
Integrated Oscillator for use with External Crystal
Four General-purpose Output Pins (GPO)
+3.3 V Analog Supply (VA)
+1.8 V to 5.0 V Digital Interface (VL)
Space-saving 32-pin QFN Package
图1. CS8422方框图
图2.CS8422软件模式连接框图
图3.CS8422硬件模式连接框图
图4.CS8422硬件模式时钟路径图
CS8422评估板CDB8422
Using the CDB8422 evaluation board is an ideal way to evaluate the CS8422. Use of the board requires a digital signal source, an analyzer, and a power supply. A Windows PC-compatible computer is also required if using software mode to configure the CDB8422.
S/PDIF and AES3/EBU input connections are made via RCA phono, optical, or XLR connectors to the CS8422. S/PDIF output connections are made via RCA phono or optical connectors from the CS8406 (S/PDIF Tx). System timing can be provided by a S/PDIF or AES3/EBU input signal, by the CS8422 with supplied master clock, or by an I/O stake header with a DSP connected.
The provided Windows-based software GUI makes configuring the CDB8422 easy. The software communicates through the PC’s USB port to configure the board so that all features of the CS8422 can be evaluated.
The board may also be configured without a PC connection by using hardware switches; however, not all configurations of the CDB8422 are possible in hardware mode.
CS8422评估板CDB8422主要特性:
IEC-60958, AES3/EBU, S/PDIF Inputs
– Single-Ended Inputs via Optical and RCA Input Jacks
– Differential Inputs via XLR Input Jack
S/PDIF Outputs
– Optical and RCA Output Jacks
– CS8406 Digital Audio Transmitter
I/O Stake Headers
– External Control Port Accessibility
– External Serial Audio I/O Accessibility
3.3 V Logic Interface
Powered by Single External Power Supply or PC USB Port Connection
H/W Control via DIP Switches
FlexGUI S/W Control - Windows® Compatible
– Pre-Defined & User-Configurable Scripts
图5.评估板CDB8422方框图
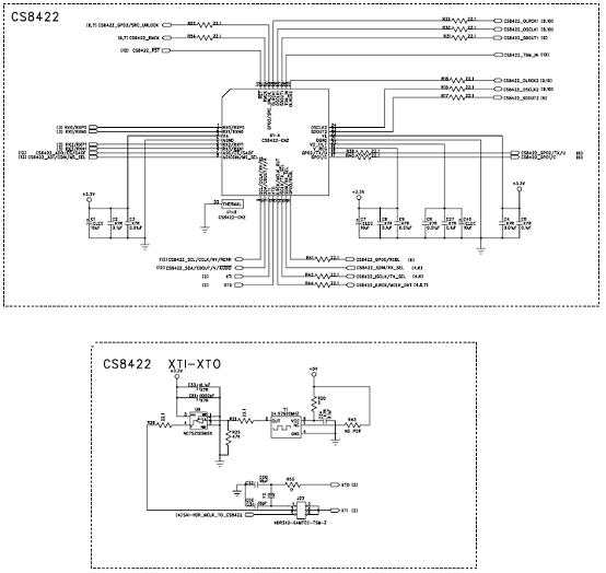
图6.评估板CDB8422电路图(1): CS8422 & XTI
图7.评估板CDB8422电路图(2): RF输入
图8.评估板CDB8422电路图(3):PCM输入插头
图9.评估板CDB8422电路图(4): HW模式控制
图9.评估板CDB8422电路图(5):FPGA
图10.评估板CDB8422电路图(6): MCLK指向
图11.评估板CDB8422电路图(7): 串行音频1输出插头
图12.评估板CDB8422电路图(8): 串行音频2输出插头
图13.评估板CDB8422电路图(9): TDM插头
图14.评估板CDB8422电路图(10): CS8406和辅助TX
图15.评估板CDB8422电路图(11): USB和MCU
图16.评估板CDB8422电路图(12): 电源
图17.评估板CDB8422元件布局图
查看评论 回复









