51单片机按键识别方法 -
[导读]
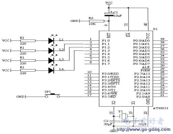
1.实验任务 每按下一次开关SP1,计数值加1,通过AT89S51单片机的P1端口的P1.0到P1.3显示出其的二进制计数值。2.电路原理图图4.8.13.系统板上硬件连线(1).把“单片机系统”区域中的P3.7/RD端口连
1.实验任务
每按下一次开关SP1,计数值加1,通过AT89S51单片机的P1端口的P1.0到P1.3显示出其的二进制计数值。
2.电路原理图
图4.8.1
3.系统板上硬件连线
(1).把“单片机系统”区域中的P3.7/RD端口连接到“独立式键盘”区域中的SP1端口上;
(2).把“单片机系统”区域中的P1.0-P1.4端口用8芯排线连接到“八路发光二极管指示模块”区域中的“L1-L8”端口上;要求,P1.0连接到L1,P1.1连接到L2,P1.2连接到L3,P1.3连接到L4上。
4.程序设计方法
(1).其实,作为一个按键从没有按下到按下以及释放是一个完整的过程,也就是说,当我们按下一个按键时,总希望某个命令只执行一次,而在按键按下的 过程中,不要有干扰进来,因为,在按下的过程中,一旦有干扰过来,可能造成误触发过程,这并不是我们所想要的。因此在按键按下的时候,要把我们手上的干扰信号以及按键的机械接触等干扰信号给滤除掉,
一般情况下,我们可以采用电容来滤除掉这些干扰信号,但实际上,会增加硬件成本及硬件电路的体积,这是我们不希望,总得有个办法解决这个问题,因此我们可以采用软件滤波的方法去除这些干扰信号,一般情况下,一个按键按下的时候,总是在按下的时刻存在着一定的干扰信号,按下之后就基本上进入了稳定的状态。具体的一个按键从按下到释放的全过程的信号图如左图所示:
从图中可以看出,我们在程序设计时,从按键被识别按下之后,延时5ms以上,从而避开了干扰信号区域,我们再来检测一次,看按键是否真得已经按下,若真得已经按下,这时肯定输出为低电平,若这时检测到的是高电平,证明刚才是由于干扰信号引起的误触发,CPU就认为是误触发信号而舍弃这次的按键识别过程。从而提高了系统的可靠性。
由于要求每按下一次,命令被执行一次,直到下一次再按下的时候,再执行一次命令,因此从按键被识别出来之后,我们就可以执行这次的命令,所以要有一个等待按键释放的过程,显然释放的过程,就是使其恢复成高电平状态。
(1).对于按键识别的指令,我们依然选择如下指令JB BIT,REL指令是用来检测BIT是否为高电平,若BIT=1,则程序转向REL处执行程序,否则就继续向下执行程序。或者是 JNB BIT,REL指令是用来检测BIT是否为低电平,若BIT=0,则程序转向REL处执行程序,否则就继续向下执行程序。
(2).但对程序设计过程中按键识别过程的框图如下图所示:
图4.8.3
5.程序框图
图4.8.4
6.汇编源程序
ORG 0
START: MOV R1,#00H ;初始化R7为0,表示从0开始计数
MOV A,R1 ;
CPL A ;取反指令
MOV P1,A ;送出P1端口由发光二极管显示
REL: JNB P3.7,REL ;判断SP1是否按下
LCALL DELAY10MS ;若按下,则延时10ms左右
JNB P3.7,REL ;再判断SP1是否真得按下
INC R7 ;若真得按下,则进行按键处理,使
MOV A,R7 ;计数内容加1,并送出P1端口由
CPL A ;发光二极管显示
MOV P1,A ;
JNB P3.7,$ ;等待SP1释放
SJMP REL ;继续对K1按键扫描
DELAY10MS: MOV R6,#20 ;延时10ms子程序
L1: MOV R7,#248
DJNZ R7,$
DJNZ R6,L1
RET
END
7.C语言源程序
#include
unsigned char count;
void delay10ms(void)
{
unsigned char i,j;
for(i=20;i>0;i--)
for(j=248;j>0;j--);
}
void main(void)
{
while(1)
{
if(P3_7==0)
{
delay10ms();
if(P3_7==0)
{
count++;
if(count==16)
{
count=0;
}
P1=~count;
while(P3_7==0);
}
}
}
}
查看评论 回复
"51单片机按键识别方法 -"的相关文章
- 上一篇:基于51单片机的广告灯设计 -
- 下一篇:基于51单片机的一键多功能识别技术 -









