基于MPC5125设计的开发评估方案 -
来源: 网络用户发布,如有版权联系网管删除 2018-09-07
[导读]MPC5125是集成了高性能e300 Power架构CPU核的32位MCU,工作频率高达400MHz,具有显示器接口单元(DIU),DDR1,DDR2,低功耗移动DDR(LPDDR)以及1.8V/3.3V格SDR DRAM存储器控制器,32KB SRAM,USB 2.0 OTG控制器等,主要用在现
本文引用地址: http://www.21ic.com/app/mcu/201006/59702.htm
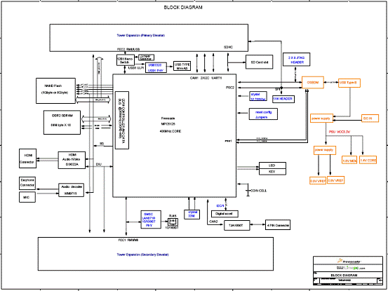
MPC5125是集成了高性能e300 Power架构CPU核的32位MCU,工作频率高达400MHz,具有显示器接口单元(DIU),DDR1,DDR2,低功耗移动DDR(LPDDR)以及1.8V/3.3V格SDR DRAM存储器控制器,32KB SRAM,USB 2.0 OTG控制器等,主要用在现场总线到以太网网关,机器人,路由器和转换器,高端照明,HVAC中央管理系统,智能医院和远程保健网关,POS终端等.本文介绍了MPC5125主要特性,方框图,以及评估板详细电路图.The MPC5125 integrates a high performance e300 CPU core based on the Power Architecture™ Technology with a rich set of peripheral functions focused on communications and systems integration.
MPC5125主要特性:
Major features of the MPC5125 are as follows:
• e300 Power Architecture processor core (enhanced version of the MPC603e core), operates as fast as 400 MHz
• Low power design
• Display interface unit (DIU)
• DDR1, DDR2, low-power mobile DDR (LPDDR), and 1.8 V/3.3 V SDR DRAM memory controllers
• 32 KB on-chip SRAM
• USB 2.0 OTG controller with ULPI interface
• DMA subsystem
• Flexible multi-function external memory bus (EMB) interface
• NAND flash controller (NFC)
• LocalPlus interface (LPC)
• 10/100Base Ethernet
• MMC/SD/SDIO card host controller (SDHC)
• Programmable serial controller (PSC)
• Inter-integrated circuit (I2C) communication interfaces
• Controller area network (CAN)
• J1850 byte data link controller (BDLC) interface
• On-chip real-time clock (RTC)
• On-chip temperature sensor
• IC Identification module (IIM)
MPC5125目标应用:
Fieldbus to Ethernet Gateways
Robotics
Industrial Networking Gateways (routers) and converters
High End Lighting Control
Fire & Alarm Supervisory Controllers
HVAC Central Management System
Digital Signage
Point of Sales Terminal
Hospital Bed Control
Smart Hospital and Tele-Health Gateways

图1.MPC5125方框图
The MPC5125 Tower System is based on Freescale’s MPC5125 microprocessor. The board provides on-board DDR2 SDRAM, NAND FLASH,CAN ports, USB 2.0, 10/100 Ethernet, HDMI,USB Debug Port.All powered from a 5 Volt wall mount power supply.
Freescale’s Tower System.

图2.MPC5125 Tower System外形图.

图3.MPC5125评估板电路图(1)

图4.MPC5125评估板电路图(2)

图5.MPC5125评估板电路图(3)

图6.MPC5125评估板电路图(4)

图7.MPC5125评估板电路图(5)

图8.MPC5125评估板电路图(6)

图9.MPC5125评估板电路图(7)

图10.MPC5125评估板电路图(8)

图11.MPC5125评估板电路图(9)

图12.MPC5125评估板电路图(10)

图13.MPC5125评估板电路图(11)

图14.MPC5125评估板电路图(12)

图15.MPC5125评估板电路图(13)

图16.MPC5125评估板电路图(14)

图17.MPC5125评估板电路图(15)

图18.MPC5125评估板电路图(16)
查看评论 回复









