ADC0809A/D转换芯片的原理及应用 -
[导读]ADC0809是带有8位A/D转换器、8路多路开关以及微处理机兼容的控制逻辑的CMOS组件。它是逐次逼近式A/D转换器,可以和单片机直接接口。(1)ADC0809的内部逻辑结构
由上图可知,ADC0809由一个8路模拟开关、一个地址锁存
ADC0809是带有8位A/D转换器、8路多路开关以及微处理机兼容的控制逻辑的CMOS组件。它是逐次逼近式A/D转换器,可以和单片机直接接口。
本文引用地址: http://www.21ic.com/app/mcu/201112/102759.htm
(1)ADC0809的内部逻辑结构

由上图可知,ADC0809由一个8路模拟开关、一个地址锁存与译码器、一个A/D转换器和一个三态输出锁存器组成。多路开关可选通8个模拟通道,允许8路模拟量分时输入,共用A/D转换器进行转换。三态输出锁器用于锁存A/D转换完的数字量,当OE端为高电平时,才可以从三态输出锁存器取走转换完的数据。
(2) 引脚结构

IN0-IN7:8条模拟量输入通道
ADC0809对输入模拟量要求:信号单极性,电压范围是0-5V,若信号太小,必须进行放大;输入的模拟量在转换过程中应该保持不变,如若模拟量变化太快,则需在输入前增加采样保持电路。
地址输入和控制线:4条
ALE为地址锁存允许输入线,高电平有效。当ALE线为高电平时,地址锁存与译码器将A,B,C三条地址线的地址信号进行锁存,经译码后被选中的通道的模拟量进转换器进行转换。A,B和C为地址输入线,用于选通IN0-IN7上的一路模拟量输入。通道选择表如下表所示。

数字量输出及控制线:11条
ST为转换启动信号。当ST上跳沿时,所有内部寄存器清零;下跳沿时,开始进行A/D转换;在转换期间,ST应保持低电平。EOC为转换结束信号。当EOC为高电平时,表明转换结束;否则,表明正在进行A/D转换。OE为输出允许信号,用于控制三条输出锁存器向单片机输出转换得到的数据。OE=1,输出转换得到的数据;OE=0,输出数据线呈高阻状态。D7-D0为数字量输出线。
CLK为时钟输入信号线。因ADC0809的内部没有时钟电路,所需时钟信号必须由外界提供,通常使用频率为500KHZ,
VREF(+),VREF(-)为参考电压输入。
2. ADC0809应用说明
(1). ADC0809内部带有输出锁存器,可以与AT89S51单片机直接相连。
(2). 初始化时,使ST和OE信号全为低电平。
(3). 送要转换的哪一通道的地址到A,B,C端口上。
(4). 在ST端给出一个至少有100ns宽的正脉冲信号。
(5). 是否转换完毕,我们根据EOC信号来判断。
(6). 当EOC变为高电平时,这时给OE为高电平,转换的数据就输出给单片机了。
3. 实验任务
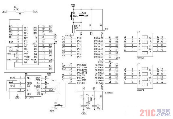
如下图所示,从ADC0809的通道IN3输入0-5V之间的模拟量,通过ADC0809转换成数字量在数码管上以十进制形成显示出来。ADC0809的VREF接+5V电压。
4. 电路原理图

6. 程序设计内容
(1). 进行A/D转换时,采用查询EOC的标志信号来检测A/D转换是否完毕,若完毕则把数据通过P0端口读入,经过数据处理之后在数码管上显示。
(2). 进行A/D转换之前,要启动转换的方法:
ABC=110选择第三通道
7. 汇编源程序
CH EQU 30H
DPCNT EQU 31H
DPBUF EQU 33H
GDATA EQU 32H
ST BIT P3.0
OE BIT P3.1
EOC BIT P3.2
ORG 00H
LJMP START
ORG 0BH
LJMP T0X
ORG 30H
START: MOV CH,#0BCH
MOV DPCNT,#00H
MOV R1,#DPCNT
MOV R7,#5
MOV A,#10
MOV R0,#DPBUF
LOP: MOV @R0,A
INC R0
DJNZ R7,LOP
MOV @R0,#00H
INC R0
MOV @R0,#00H
INC R0
MOV @R0,#00H
MOV TMOD,#01H
MOV TH0,#(65536-4000)/256
MOV TL0,#(65536-4000) MOD 256
SETB TR0
SETB ET0
SETB EA
WT: CLR ST
SETB ST
CLR ST
WAIT: JNB EOC,WAIT
SETB OE
MOV GDATA,P0
CLR OE
MOV A,GDATA
MOV B,#100
DIV AB
MOV 33H,A
MOV A,B
MOV B,#10
DIV AB
MOV 34H,A
MOV 35H,B
SJMP WT
T0X: NOP
MOV TH0,#(65536-4000)/256
MOV TL0,#(65536-4000) MOD 256
MOV DPTR,#DPCD
MOV A,DPCNT
ADD A,#DPBUF
MOV R0,A
MOV A,@R0
MOVC A,@A+DPTR
MOV P1,A
MOV DPTR,#DPBT
MOV A,DPCNT
MOVC A,@A+DPTR
MOV P2,A
INC DPCNT
MOV A,DPCNT
CJNE A,#8,NEXT
MOV DPCNT,#00H
NEXT: RETI
DPCD: DB 3FH,06H,5BH,4FH,66H
DB 6DH,7DH,07H,7FH,6FH,00H
DPBT: DB 0FEH,0FDH,0FBH,0F7H
DB 0EFH,0DFH,0BFH,07FH
END
8. C语言源程序
#include <AT89X52.H>
unsigned char code dispbitcode[]={0xfe,0xfd,0xfb,0xf7,
0xef,0xdf,0xbf,0x7f};
unsigned char code dispcode[]={0x3f,0x06,0x5b,0x4f,0x66,
0x6d,0x7d,0x07,0x7f,0x6f,0x00};
unsigned char dispbuf[8]={10,10,10,10,10,0,0,0};
unsigned char dispcount;
sbit ST=P3^0;
sbit OE=P3^1;
sbit EOC=P3^2;
unsigned char channel=0xbc;//IN3
unsigned char getdata;
void main(void)
{
TMOD=0x01;
TH0=(65536-4000)/256;
TL0=(65536-4000)%256;
TR0=1;
ET0=1;
EA=1;
P3=channel;
while(1)
{
ST=0;
ST=1;
ST=0;
while(EOC==0);
OE=1;
getdata=P0;
OE=0;
dispbuf[2]=getdata/100;
getdata=getdata%10;
dispbuf[1]=getdata/10;
dispbuf[0]=getdata%10;
}
}
void t0(void) interrupt 1 using 0
{
TH0=(65536-4000)/256;
TL0=(65536-4000)%256;
P1=dispcode[dispbuf[dispcount]];
P2=dispbitcode[dispcount];
dispcount++;
if(dispcount==8)
{
dispcount=0;
}
}
查看评论 回复
"ADC0809A/D转换芯片的原理及应用 -"的相关文章
- 上一篇:51单片机指令功能一览表 -
- 下一篇:低功耗MCU系统软硬件设计考量 -









