51单片机键盘接口电路及其源程序 -
[导读] 键盘是由若干按钮组成的开关矩阵,它是单片机系统中最常用的输入设备,用户能通过键盘向计算机输入指令、地址和数据。一般单片机系统中采和非编码键盘,非编码键盘是由软件来识别键盘上的闭合键,它具有结构简单,使
本文引用地址: http://www.21ic.com/app/mcu/201206/129003.htm
|
图1
|
![]() 图2
|
|
图3
|
<单片机与键盘接口图>图4
|
LNEXT:
ACALL LAMP ;调用灯显示程序
AJMP LOOP ;反复循环,主程序到此结束
DELAY:
MOV R7,#100
D1: MOV R6,#100
DJNZ R6,$
DJNZ R7,D1
RET
;----------------------------------------延时程序,键盘处理中调用
KEYPROC:
MOV A,B ;从B寄存器中获取键值
JB ACC.2,KeyStart ;分析键的代码,某位被按下,则该位为1(因为在键盘程序中已取反)
JB ACC.3,KeyOver
JB ACC.4,KeyUp
JB ACC.5,KeyDown
AJMP KEY_RET
KeyStart:
SETB StartEnd ;第一个键按下后的处理
AJMP KEY_RET
KeyOver:
CLR StartEnd ;第二个键按下后的处理
AJMP KEY_RET
KeyUp: SETB UpDown ;第三个键按下后的处理
AJMP KEY_RET
KeyDown:
CLR UpDown ;第四个键按下后的处理
KEY_RET:RET
KEY:
CLR F0 ;清F0,表示无键按下。
ORL P3,#00111100B ;将P3口的接有键的四位置1
MOV A,P3 ;取P3的值
ORL A,#11000011B ;将其余4位置1
CPL A ;取反
JZ K_RET ;如果为0则一定无键按下
ACALL DELAY ;不然延时去键抖
ORL P3,#00111100B
MOV A,P3
ORL A,#11000011B
CPL A
JZ K_RET
MOV B,A ;确实有键按下,将键值存入B中
SETB F0 ;设置有键按下的标志
K_RET:
ORL P3,#00111100B ;此处循环等待键的释放
MOV A,P3
ORL A,#11000011B
CPL A
JZ K_RET1 ;直到读取的数据取反后为0说明键释放了,才从键盘处理程序中返回
AJMP K_RET
K_RET1:
RET
D500MS: ;流水灯的延迟时间
PUSH PSW
SETB RS0
MOV R7,#200
D51: MOV R6,#250
D52: NOP
NOP
NOP
NOP
DJNZ R6,D52
DJNZ R7,D51
POP PSW
RET
LAMP:
JB StartEnd,LampStart ;如果StartEnd=1,则启动
MOV P1,#0FFH
AJMP LAMPRET ;不然关闭所有显示,返回
LampStart:
JB UpDown,LAMPUP ;如果UpDown=1,则向上流动
MOV A,LAMPCODE
RL A ;实际就是左移位而已
MOV LAMPCODE,A
MOV P1,A
LCALL D500MS
AJMP LAMPRET
LAMPUP:
MOV A,LAMPCODE
RR A ;向下流动实际就是右移
MOV LAMPCODE,A
MOV P1,A
LCALL D500MS
LAMPRET:
RET
END
以上程序功能很简单,但它演示了一个单片机键盘处理程序的基本思路,程序本身很简单,也不很实用,实际工作中还会有好多要考虑的因素,比如主循环每次都调用灯的循环程序,会造成按钮反应“迟钝”,而如果一直按着键不放,则灯不会再流动,一直要到松开手为止,等等,大家能仔细考虑一下这些问题,再想想有什么好的解决办法。
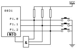
2、采用中断方式:如图4所示。各个按钮都接到一个与非上,当有任何一个按钮按下时,都会使与门输出为低电平,从而引起单片机的中断,它的好处是不用在主程序中持续地循环查询,如果有键按下,单片机再去做对应的处理
查看评论 回复



<键盘连接>
<单片机与键盘接口图>







