89Sxx开发板制作步骤 -
[导读]单面在系统内可编程Flash为基础的微控制器,89Sxx系列开发板 简介我设计这个单面开发板使用MCS - 51单片机学习的工具,便于单片机项目开发 。89Sxx开发板功能 :89Sxx 40的DIL为基础的设计,89S51/52/53在系统编程(
单面在系统内可编程Flash为基础的微控制器,89Sxx系列开发板
本文引用地址: http://www.21ic.com/app/mcu/201211/150971.htm

简介
我设计这个单面开发板使用MCS - 51单片机学习的工具,便于单片机项目开发 。89Sxx开发板功能 :
89Sxx 40的DIL为基础的设计,89S51/52/53
在系统编程(ISP),通过6针接头
RS - 232和RS - 485串行端口(共用针)与如PC串行设备通信
HD44780兼容的字母数字液晶背光控制连接
主板集成了4轻触开关
16个通用IO端口引脚5x2头(PORT0和PORT2)
24CXX的I2C EEPROM
DS1302的串行实时时钟(RTC)备用电池
板上的电源整流和稳压器
单面PCB设计
五金
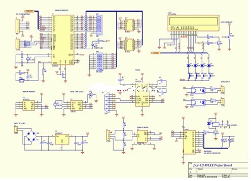
硬件框图如图1所示。MCU是89Sxx微控制器。和完整的硬件原理图如图2所示。
P1口作为数据总线是用于液晶显示器(4位接口,印刷电路板布局设计为16X2字符带背光),板上的轻触开关和连接在系统编程(ISP)
PORT0和通用IO端口2,用于连接外部设备。PORT0连接DIP开关,P0.0和P0.1与光电隔离输入连接
端口3,P3.0和P3.1正在使用串行通信UART,P3.2为RS - 485控制方向。P3.3和P3.4作为通用IO端口引脚。与串行芯片,EEPROM,RTC和串行移位寄存器(LED阵列指标)通信的另一个引脚

图1。硬件模块89Sxx开发板

图2示意图

图3

图4。印刷电路板
应该用于在系统编程适配器SPI编程电路。连接的ISP适配器与6针的ISP在这个棋盘上的头6针连接器。请注意连接顺序(可能稍有不同)
示例项目... 89Sxx基于短信控制器
该项目显示了远程控制和监测89Sxx发展局 。该系统由89S52作为主处理器和移动电话(GSM调制解调器)通过蜂窝网络进行远程控制或监测
系统的特点如下 。系统的特点如下 :
8个输入通道(端口0)和8声道输出(端口2)
自动发送/报警输入,输入不断变化的模式改变消息:LO - HI,HI - LO
开关组输出命令或独立
通过发送短信命令的状态请求参数
可编程输出时间下载一些简单的文字脚本
该电路连接到许多手机功能的串行端口。它的功能是提供一个输入和一个输出端口能够被远程控制使用另一移动。
的控制通过发送SMS(短信服务)发生 。当手机接收到一个预定义的文本消息时,电路自动识别命令,并相应地开关 输出,该装置可用于通知输入端口的状态,自动发送一条消息,每一次输入变化。要知道在任何时候输入状态,设备可以发送回一个短信描述输入状态,作为一个请求消息的响应 。板和移动电话(调制解调器)之间的通信:rxgsm(P3.3,从 GSM接收TTL电平),txgsm(P3.4,发送到GSM)。要启动,类似调制解调器接口,GSM手机可以接受AT命令(更准确地说是一个扩展的AT命令集)。


图5。SMS控制器项目
查看评论 回复









