MCS96系列单片机的数据存储器扩展技术解析方案 -
[导读]
MCS96系列单片机是一种16位字长,比MCS51系列单片机功能更全、性能更高的单片机,在仪器仪表、过程控制等领域应用极为广泛。在采用MCS96系列单片机的应用开发中,我们碰到一个难题:当需要大容量的数
本文引用地址: http://www.21ic.com/app/mcu/201804/760653.htm
MCS96系列单片机是一种16位字长,比MCS51系列单片机功能更全、性能更高的单片机,在仪器仪表、过程控制等领域应用极为广泛。在采用MCS96系列单片机的应用开发中,我们碰到一个难题:当需要大容量的数据存储时,数据存储器的扩展如采用与MCS51系列单片机同样的方法则无法工作。因为其内存体系结构采用程序存储器与数据存储器统一编址的普林斯顿结构,程序存储器的地址与数据存储器的地址不能相同;而MCS51系列单片机采用程序存储器与数据存储器分开编址的哈佛结构,程序存储器的地址与数据存储器的地址不冲突,可以相同,因而其数据存储器扩展容易,而且整个数据存储器地址空间连续。MCS96系列单片机的普林斯顿内存体系结构决定了不能简单采用与MCS51系列单片机相同的数据存储器扩展技术。本文针对MCS96系列单片机的内存体系结构特点给出一种段式管理的大容量的数据存储器扩展技术。
1 段式管理的大容量数据存储器扩展技术
设计思想概述:针对MCS96系列单片机的存储结构特点,可看出扩展的数据存储器的低16位地址不能与程序存储器的地址相同,因此,必须从MCS96系列单片机的内存体系结构中找出一个专门的区域。本文将此区域定义为段,对其进行扩展,通过各段的高地址来区分不同段。由于各段的实际物理地址是不相连的,从用户角度看,直接使用物理地址编程很麻烦,因此设计一个逻辑段表来管理,并且设计一个简单的子程序来完成逻辑地址与物理地址的转换,从而便于用户编程。具体过程如下。
1.1 段的设置区域
根据图1所示MCS96系列单片机的内存体系结构分配图可以看出,0100H~1FFDH,4000H~0FFFFH两个区域可以给外部存储器及I/O口使用。0100H~1FFDH的区域较小,考虑到一般应用系统的程序较短,只有同KB,I/O口地址更少,因而可以将此区域分析给外部程序存储器与I/O 口。4000H~0FFFFH区域分配给外部数据存储器。由于一般数据存储顺芯片的存储地址容量为2NKB(N为大于零的整数),因此,这48KB的区域可以划分为32KB与16KB的两个区间。如果要求大容量存储地址空间,则可以把以上48KB的区域整个看成一个段,或者将区域的一部分看成一个段,多设置几个这样的段就可以解决。

1.2 段的存储空间的最佳设置
由于段的空间的设置区域在4000H~0FFFFH的48KB的存储地址空间,因而有三种段的存储地址空间大小的设置方案。
①每段设为起始地址相同的32KB;
②每段都设为48KB;
③一些段设为48KB;一些段设为32KB。
由于方案2与3采用32KB的存储区间与16KB的存储区间组成段,因而在硬件设计方面使地址译码器与存储器的连接复杂,更不便于对各段存取管理,尤其对于数据存储器采用单个大容量的EEPROM或FLASH RAM时,硬件设计更是困难;而方案1则只采用32KB的芯片组成段,而且起始地址相同,对于数据存储器采用多个32KB的RAM芯片,或者数据存储器采用单个大容量的EEPROM或FLASH RAM芯片中(可在其内部划分为多个32KB段),在硬件设计方面非常简单,也便于用逻辑段表进行存取管理。因而要用方案1,即段的存储空间大小的最佳设置为32KB。
1.3 段的存取控制
1.3.1 存储器逻辑段与物理段的关系
由于段的存储地址空间大小的最佳设置为32KB,各段的实际物理地址为物理段号加上物理段内地址,因此,可设物理段号的存储单元为8bit。这样,整个扩展数据存储器容量为256×32KB,即8MB,对于一般的单片机应用系统已经远远满足了。由于各物理段之间地址不连续,用户直接使用物理地址编程不方便,因而要采用连续的逻辑地址供用户使用,来对各物理段访问。逻辑地址分为逻辑段号与逻辑偏移地址两部分,逻辑段号的存储单元也为8bit,但由于逻辑偏移地址为16bit,因而一个逻辑段的大小为64KB,地址从0000H~0FFFFH,即1个逻辑段与2个物理段相对应,所以逻辑段的个数为实际物理段的个数的一半。对物理段与逻辑段进行编号,设逻辑段的个数为N个,编号为0,1,2,…,N-1,可以用图2来表示二者的对应关系。

1.3.2 逻辑段表设计与段的存取管理
为了便于对段的存取管理控制,设计一个逻辑段表,表的内容为逻辑段号。因为1个逻辑段为64KB,它与2个物理段(每段32KB)相对应,因而逻辑段表示的长度为实际物理段总数的一半。设有N个段,逻辑段表如图3所示。例如:有8个32KB的物理段,逻辑段表的长度为4B,逻辑段表的内容为:0,1,2, 3。实际的物理段号为:0,1,2,3,4,5,6,7。每个逻辑段号与2个物理段号相对应。
另外,为了便于存取控制,设计一个将逻辑地址自动转换成物理地址的子程序,子程序必须简单。经过分析,把每个32KB的物理段的起始地址都设为8000H,即每个32KB的物理段的段内地址都是从8000H~0FFFFH。根据逻辑地址与物理地址的对应关系,笔者设计了一个子程序,由于结构简单,只给出具体流程图,如图4所示。子程序的入口参数为逻辑段号与逻辑偏移地址,返回结果为物理段号与物理段内地址。这样,对段的存取访问可先查逻辑段表查出逻辑段号,再调用该子程序实现。
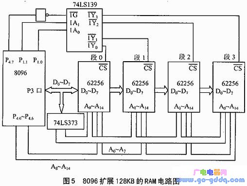
2 设计举例:8096扩展128KB的RAM
分析:由于地址空间为128KB,因此可以设置4个大小同为32KB的段,每段选用1个62256芯片。电路原理分析:8096的P3口输出直接作为数据总线使用,同时外接74LS373的输出,作为低地址总线A0~A7;P4口的P4.0~P4.6作为高地址总线A8~A14使用,P4.7经过一反相器连接74LS139(双2~4译码器)的1G(使能器);P1.1、P1.0分别与74LS139译码器的两个输入端1A1、1A0相接。P1.1、 P1.0、P4.7分别作为高地址总线A17、A16、A15使用。译码器的输出1Y3、1Y2、1Y1、1Y0分别与4个寄存器62256的片选信号 CS相接。这样可以得出:段0存储器的物理地址为08000H~0FFFFH,段1存储器的物理地址为18000H~1FFFFH,段2存储器的物理地址为28000H~2FFFFH,段3存储器的物理地址为38000H~3FFFFH;而逻辑地址为00000H~1FFFFH。逻辑段表的内容为0、1,具体电路如图5所示。

3 总结
这种段式管理的数据存储器扩展技术简单方便,具有很大的优越性,具体体现在以下几方面:从应用角度看,此技术能够实现大容量的数据存储器的扩展,数据存储器可采用RAM、EEPROM、FLASH RAM等;最大的扩展容量为8MB,远远超出了一般应用系统的数据存储器扩展需求。从用户角度看,用户在编程时不必考虑实际物理数据存储器的地址空间是否连续,通过段式管理,使用连续的逻辑地址来编程,克服了不连续物理地址空间的缺陷,而且,对各段存储的数据提供了保护;在一般的大数据量的单路信号检测与处理系统中,此技术使得用户对连接采集数据的存取是透明的,不受硬件的局限,便于用各种高级语言开发设计。从硬件角度看,对于数据存储器采用多个32KB 的RAM芯片,各存储段相互独立,互不影响,各段的存储器芯片的故障也不会对整个系统造成很大影响;在一般的多数大数据量的信号检测与处理系统以及由单片机组成的集散式控制系统中,可以为每路采集的数据分酌情不同的段来存储,这样对各段存储的数据提供了保护,提高了整个系统的可靠性,应用效果是非常理想的。对于数据存储器采用单个大容量的EEROM或FLASH RAM芯片时,硬件电路更为简单,不需要译码器等电路。
查看评论 回复









