嵌入式系统应用实现RS485的方向切换 -
[导读]
RS485总线是工业应用中非常成熟的技术,是现代通信技术的工业标准之一。RS485总线用于多站互连十分方便,用一对双绞线即可实现,采用平衡发送和差分接收,即在发送端驱动器将TTL电平信号转换成差分信号
RS485总线是工业应用中非常成熟的技术,是现代通信技术的工业标准之一。RS485总线用于多站互连十分方便,用一对双绞线即可实现,采用平衡发送和差分接收,即在发送端驱动器将TTL电平信号转换成差分信号输出,在接收端接收器将差分信号变成TTL电平,因此具有抗共模干扰的能力。根据RS485标准,传送数据速率达100 kb/s时通信距离可达1200 m。
本文引用地址: http://www.21ic.com/app/mcu/201806/761525.htm
RS485在嵌入式系统中的应用非常广泛。嵌入式系统可以通过RS485接口来控制终端设备。由于RS485是半双工模式,因此发送和接收的方向切换需要我们的关注和研究。如果方向切换方式选择不好可能会导致RS485驱动能力下降、软件执行效率下降,甚至导致系统异常等问题。
本文分别给出硬件实现RS485方向切换和软件实现RS485方向切换两种方式。两种方式各有优点,硬件方式控制起来比较简单。软件方式的驱动能力更好,但是和嵌入式平台关系比较密切,不同的平台都需要调试和验证。
1 硬件方式控制RS485方向
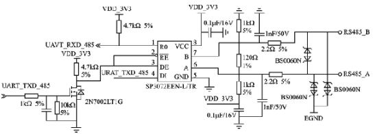
图1所示为硬件控制RS485的电路图。电路中使用2N7002LT1G MOS场效晶体管把UART_TXD_485这个MCU输出的RS485发送信号逻辑取反后送给RS485芯片的RE/DEPIN脚。控制的原理是,当UART_TXD_485输出低电平时RS485芯片的DE使能;输出高电平时RE使能。默认情况下UART_TXD_485是高电平,RS485芯片处于接收状态。发送数据时,UART_TXD_485上面有高低电平信号变化,低电平信号通过RS485芯片SP3072EENL/TR直接输出,高电平信号通过外部上下拉电阻来控制。
但是这种方法的缺点是驱动能力可能不足,由于这种控制方法没有完全发挥出RS485驱动芯片自身的驱动能力,输出信号依赖于外部上下拉电阻,因此在复杂环境下,譬如很多负载需要控制时,就会存在驱动能力不足的问题。但是在一些简单的环境或者软件实现较复杂的平台下,使用这种方法还是切实可行的。

图1 硬件控制RS485电路图
2 软件方式控制RS485方向
2.1 驱动能力分析
在复杂的RS485控制环境下,用上面介绍的硬件方式来控制RS485的方向会存在比较突出的驱动能力不足的问题。修改上述控制方法,将TTL这一侧的2线控制改为3线控制,就是将收发控制信号不用当前的/TXD来控制,而从主控分出一根GPIO线来控制收发。
其驱动能力提高了25~50倍(不同厂家不同型号有差异),如果辅以终端电阻灵活配置的措施,RS485的驱动能力将完全不是问题。表1是两种控制方式驱动能力的对比。
2.2 软硬件环境

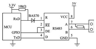
图2 软件控制方法中的硬件设计
软件控制方法采用图2的硬件设计,图中很突出的修改是使用MCU的GPIO来控制RE和DE.RS485芯片的供电采用5 V供电,提高驱动能力。RS485芯片的RE和DE控制使用MCU的GPIO输出高低电平来控制。简单来说就是,在RS485进行数据传输时,通过GPIO来控制传输方向。这里采用的MCU是TI公司的DM8168处理器来实现软件的RS485切换功能。软件版本使用UBoot2010.06和linux2.6.37。用软件来实现RS485的收发,尽量要保证执行效率;要达到上面的目的就需要对串口驱动进行调试,使用串口驱动用到的软件资源和串口控制器本身的硬件资源来实现RS485的控制。
表1 软件和硬件控制方式驱动能力的对比

2.3 UBoot代码修改
需要修改的文件:
① board/ti/ti8168/evm.c
② drivers/serial/ns16550.c
③ include/configs/ti8168_evm.h
ti8168_evm.h文件中增加切换宏定义:
#define CONFIG_RS485_DIR_SW 1
evm.c文件中增加切换函数:
void rs485_dir_sw(int rs485_dir){
if (rs485_dir ==0)
_raw_writel(RS485_DIR_MASK, TI81XX_GPIO1_CLEARDATAOUT);
else
_raw_writel(RS485_DIR_MASK, TI81XX_GPIO1_SETDATAOUT);
}
s16550.c串口驱动文件中增加RS485方向控制:
void NS16550_putc(NS16550_t com_port, char c){
#ifdef CONFIG_RS485_DIR_SW
rs485_dir_sw(1);
#endif
……//此处代码省略
#ifdef CONFIG_RS485_DIR_SW
while((serial_in(&com_port->lsr) & UART_LSR_TEMT) == 0)
rs485_dir_sw(0);
#endif
}
其中UART_LSR_TEMT表示发送BUF和移位寄存器为空。默认情况下RS485是接收状态,一旦要发送数据,就把RS485切换为发送状态。发送完数据后,等待发送BUF和移位寄存器为空,然后切换回接收状态,这里无需使用timeout。
2.4 Linux代码修改
需要修改的文件:
① arch/arm/machomap2/bordti8168evm.c
② drivers/serial/omapserial.c
③ include/linux/serial_core.h
serial_core.h文件,UART_port结构体中增加set_rs485_direction函数指针,用于执行RS485的方向切换void (*set_rs485_direction)(int rs485_dir);原本考虑在uart_ops结构体中增加的,但是这个结构体是常量类型,对它不作改动,因此加到了uart_port结构体中。在该文件中添加相关宏定义和函数指针类型用于函数注册:
#define SET_RS485_RX0
#define SET_RS485_TX1
typedef void (*set_rs485_direction_t)(int rs485_dir);//用于函数注册
omapserial.c文件主要做了如下几点改动:
① 添加omap_rs485_dir_fun全局的函数指针。
statICset_rs485_direction_t omap_rs485_dir_fun[OMAP_MAX_HSUART_PORTS]={NULL, NULL, NULL, NULL, NULL, NULL}
② 外部驱动利用omap_rs485_dir_fun_reg注册函数对omap_rs485_dir_fun进行赋值。
void omap_rs485_dir_fun_reg(int port_num, set_rs485_direction_t rs485_dir_fun){
if (port_num>=OMAP_MAX_HSUART_PORTS)
printk(KERN_ERR “%s, port_num error max is %d, but %d \n”, __FUNCTION__, OMAP_MAX_HSUART_PORTS-1, port_num);
omap_rs485_dir_fun[port_num]= rs485_dir_fun;
}
EXPORT_SYMBOL(omap_rs485_dir_fun_reg);
③ serial_omap_probe函数中对控制程序中用到的up->port.set_rs485_direction进行赋值。
up->port.set_rs485_direction= omap_rs485_dir_fun[pdev->id];
④ 默认情况下RS485处于接收状态。
⑤ serial_omap_enable_ier_thri函数中把RS485切换为发送状态。
static incline void serial_omap_enable_ier_thri(struct uart_omap_port *up){
if (!(up->ier & UART_IER_THRI)) {
/* rs485 dir change to tx */
if (up->port.set_rs485_direction != NULL)
up->port.set_rs485_direction(SET_RS485_TX);
……//此处代码省略
}
}
⑥ serial_omap_stop_tx函数中把RS485切换为接收状态。
static void serial_omap_stop_tx(struct uart_omap_port *port){
……//此处代码省略
if (up->ier & UART_IER_THRI) {
up->ier &= ~UART_IER_THRI;
serial_out(up, UART_IER, up->ier);
/* rs485 dir change to rx */
if (port->set_rs485_direction != NULL)
port->set_rs485_direction(SET_RS485_RX);
}
}
⑦ transmit_chars更改一下,原先的代码是当没有更多的字符要发送(环形缓冲为空)时需要关闭发送中断,这时串口控制器发送BUF和移位寄存器中还是有数据的,这些数据串口控制器自动发送完成后才算结束,由于已经关闭了发送中断,因此发送结束后就没有中断产生了。但是RS485切换方向需要等到完全发送完成后才能进行。因此对transmit_chars函数做了修改。调用serial_omap_stop_tx函数前判断发送BUF和移位寄存器是否为空,如果为空就可以切换方向了。简而言之,延后了发送中断的关闭时间。
static void transmit_chars(struct uart_omap_port *up){
……//此处代码省略
if (uart_circ_empty(xmit) || uart_tx_stopped(&up->port)) {
if (up->port.ops->tx_empty(&up->port)==0)
return;//added for last transmit
serial_omap_stop_tx(&up->port);
return;
}
……//此处代码省略
if (uart_circ_empty(xmit)) {
if (up->port.ops->tx_empty(&up->port)==0)
return;//added for last transmit
serial_omap_stop_tx(&up->port);
}
}
⑧ arch/arm/machomap2/boardti8168evm.c文件在ti8168_evm_init函数中调用omap_rs485_dir_fun_reg函数注册RS485切换函数。
2.5 实验结果分析
上述软件修改有如下几个优点:不增加硬件开销;不增加和使用任何硬件资源;不增加软件开销;不影响软件执行效率;硬件控制是电信号控制,方向切换和TX绑定;软件控制是整个发送缓冲区完成发送后再进行方向切换,控制实现上更加合理。
对软件切换RS485做了基本的测试,情况如下:
① 控制台操作。整个启动打印信息正常。UBoot和Kernel下控制效果和硬件控制一样,可以很流畅地进行命令的输入和回显,串口终端增加输入字符间的延时后可以进行配置的粘贴。内核在115 200和38 400下分别进行测试OK。
② 内核下加大负责进行大数据量的发送。增加负载,开多个PINg包进程(产生大量中断)、Nand Flash的操作、CPU占有率接近100%条件下,通过RS485输出大量数据,没有乱码,校验OK。
查看评论 回复
"嵌入式系统应用实现RS485的方向切换 -"的相关文章
- 上一篇:基于PIC32嵌入式智能家居系统的设计方案 -
- 下一篇:STM32启动流程分析 -









