PCF8591与AT89C51单片机的接口程序 -
来源: 网络用户发布,如有版权联系网管删除 2018-09-07
[导读]
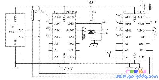
以AT89C51为主器件.I2C总线上连接4个PCF8591芯片,芯片地址分别为(OOOb、OlOb、020b、400b),89C51的P3.6作为SCL信号.P3.7做为SDA信号,每个芯片的模拟输入采用单端方式输入,参考电压VREF选用4.
以AT89C51为主器件.I2C总线上连接4个PCF8591芯片,芯片地址分别为(OOOb、OlOb、020b、400b),89C51的P3.6作为SCL信号.P3.7做为SDA信号,每个芯片的模拟输入采用单端方式输入,参考电压VREF选用4.8V。参考电路如下图所示。下面程序为I2c协议、读取4路A,D转换数据以及写入D/A变换数值的C语言代码。
本文引用地址: http://www.21ic.com/app/mcu/201806/761088.htm




查看评论 回复
"PCF8591与AT89C51单片机的接口程序 -"的相关文章
- 上一篇:8031单片微机串行口的应用 -
- 下一篇:C语言main函数的标准定义 -









