51单片机IO口直接驱动LED数码管方法 -
[导读]
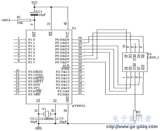
1.实验任务 如图13所示,利用AT89S51单片机的P0端口的P0.0-P0.7连接到一个共阴数码管的a-h的笔段上,数码管的公共端接地。在数码管上循环显示0-9数字,时间间隔0.2秒。2.电路原理图
1.实验任务
如图13所示,利用AT89S51单片机的P0端口的P0.0-P0.7连接到一个共阴数码管的a-h的笔段上,数码管的公共端接地。在数码管上循环显示0-9数字,时间间隔0.2秒。
2.电路原理图
图4.7.1
3.系统板上硬件连线
把“单片机系统”区域中的P0.0/AD0-P0.7/AD7端口用8芯排线连接到“四路静态数码显示模块”区域中的任一个数码管的a-h端口上;要求:P0.0/AD0与a相连,P0.1/AD1与b相连,P0.2/AD2与c相连,……,P0.7/AD7与h相连。
4.程序设计内容
(1).LED数码显示原理
七段LED显示器内部由七个条形发光二极管和一个小圆点发光二极管组成,根据各管的极管的接线形式,可分成共阴极型和共阳极型。 LED数码管的g~a七个发光二极管因加正电压而发亮,因加零电压而不以发亮,不同亮暗的组合就能形成不同的字形,这种组合称之为字形码,下面给出共阴极的字形码见表2
本文引用地址: http://www.21ic.com/app/mcu/201806/764955.htm
(2).由于显示的数字0-9的字形码没有规律可循,只能采用查表的方式来完成我们所需的要求了。这样我们按着数字0-9的顺序,把每个数字的笔段代码按顺序排好!建立的表格如下所示:TABLE DB 3FH,06H,5BH,4FH,66H,6DH,7DH,07H,7FH,6FH
5.程序框图
图4.7.2
6.汇编源程序
ORG 0
START: MOV R1,#00H
NEXT: MOV A,R1
MOV DPTR,#TABLE
MOVC A,@A+DPTR
MOV P0,A
LCALL DELAY
INC R1
CJNE R1,#10,NEXT
LJMP START
DELAY: MOV R5,#20
D2: MOV R6,#20
D1: MOV R7,#248
DJNZ R7,$
DJNZ R6,D1
DJNZ R5,D2
RET
TABLE: DB 3FH,06H,5BH,4FH,66H,6DH,7DH,07H,7FH,6FH
END
7.C语言源程序
#include
unsigned char code table[]={0x3f,0x06,0x5b,0x4f,0x66,
0x6d,0x7d,0x07,0x7f,0x6f};
unsigned char dispcount;
void delay02s(void)
{
unsigned char i,j,k;
for(i=20;i>0;i--)
for(j=20;j>0;j--)
for(k=248;k>0;k--);
}
void main(void)
{
while(1)
{
for(dispcount=0;dispcount<10;dispcount++)
{
P0=table[dispcount];
delay02s();
}
}
}
查看评论 回复
"51单片机IO口直接驱动LED数码管方法 -"的相关文章
- 上一篇:MCS-51系列单片机指令快速记忆方法
- 下一篇:设计属于自己的单片机最小系统 -









