基于单片机的微波功率控制器 -
[导读]1 引言
微波以它的独特的功能开拓运用领域的新技术,其中包括微波通信,微波测量,微波加热等新技术。微波能产生于微波源。它是由产生微波能的心脏——微波管和为微波管提供必要工作条件的电源组成。微波作为一种新
1 引言
微波以它的独特的功能开拓运用领域的新技术,其中包括微波通信,微波测量,微波加热等新技术。微波能产生于微波源。它是由产生微波能的心脏——微波管和为微波管提供必要工作条件的电源组成。微波作为一种新的能量传递方式,在电子电气行业中发展很快,其中大功率微波源常用于加热及无极光灯的激励源,为了更好地满足应用的需要,经常需要功率控制。为达到无极紫外灯在微波的激发作用下,能够产生连续可变的光源,并且能够较好地克服技术性与经济性的矛盾,提高性价比,本文论述单片机微波功率控制技术。
本文引用地址: http://www.21ic.com/app/mcu/200903/33493.htm
2 芯片简介
系统使用的pic16f873,采用静态设计技术、高性能的哈佛结构cpu和risc指令集,实现了低功耗和宽工作电压范围,提高了cpu的工作速度和效率。包含4k×14的程序闪存,192字节的数据随机存储器和128字节数据eeprom存储器。其中i/o端口为端口a,b和c,具有13个中断源,三个定时器,两个ccp(捕捉器/比较器/pwm)模块、一个看门狗电路、一个并行从属端口psp,集成了8通道a/d转换器。pic16f87x系列既有spi和i2c主串行通信端口,又有usart异步串行通信端口。
该芯片实现的主要功能:单片机用于协调外围设备的数据,地址和控制信号的传送;完成对倍压整流输出电压的采样,a/d转换以及与设定值比较;完成触发脉冲的同步与发送;完成对拥护指令的识别以及对设备运行状态的显示。
3 系统设计
3.1 原理设计
mcu是系统的核心,完成信号处理以及对各个模块进会谐调控制的任务。系统开机,单片机上电复位启动,检测键盘输入动作后,单片机根据不同的指令去完成不同的动作。在调功指令下达后,单片机根据输入数据计数,触发延时,并检测过零脉冲,同时送显示指令。触发延时结束,触发电路中的触发脉冲就产生并维持一定强度与时间,使双向晶闸管有效导通。磁控管工作后,由采样电路采集阳极电压信号,并与设定电压比较后对触发延时作一定的修正。同时检测光强信息,使光强满足用户要求。通过这个过程,完成对无极灯放电的稳定控制,有连续调节的功能,而且操作简单,便于与用户直接交流,易于用户直接使用。系统结构图如图1所示。

图1 系统结构图
3.2 系统硬件设计
(1)升压和整流的电路。磁控管腔体电压一般要达到1800v才能工作,为此必须设计升压变压器来抬升电压。采用两个变压器t1和t2并联方式向倍压整流电路供电。
当交流电为正半周时,二极管d2承受正压导通对电容c2充电,直到达到交流电最大值
;c1则处于放电过程,与t1次级线圈一起对磁控管供电。负半周则相反。其输出平均电压关系式为:![]()
采用全波倍压整流电路,其电路如图2所示。

图2 全波倍压整流电路
电容的取值较为重要,它直接影响电压波形。为使波形平稳,且能够满足电压调节的响应速度,电容取值应以电容在半个周期完成放电为依据。在此电路中,负载有电源内阻(即次级绕组直流电阻)和磁控管总电阻约为300左右。以下采用不同电容值电压平均值及其波形参见表1。
表1 不同电容值波形

(2)过零检测电路。同步电路使用过零检测方法通知单片机的同步时刻。阳极电压(电流)反馈是重要的反馈,它很大程度上决定系统的准确性与稳定压,使用采样电阻进行电流采样。光强检测应用紫外线传感器感应无极灯光强大小。
为适时地给可控硅加触发脉冲,控制导通角,必须时刻对交流电的相位进行检测,为此专门设计一个电压过零检测器,如图3所示。

图3 过零检测器
a和b两点输出为全波整流后的脉动电压,当电压过零时,q1关闭,集电极电平为高,送到单片机中断口断出同步电压的相位。
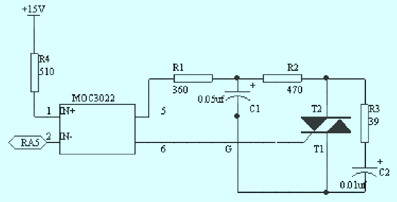
(3)触发电路。触发电路实现对磁控管腔电压的控制,采用双向可控硅器件控制变压器原边电压。在控制极加一正或负电压,使双向可控硅导通。触发电路如图4所示。

图4 触发电路
(4)其它功能模块。
阳极电流反馈电路:磁控管工作时的通态电阻很少,因而阳极电压稍微变化,将会引起磁控管阳极电流的很大变化,输出功率亦会发生很大变化。为了稳定功率的输出,可采用单闭环反馈电路,它由阳极电流采样和光电耦合隔离电路组成。
光强检测电路:系统采用进口的uva、uvb(波长为260~370nm)的紫外线传感器。该传感器是波长λ<400nm的,对紫外光敏感的二氧化钛光电二极管。输出电压为0~4.3v,转换系数

。经数模转换,把模拟信号转换为二进制数,存储在数据缓冲区。
电源电路:加入emi抗扰模块,采用多路供电,分别用于单片机,a/d基准和其它芯片。键盘与显示:采用矩阵或4*4键盘,完成指令的输入。显示采用led显示专用芯片与单片。
机串行联接,节省i/o口,节约单片机资源。
3.3 系统软件设计
本系统的稳定工作是基于软件算法,采用看门狗技术监视软件运行状态,有效提高运行的可靠性。不同型号的磁控管,对软件作适当修改,可适合不同的应用场合。
其中系统的人机对话接口(键盘和显示器),包含键盘扫描程序、键处理程序和显示子程序;电压控制的核心子程序,包含电压检测子程序,数值比较子程序,角度转换(即定时器初值转换)子程序,过零中断处理子程序等;数值间转换子程序,主要用于a/d转换后数值处理,以便电压调节、信息显示正确。
程序用到的主要临时数据储存单元的简单介绍,系统的工作流程图如图5所示。调压子程序如图6所示。

图5 工作流程图

图6 调压子程序
4 结束语
本设计以单片机pic16f873为核心部分,以双向可控硅为功率调节元件,充分利用软件优化算法,实现微波源的全数字调功功能。系统中的电压负反馈闭环控制环节,使微波源工作更稳定,更好的实现功率的连续可调。此外光电隔离及变压器隔离措施,很好地抑制了电磁干扰,保证微波源有更长的使用寿命。
查看评论 回复









