基于单片机的远程智能语音防盗报警系统设计 -
[导读]摘要:主要介绍一种以单片机AT89C52、ISDl420语音电路、模拟摘机挂机电路、拨号电路为核心的远程智能语音防盗报警系统,并从基本工作原理、电路构成等方面对其进行详细阐述。该系统可实现自动拨号,通过普通电话线进
摘要:主要介绍一种以单片机AT89C52、ISDl420语音电路、模拟摘机挂机电路、拨号电路为核心的远程智能语音防盗报警系统,并从基本工作原理、电路构成等方面对其进行详细阐述。该系统可实现自动拨号,通过普通电话线进行告警信号呼叫,及时将警情通知事主。系统自动化程序度、适用性强、功能灵活多样,可广泛应用于家庭、商店、银行等重要场合。
本文引用地址: http://www.21ic.com/app/mcu/201208/135714.htm
现代社会人们的安全意识越来越高,一些重要场所如家庭、银行、商店等都安装防盗设备来保护生命及财产安全。早期的安防设备一般为机械式(如防盗门、防盗窗),防范系数低,安全性差,适用空间越来越小。随着科技的发展,人们已经研制出如门磁式、触摸式、雷达监测、红外线监测等一系列自动报警系统,这些报警系统自动化程度高,适用性强,具有一定的智能化。然而,大多系统在发出警报时无法及时通知事主。针对这~情况,本文设计了一种基于AT89C52的远程智能语音防盗报警系统,该系统发现盗情能及时拨叫号码,并能利用普通电话线进行告警信号呼叫,及时通知事主。该系统具有智能化程序高、实用性强、性能可靠稳定等特点。
1基本工作原理
本系统由AT89C52单片微型计算机、信号检测电路、复位电路、电话号码预设电路、振铃检测电路、模拟摘机挂机电路、拨号电路以及语音电路组成,系统结构框图如图1所示。
DTMF编码发送电路送出的是由用户经电话号码输入电路预先设定好存储在CPU中的电话号码,该号码可随意设置,可以是市内程控电话、手机等。

图1 远程智能语音防盗报警系统原理图
流程图如图2所示,当信号检测电路测到有人闯入时,即发出触发信号,该信号作为报警信号,经放大送入CPU,CPU经一定延时后,若是主人进入,则可在一定时间内利用复位电路使其初始化,否则准备报警,CPU首先检查铃流信号检测电路的输出情况,若输出为一高电平,则说明用户电话机振铃,不能摘机拨号,需进行延时处理,只有当输出为低电平时,CPU指示模拟摘机电路摘机,发送DTMF电话号码,呼叫预设受话方,这时就会有两种情况出现:受话方占线和受话方振铃,若出现前一种情况,进行模拟挂机、延时后再接机拨号;如果受话方振铃、摘机,即开始送录制在ISDl420中的信号音或语音信号,最后挂机。

图2 系统工作流程图
2主要元器件
此系统用到的元器件包括AT89C52单片微型计算机、8255A可编程并行接口芯片、数字音频录放芯片ISDl420、双音多频发送接收器MT8888、DTMF编码器CSC5087、DTMF译码器SC8870、P2288被动式热释电人体红外传感器等。
2.1 AT89C52单片微型计算机
AT89C52系列单片机具有更大容量的存储器,其芯片有40个引脚,其中有2个专用主电源的引脚,2个外接晶体的引脚,4个控制信号与其他电源复用的引脚,以及32条输入输出I/O引脚。在本系统主要是对AT89C52的输入输出I/0引脚的处理,以及对4个控制信号或与其他电源复用引脚的应用。
/tT89C52有4个8位并行输入输出I/O接口:P0口、P1口、P2口、P3口(共32线),用于并行输入或输出数据。
(1)P0口(32脚~39脚):P0.O~P0.7统称为P0口。当不接外部存储器与不扩展I/O接口时,P0口为地址/数据分时复用口,它分时提供8位地址总线和8位双向数据总线。
(2)P1口(1脚~8脚):P1.0~P1.7统称为P1口,可作为准双向I/O接口使用。对E2PRoM编程和进行程序验证时,P1口接收输入的低8位地址。
(3)P2口(21脚~28脚):P2.0~P2.7统称为P2口,一般作为准双向I/0接口。当接有外部存储器或扩展I/0接口且寻址范围超过256 B时,P2口用于向高8位地址总线送出高8位地址。
(4)P3口(10脚~17脚):P3.o~P3.7统称为P3口。它为双功能口,可作为一般的准双向I/O接口,也可以将每1位用于第2功能,而且P3口的每一条引脚均可独立定义为第1功能的输入输出或第2功能。
在硬件电路设计中,因为系统进行了I/O接口的扩展,即在AT89C52的芯片外扩展了可编程并行I/O接口8255A,所以单片机AT89C52的P0口作为与地址锁存器74HC373的接口用,P0口分时用作地址总线或数据总线,而P3口则利用了它的第二功能。
2.2 可编程并行I/O接口芯片8255A
8255A有3个8位数据端口,即端口A、端口B和端口C,三个端口在不同的工作方式下有不同的功能。
8255A有3种工作方式:方式0、方式1和方式2,这些工作方式可用软件编程来指定。在本系统中,采用8255A在0方式下的工作方式。方式0是"基本输入输出方式",这种工作方式不需要任何选通信号,A口、B口及C口的高4位和低4位都可设定为输入或输出。
作为输出口时,输出的数据均被锁存,作为输入口时,A口的数据能锁存,B口与C口的数据不能锁存。在方式0下,外设随时可提供数据给微处理器,而外设也随时可接受微处理器送出的数据。数据传送前无需"选通"和"状态"信号,只要RD或WR信号有效,就能进行数据传送。另外C口的上4位、下4位在工作方式控制字中可以分别编程。但应注意C口数据的传送是以字节为单位进行的,不能单独地读写上4位或下4位。
2.3数字音频录放芯片ISDl420
数字音频录放芯片ISDl420是美国ISD公司出品的新型单片优质语音录放电路,它具有专利技术的模拟'处理存储方式,使录放音质极佳,没有常见的背景噪音,且电路断电后语音内容仍不丢失。ISD系列语音录放组件内含64 kB/128 kB E2PRoM存储器、消除噪声的话筒前置放大器和自动增益调节AGC电路、适合语音的专用滤波电路、具有极高温度稳定性能的时钟振荡电路及全部语音处理电路。它具有全贴片微型化、使用方便、语音任意录抹放、断电语音保存、微功耗、直推喇叭、音质与磁带效果相当等特点。这种电路还提供了多种应用方式选择和接口,并可方便地应用于各种集成化电子语音系统。
3 电路设计
3.1信号检测电路
图3中传感器为P2288被动式热释电人体红外传感器。它采用平衡检差方式工作,只感应7~14um波长的活动人体红外辐射线,不会受环境温度及可见光的影响。活动人体辐射的红外线被传感器检测到后,传感器将产生微弱的电信号,经滤波、放大,送给双向比较器。为防误动作,信号将与门限电平进行比较,产生脉冲信号输出,将高电平作为告警信号,送入CPU。

图3信号检测工作电路框图
3.2复位电路
本系统采用的是RC复位方式,RC复位电路如图4所示。系统上电时,该电路提供有效的复位信号RST(高电平)直至系统电源稳定后撤销复位信号(低电平)。实际设计中,通常C1取值为10uF以上,R1通常取值10 k左右。如果取值太小,则会导致RST信号驱动能力变差而无法使系统可靠复位。另外,图中的虚线所接的续流二极管VD1对于改善复位性能起到了重要作用。它的作用是在电源电压瞬间下降时使电容迅速放电。图中接按键是为了方便主人使电路复位。

图4复位电路图
3.3 电话号码预设电路
该部分电路的设计是为了方便用户录入电话号码。
当出现警情时,系统将拨打事先录入的电话号码进行远程报警,此处要设计一个4行4列的键盘,为了软件设计的方便,可通过两个74HC245连接16个键,通过简单的查询程序即可录入键盘输人值。

图5 电话号码预设电路工作框图
图中DTMF编码器采用CSC5087,它根据不同的按键产生一组双音频信号,CCITT(国际电报电话咨询委员会)规定了按键与高、低频组的组合。例如,按下"8"键,发出DTMF信号频率为fL=852 Hz、fH=1 336 Hz.DTMF译码器为SC8870解码器,它将每一个DTMF信号译成一个4位二进制代码输出,16个DTMF信号分别对应0000~ 1111共16个二进制代码。
例如,对CSC5087送出的fL=852 Hz、fH=1336Hz的DTMF信号,SC8870译码后输出"1000"代码,对应按键"8"。
振铃检测电路:当有电话打入时,系统判断振铃的次数,达到预定的次数而电话仍没摘机系统将自动摘机。将电话振铃信号通过光电耦合器TP521输入到AT89C52的TO脚,进行计数,接到振铃信号时,若连续振铃10次后,用户还没有摘机,则自动转到远程语音报警系统,CPU置"1"相应引脚输出信号实现自动摘机功能。若在10次振铃中,主人接通电话,则控制器不响应,这样,就使得控制器与电话互不干扰。摘机后,检测MT8888输出的双音多频信号,又读出用户发来的远程信息,实现远程通信与控制功能。

图6振铃检测与模拟摘机挂机电路
自动摘机挂机:自动摘机是远程报警和接收电话的前提。程控电话交换机判断电话线路是否摘机的根据是回路电流突然增大到30 A左右则认为电话已经摘机,本电路就是据此而设计的。当有报警信号或者外界有电话打人,需要系统摘机接通电话时,单片机P1.7口变高电平,使NPN三极管5551导通,继而5041接通,从而电话回路被接通,实现了自动摘机。当P1.7口变低电平时系统实现挂机。
3.5拨号电路
拨号电路是利用MT8888可实现DTMF的收发和信号音的判断功能。当要发送DTMF信号时,将MT8888设为DTMF发送模式,单片机会把电话号码的每一位发送给MT8888,转变成对应的DTMF信号发送到电话线上,实现自动拨号。各数字对应的双音多频信号如表1所示。
表1数宇一信号频率对照表

在选择突发模式的情况下,每发送一个电话号码,MT8888都可以给单片机产生一个中断信号。图7中的DO~D3接AT89C52的P1.0~P1.3.MT8888的
端与AT89C52的TO连接,
端输出同TONE端输入的正弦波一一对应的方波,记方波的个数即可判断各种信号音。当判断信号音时,MT8888设置为信号音判断模式(CALL模式),然后启动TO计数器
对端输出的信号进行计数,因为回铃音为1 s通4 S断的信号,所以记数时间为5 S,又因为拨号音为450 Hz连续信号,忙音为0.35 S通0.35 S断,如果计数值为350~550(450*1=450)则为回铃音,2 150~2 350(450*5=2 250)为拨号音,计数值1 025~1 225(450*5/2-1 125)为忙音,催挂音为连续的950 Hz的正弦波,所以记数值大于4 000.记数值的范围可以适当调整,本文采用了上下100个误差。

图7拨号电路原理图
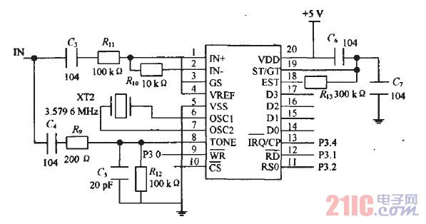
3.6语音电路
语音电路在报警系统中录制和播放用户所要报警的语音信号,这些语音信号可由用户自己预先录制并能随时修改。语音电路主要由单片机89C52和数字音频录放芯片ISDl420构成,原理图如图8所示。
工作原理为当远程语音智能防盗报警系统检测到有人非法闯入时,报警系统发出报警信号,同时单片机通过串行通信数据总线P3.0、P3.1与语音合成芯片ISDl420进行串行通信,控制ISDl420的语音合成(把事先已从外部人为录入的相关单字进行组合)并输出,经三极管放大并经桥式电桥整流后送到电话线上,经交换机交换转接后送至指定话机或手机。

图8语音电路原理图
4结语
本文所设计的基于AT89C52的远程智能语音防盗报警系统利用程控电话网做传输媒体,在出现紧急情况时能及时通知当事人,即便其不在现场附近,也能自动呼叫报警。相比普通的报警系统,本系统将重点放在远程智能语音防盗报警上。另外,通过对其输人端口的扩展,可以组成火灾报警、煤气泄露报警等多功能报警系统,具有重要的现实意义和推广价值。
查看评论 回复









