制作单片机恒温箱的温控系统的方法解析 -
[导读]本设计的主要原理是,单片机实时地将温度传感器所采集的温度值与所设定的恒温值进行比较和处理。从而监控并保持样品容器箱的温度值。本文给出了该系统的方案设计、硬件电路、软件设计、故障排除以及系统调试等内容。
本设计的主要原理是,单片机实时地将温度传感器所采集的温度值与所设定的恒温值进行比较和处理。从而监控并保持样品容器箱的温度值。本文给出了该系统的方案设计、硬件电路、软件设计、故障排除以及系统调试等内容。
本文引用地址: http://www.21ic.com/app/mcu/201206/127665.htm
系统的主要性能指标有:(1)恒定温度值设定范围:20-50℃,最小区分度:1℃;f 2)数码管显示实际温度值,显示范围:0-99℃;最小区分度:0.1℃;(3)温度控制误差:≤4-1℃;(4)显示精度:温度控制的绝对误差≤±3℃.鉴于风扇冷却,环境温度高于20℃.恒温下限相应上移。
一、系统方案设计
本系统是基于经典C51系列单片机的应用开发,集环境温度的信号采集、数据的处理及温度的保持控制等等为一体的数字控制系统。同时,该系统设计有友好的人机交互界面以及简易的设置按键。
系统由如下功能模块组成:MCU模块,显示模块。电源模块,按键设置模块,温度采集模块。
冷却模块以及加热模块。系统方案框图如图1所示。

图1系统方案框
二、元器件选择
本设计的MCU采用sTC89C52单片机;考虑到节省器件使用的需要。温度传感器则采用单总线制的数字温度传感器DSl8820,无需接A,D转换器,采样值可直接送单片机处理,简易方便;系统采用普通单刀继电器HK4100F作为控制开关;两个水泥电阻(10W,10Ω)串联作为加热器件,低压(最高24V)供电,安全可靠;以5V直流供电小型风扇达到降温或使容器受热均匀的目的;采用普通的按键开关,实现恒温温度的可调设置功能;三位一体的数码管实时显示当前容器的温度值,简易低廉,实现了人机交互界面之目标。
三、硬件电路设计
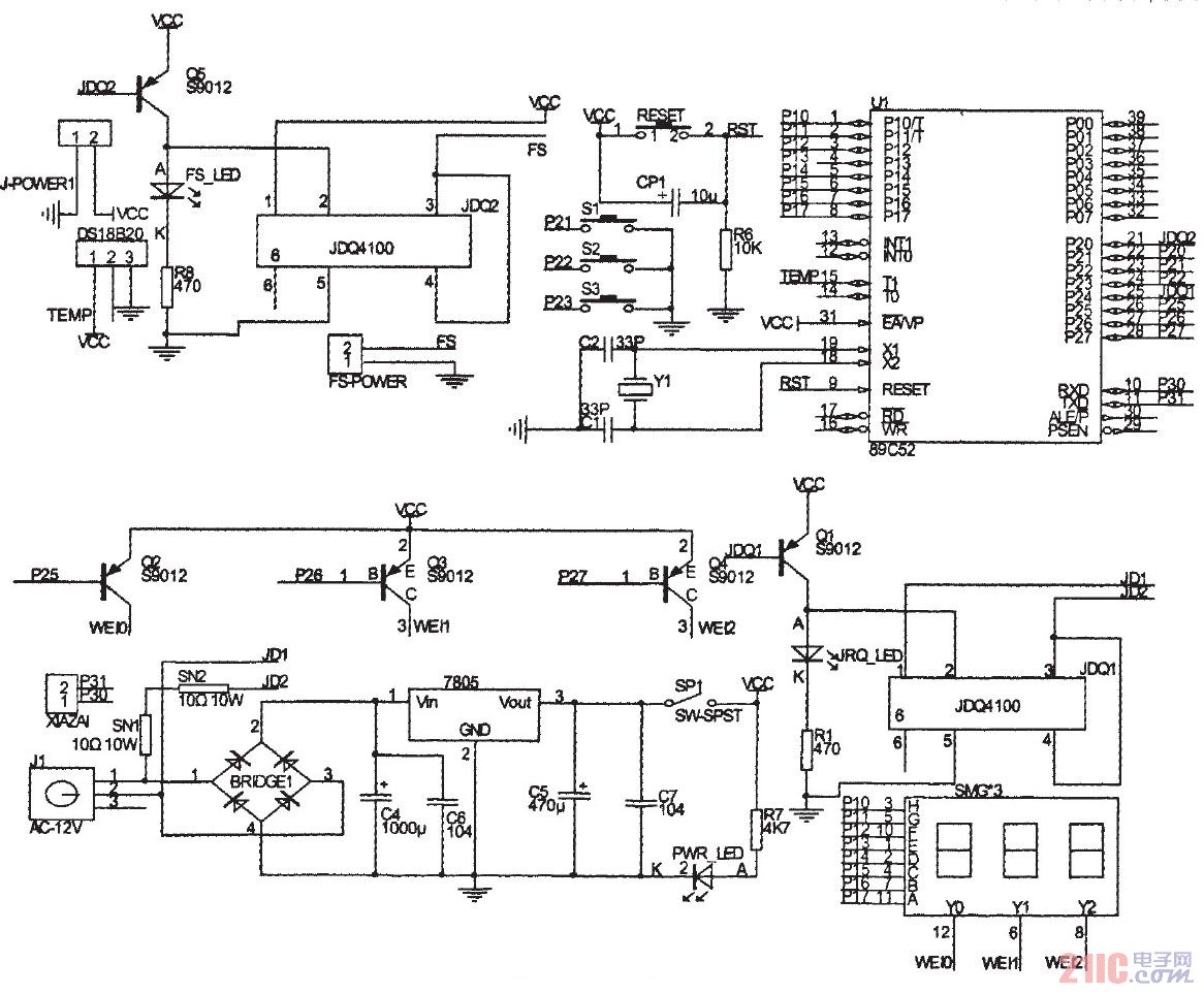
依据系统方案,概述主要模块接口电路;1、电源模块。12~24V交流输入,输入的交流电压为水泥电阻的发出热量提供电能;输入交流电压经整流滤波,接入稳压芯片7805转变为5V直流电压(VCC)以供给MCU及其外设系统使用。
2、显示模块。共阳数码管,段选接MCU I/013的P1组管脚。以9012三极管作为数码管位选开关,位选分别由P2"5、P2"6、P2"7等管脚控制,三位数码管显示当前温度(采样温度)值,其中有一个为小数位。其余两个分别为十位和各位。
3、加热模块。主要根据设定恒温值与采样温度值的比较结果进行工作。即,采样温度值大于设定值时。继电器闭合并接通水泥电阻加热,否则断开。
图2中,JDl、JD2分别接串联水泥电阻及交流电源的一端,该继电器由单片机的P2"4管脚控制。

图2 电路原理图
四、系统软件设计
1、系统软件概述,如图3所示,系统软件主流程是一死循环程序。其主要任务是:
(1)初始化系统。主要完成相关单片机寄存器的配置,初始化全局变量等。
(2)判断。设置按键是否按下".若按下。则转入设置处理。并定时10S,若10S后仍然没有按键按下,则跳出设置处理。
(3)采集温度并处理数据。主要对DSl8820复位并读取数值,对所得数据作相关处理并最终转换为十进制数以便于数码管显示。

图3主程序流程图
2、部分软件程序代码展示。软件的设计,使用Keil C51开发编写软件程序。软件程序主要由主程序,初始化子程序,读取DSl8820传感器数据子程序。温度数据处理子程序,显示子程序。中断定时子程序以及按键设置子程序等组成。由于读取DSl 8820数据的子程序涉及底层硬件接13,故该子程序采用汇编语言编写,除此之外之外。其他全部程序代码采用C语言编写。
主程序:

4、按键设置模块。为了节省材料和硬件资源,系统设计了三个按键,设置恒温值时,一个用于递增输入;另一个用于递减输入;第三个预留。三个按键的一端接地。另一端分别接MCU的P2"1、P2"3、P2"2管脚。
5、冷却模块。安装小型风扇,以5V直流电压供电,以继电器控制风扇的工作状态,以实现智能化控制。主要根据设定恒温值与采样温度值的比较结果进行工作。即当采样温度值大于设定值时,继电器闭合并启动风扇冷却。否则断开。该继电器由单片机的P2"3管脚控制。
6、温度采集模块,温度采集模块。以单总线操作的DSl8820温度传感器作为温度采集器。从温度传感器获取温度值的方法非常简洁,无须接A,D转换器。即可实现对温度测量并将测量数据直接送单片机处理。且可使系统实现温度的巡回测量和显示。其中,温度传感器的数据管脚接单片机的P3"5管脚。
数码管显示程序:

温度控制子程序:

五、PCB设计与硬件焊接
以Altium Designer软件绘制设计系统PCB图。
如图4所示。设计PCB时,主要注意如下问题:1、按模块电路组合排列元器件。即将同一模块的元器件尽量排列在一起,以避免布线繁杂而难以发现检测或排除故障;2、布线时保证安全的线间距,设置好布线规则后。最好手动布线;3、需要与外界连接的接口,一般放在P C B的边缘;4、滤波电容。
需靠近要滤波的器件附件,相互连接的导线不宜过长。否则影响滤波效果。检查确保制成的PCB没有短路、断路以及连错的情况下,将相应元器件焊接于制成的PCB上。

图4PCB图
六、系统调试与故障排除
以万用表检测硬件的连接线路;在保证硬件电路没有短路、断路等问题的情况下。使用宏晶科技单公司所提供的下载软件(如图5所示)。将程序下载到STC89C52RC单片机上。从而进行软硬件结合调试。

图5下载软件界面图
在调试的过程中,遇到如下故障,下载成功并给系统上电,刚开始程序正常运行,具有预期效果--数码管显示出温度值。而不到1分钟。数码管不再显示。此时,用手摸MCU,发现温度正常不发热。按复位键,无效;然后拔掉电源,用万用表测试数码管。数码管完好;后来换了另外一块完好的MCU,问题依然存在;最后着手去查硬件问题,发现MCU复位电路上的电解电容焊接反了,将该电容替换,问题得以解决。用WNY-03型0-1 50℃水银温度计头插入温控样品容器箱,测20℃,30℃,40℃,50℃控制值与实际值的偏差。
七、功能简介
制作成品如6所示。整个系统所具有的功能:(1)具有简易可行的温度采集功能。(2)依据所采集的温度值和设定的恒温值进行对比,并决定对系统环境加热或者冷却实现自动控温。(3)实现对小范围环境(如样品容器箱)的恒温。

图6成品效果展示图
八、小结
本设计以经典的低廉单片机作为微控制器,设计了具有友好人及交互界面、智能化高等特点的温控样品容器箱。另外,需要指出的是。该系统仍然具有完善空间,如选用贴片封装的元器件。半导体制冷器件等。改善软件方面,亦有很大的空间。如程序滤波算法的应用,将进一步减少温度误差。将使该系统控制精度更高、功耗更低。温度控制范围更大。
查看评论 回复









