招聘
导航
论坛
RSS订阅
网站地图
设为首页
加入收藏
匿名投稿
登陆
|
注册
系统
Linux
|
VxWorks
|
UC/OS ii
|
Android
|
uclinux
|
nucleus操作系统
|
minitos
|
armlinux
|
处理器
DSP
|
ARM
|
FPGA
|
SOC
|
嵌入式处理器综合
|
软件
汇编
|
C/C++
|
proteus
|
protel
|
仿真
物联网
相关
GPU
|
资讯
职场
您现在的位置:
主页
>
电源
>
电源管理
> NE555构成的负电压发生电路图 - 模拟电源 -
本文所属标签:
为本文创立个标签吧:
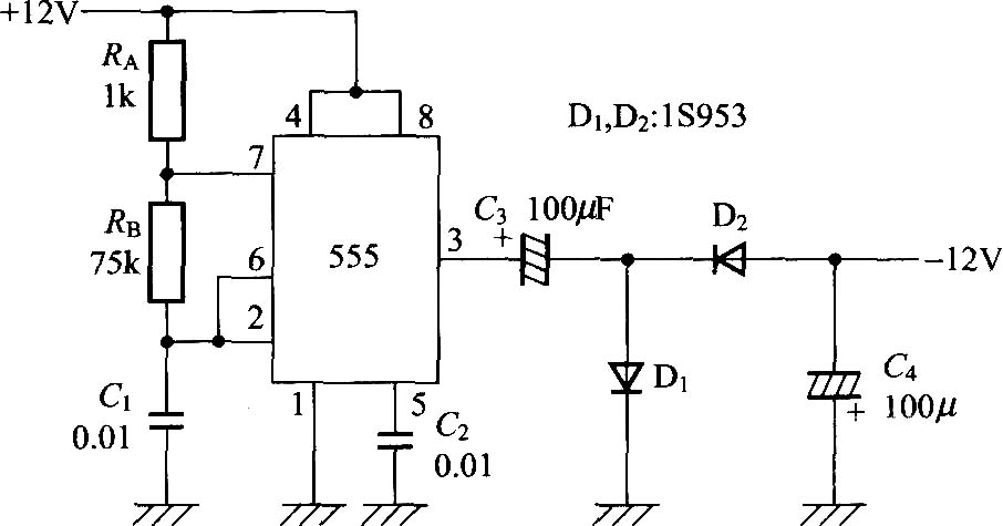
NE555构成的负电压发生电路图 - 模拟电源 -
来源: 网络用户发布,如有版权联系网管删除 2018-09-23
进入嵌入式论坛与网友讨论>>
NE555
构成的
负电压
发生
电路图
查看评论
回复
嵌入式交流网
主页
>
电源
>
电源管理
> NE555构成的负电压发生电路图 - 模拟电源 -
"NE555构成的负电压发生电路图 - 模拟电源 -"的相关文章
上一篇:
正12V电压输入负12V输出的电路图 - 模拟电源 -
下一篇:
使用Timer IC(555)的升压电路图 - 模拟电源 -
RSS订阅
邮件订阅
返回频道首页
返回到首页
热门文章
♦
用数字控制提高无桥PFC性能 - 模拟电源
♦
面向未来推动下一代网络后备电源发展 -
♦
离线式LED驱动器参考设计 - 模拟电源 -
♦
POL电源设计的优化原则 - 模拟电源 -
♦
连续可调稳压电源电路图 - 模拟电源 -
♦
boost变换器 - 模拟电源 -
相关文章
热门文章
基于中颖SH79F081的电源适配器方案 - 模拟电源 -
基于SP6641的手持设备电源设计 - 模拟电源 -
整流二极管在民航接入网电源中的应用改进 - 模拟电源
具最高功率密度的降压稳压器 - 模拟电源 -
自耦变压器的优缺点分析 - 模拟电源 -
PC机电源内部结构分析 - 模拟电源 -
高能效比电容供电电路设计 - 模拟电源 -
功率电感对电源的改善 - 模拟电源 -
基于AVR单片机的中频电源测试系统 - 模拟电源 -
嵌入式系统常规电源设计 - 模拟电源 -
论坛热帖
相关图文
简易数控直流
TTL电源应用
升压式(Boost
初级侧控制IC
镍镉电池监测
50%以上占空
7800跟踪式稳
0.5~10V可调
合肥阳光SN电
网站地图
资讯
|
嵌入式系统
:
Linux
VxWorks
UC/OS ii
Android
uclinux
nucleus操作系统
minitos
armlinux
嵌入式处理器
:
DSP
ARM
FPGA
SOC
嵌入式处理器综合
职场
|
嵌入式仿真
:
嵌入式软件
:
汇编
C/C++
proteus
protel
论坛
|
嵌入式相关
:
GPU
物联网技术
:
广告服务
|
关于我们
|
稿件投递
|
RSS订阅
|
友情合作
|
加入我们
|
网站地图
|
联系我们
Copyright (C) 2010-2018 www.dianzixuexi.com 电子学习网
嵌入式
开发知识-大学生(电子信息)
嵌入式开发
,
嵌入式培训
,
嵌入式学习
第一门户!
围观()