KJ001典型应用电路图 - 模拟电源 -
来源: 网络用户发布,如有版权联系网管删除 2018-09-23
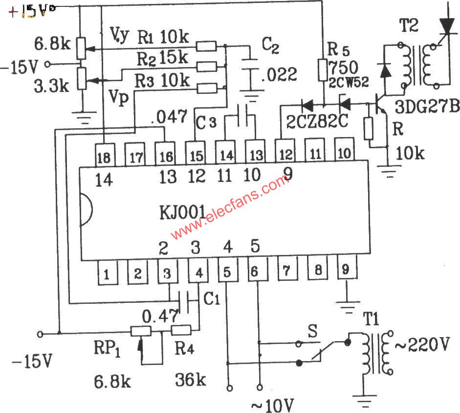
可控硅移相触发器KJOOl主要用于单相、三相半控桥式供电装置中作移相触发器之用它具有温漂小,移相线性好,宽脉冲触发等优点。电参数如下:电源电压:直流+15V,-l5V,允许波动±5%(±10%功能正常)。电源电流:正电流≤15mA,负电流≤10mA。同步电压:交流10V。移相范围:a.≥l50°(同步电压l0V)。b.≥210°(二相同步电压,10V分别输入时)。锯齿波幅度:≥10V(幅度以锯齿波出现平顶为准)。输出脉冲:a.脉冲宽度:l0μs~3.3ms(改变脉宽电容达到)。b.脉冲幅度:>13V(输出接lkfl电阻负载)。c.最大输出能力:l5mA(吸收电流)。d.输出反压:BCceo≥18V(测试条件:Ie≤20衅)。移相线性误差:≤l%。同步输入端反压:≥15V。同步输入端允许最大同步电流:6mA(有效值)。KJ001采用两种封装形式:双列直插l8脚封装和双列直插l4脚封装,如下图所示。




查看评论 回复









