扩频降低EMI的DC/DC稳压器电路设计 - 模拟电源 -
引言
在密集排列的系统电路板上,开关模式DC/DC稳压器具有较低的热耗散。然而,电流的快速切换、定义不完备的布局、电感器等组件的放置和选择使组成的电路有可能成为主要的EMI(电磁干扰)源。此外,当多个DC/DC开关模式稳压器并联潜在的干扰和噪声问题可能恶化。如果所有组件都在类似的频率工作(切换),能量都集中在一个频率上。这种能量的存在可能成为一个隐忧,尤其是当PC板上其余的IC及其它系统电路板互相靠得很近,易受这种辐射能量的影响时。一种解决方案是,将这种能量扩展到很多频率,而不是集中在一个频率,从而降低其幅度和强度。
这种方案采用了一个扩展频谱频率调制(SSFM)时钟。运用扩频方法来降低EMI,旨在使时钟保持运动状态。稳固时钟是一个供相邻器件和符合性测试设备进行锁定的简易目标,并为它们提供在固定时钟频率或其谐波上累积发射信号能量所需的时间。此外,一种特殊的模块化DC/DC开关模式稳压器系统可为密集排列的电路板提供大功率、低热量以及低EMI电源解决方案。使用在一个基片上的模块化和预组装DC/DC开关模式稳压器电路的好处是,通过恰当地接地和最大限度地缩短电流环路,同时在一个宽开关频率范围内工作来优化布局,并实现锁相环功能。就最好结果而言,这类器件应该在一个小的封装中包含所有需要的组件,例如电感器、DC/DC稳压器、MOSFET和补偿电路。
一种利用微型模块(Module) DC/DC开关稳压器(即完整的DC/DC开关稳压器系统级封装)的新技术可实现具低EMI、低输出及输入纹波电流的大电流模块化负载点稳压器。
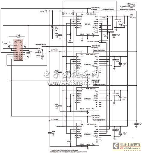
采用4个μModule稳压器提供48A最大输出电流、1.5V输出电压
有些应用集中于用4个并联的μModule稳压器取代单个开关,这将通过多相同步降低峰值开关电流。这些开关是由一个相位变化的时钟从外部驱动的。每个开关的接通时刻之间都是有间隔的,从而在输入中产生均匀的电流分布。在这种大功率系统中,电压纹波降低了。同步并联稳压器的关键优势是,由于消除了输入和输出中的纹波电流,减小了输入和输出电容器的尺寸,从而消除了对大容量电容器的需求。
图1所示的设计原理图中采用了凌力尔特公司最新的多相振荡器LTC6909。这个新振荡器与以前的LTC6902振荡器之间的主要差别是,LTC6902最多有4个输出,而LTC6909有8个输出、8个相位以及卓越的扩展频谱频率调制,这种调制方法有效提高了电磁兼容性能。

同样的设计设置将用作采用LTC6909时的基准。4相并联的μModule系统,在40A时以12V输入、1.5V输出运行,同时它可正常工作的最大电流高达48A。多相同步可降低一些EMI,但可能还不足以满足严格的EMI规范要求。用一个频谱分析仪来检查当前系统的频率谐波。观察到的基频和谐波范围为150kHz~30MHz。分辨带宽是9kHz。结果如图2所示。对单个谐波频率的观察表明当前系统具体的输出值。视具体的EMI要求的不同,这些谐波尖峰可能超过规范要求,无法取得合格证书。

LTC6909上的扩展频谱频率调制通过连续改变μModule的时钟频率,强制辐射能量分散开以改善EMI,防止该能量停留在任何接收器频带内。μModule开关辐射的纹波是产生不需要的频谱谐波的罪魁祸首。LTC6909扩展频谱频率调制功能通过一个伪随机噪声信号,将能量扩展到一个宽的频带上,从而降低峰值电磁辐射,以降低谐波幅度。
用扩展频谱频率调制降低EMI
通过控制MOD引脚,LTC6909可以非常容易地设置扩展频谱频率调制。要启动扩展频谱频率调制,MOD引脚处于浮动状态,一个频率(大约700kHz,由一个电阻器设置)由32个调制速率分频。这是一个中间设置,可以很好地描述扩展频谱频率调制。图3所示为频谱分析仪上的测试结果,可以观察到在谐波频率上有10dB的幅度降低。
令人惊奇的是,对该系统进一步的分析表明,在使用扩展频谱频率调制时,输出纹波没有受到非常大的影响。有和没有扩展频谱频率调制的性能比较如图4和图5所示。比较两图中的峰峰值,观察到的变化是很小的。如果仍不信服,可进行另一个测试-负载瞬态响应测试,以进一步确证。

颇有争议的一点是,由于扩展频谱频率调制的频率不断变化,可能使负载瞬态响应变差。而当20A负载步进时,对输出进行的负载瞬态测试显示,扩展频谱频率调制根本不影响响应时间。响应波形的时间和峰峰值都类似。
结语
在12V输入、1.5V输出、40A、4相μModule DC/DC开关稳压器设计采用扩展频谱频率调制时,可将EMI降低10dB。这一设计降低输出电容器电压额定值、降低纹波和降低EMI。实现扩展频谱频率调制型工作模式。
查看评论 回复









