行波超声电动机驱动电源的设计研究 - 模拟电源 -
摘要:基于行波超声电动机驱动系统的工作原理,利用现代开关电源技术,设计出了一种推挽式智能型高频驱动电源。实验结果表明该电源可自动跟踪电动机的谐振频率,也可较好地满足行波超声电动机的工作要求。
关键词:超声电动机;驱动电源;频率跟踪;脉宽调制
Design of Driving Power Supply for Travelling Wave Ultrasonic Motor
SHI Yi-kai, SUN Peng, LI Duan- lian
Abstract:For practical operation of an ultrasonic motor, a specific and individual power supply is necessary.Based on working principle of driving system of travelling ultrasonic motor, a type of intelligent power supply for used driving ultrasonic motor is designed by use of the modern switching power supply technology.The experiment indicates that power supply not only follows the tracks of resonance frequency of ultrasonic motor, but also meets the working demands of travelling ultrasonic motor.
Keywords:Ultrasonic motor; Driving power supply; Frequency track; Pulse width modulation
超声电动机(USM)是近几年研制开发的一种新型微驱动器。USM突破了传统电动机的电磁耦合概念,而是依靠压电陶瓷的逆压电效应实现能量的传递。USM与传统电动机比较主要特点是体积小、重量轻、不受磁场影响、低速大扭矩[1]。因此,USM在微型机械、精密加工、汽车和机电一体化等领域中有着良好的应用前景。由于USM为容性负载,如何解决USM驱动系统中的电源问题,已引起从事USM研究与应用的科技工作者的广泛关注[2][3]。本文针对行波超声电动机驱动系统的工作原理,采用了先进的开关电源技术,以推挽式逆变器作为主电路,辅以脉宽调制(PWM)控制电路和MOSFET驱动电路,设计了一种新型USM驱动电源[4]。实验结果表明该电源既可满足驱动系统同频同幅、相位差90°的要求,且可自动跟踪USM的谐振频率,具有良好的柔性控制性能。
1 驱动控制系统方案
行波USM不同于传统电动机,为容性负载,负载电压不能突变。为了使行波USM定子弹性产生周向行波,在金属圆板一侧周向部分胶结空间差1/4波长的两组压电陶瓷阵列。当两组相位差90°的交流信号分别加在两组陶瓷阵列时,可在弹性体周围形成移动弹性行波。驱动系统原理如图1所示。其主要由方波发生电路,逆变主电路,频率自动跟踪电路,驱动电路和功率放大电路等部分组成。
图1 行 波USM驱 动 系 统 原 理 框 图
2 驱动电源组成及原理
由驱动系统原理可知,驱动系统要求驱动电源的设计应使压电振子环产生单向行波,且为同频率同幅度互差90°的方波信号,故需要驱动电源有两路输出,电源的频率应与USM的固有频率相一致。USM的固有频率及起振电压的大小则由其几何尺寸决定。根据电源设计要求:输入电压可为220V、频率为50Hz的市电,或者为15V的直流电压;输出电压为240V的方波信号、频率可调节;工作频率为50kHz;功率为100W;适应电动机工作环境和携带方便。本文设计的USM的驱动电源,如图2所示。主要由控制电路、功率驱动电路、逆变主电路、反馈电路和保护电路等部分组成。
图2 驱 动 电 源 组 成 框 图
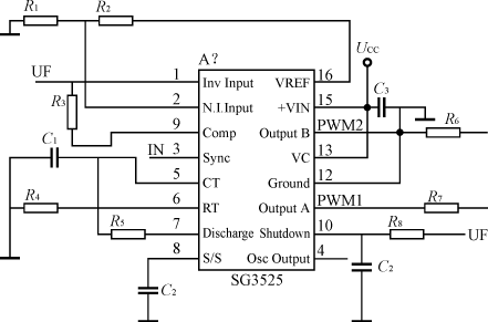
2.1 PWM控制电路
在控制电路规定的周期(频率)范围内,将直流电压调制为等幅不同脉宽的系列交流输出脉冲信号。本文PWM控制电路以两片集成脉宽调制芯片SG3525为核心,辅以部分外围电路构成,如图3所示。所需要的两路信号可控制电动机的正反转,并保持可控的相位关系。当同步输入端没有外部脉冲时,通过CT、RT端的外接电阻、电容可与外部电路构成振荡电路,电源的输出频率为
f=
(1)
式中:C1、R4、R5为振荡器外接电容与电阻。
图3 控 制 电 路 原 理
电路中CT端的放电时间以及死区时间由R5和C1决定。当同步输入端外接输入脉冲时,整个振荡电路完全受此脉冲控制。因此,振荡输出频率与该脉冲则保持一致。本电源将单片机系统产生的方波信号作为外接输入脉冲加在同步输入端,这样电源输出频率可由方波信号控制,以实现频率自动跟踪。
2.2 逆变主电路
逆变电路采用推挽式拓扑结构,使用MOSFET作为开关器件,采用复合式缓冲电路限制电压和电流变化率,如图4所示。
图4 逆 变 主 电 路
在PWM控制电路的控制下开关器件(S1和S2)交替工作,在输出端得到交变电压。扼流线圈L1可防止用占空比D控制时S1、S2的同时关断,有效地提高了电源的稳定性。
关于主电路的效率分析:
忽略MOSFET的开关损耗,并设定D=100%,则开关电源的输入功率PI为
PI=UIII (2)
式中:UI、II分别为开关电源的输入电压和电流。
输出功率PO为
PO=UOIO (3)
式中:UO、IO分别为开关电源的输出电压和电流。
又变压器的变比n为
n≈
(4)
式中:UCES为MOSFT的饱和压降。
则推挽电路的效率η为
η=
=
=
≈
(5)
如果忽略开关的通态损耗,则总开关损耗Δp为
Δp=pr+pf=
=
(UC+2UCES)IC (6)
式中:UC为MOSFET的漏极电压;
tr、tf为脉冲的上升和下降时间。
本文选择tr、tf较小、开关性能较好的MOSFET管,并根据USM的具体要求取D=40%,主电路的效率为75%。
2.3 过电流保护电路
过电流保护电路主要任务是检测输出电流的变化,并将其反馈到SG3525的控制端,在电流较大时可靠关断系统,以避免器件和电动机的损坏。电路原理如图5所示。
图5 过 流 保 护 电 路 原 理
电路中电阻R1、R2对输出进行采样,当电路中电流增大时,采样电压U1随之增大,该信号反馈到3525的输入端,及时调整输出电压UF。输入电压U1为正时,输出电压UF为
(6)
输入电压U1为负时,输出电压UF为
(7)
适当选择各电阻值,过电流时可以可靠地关断控制电路。
3 实验及结语
利用本驱动电源对一台行波USM样机进行了实验。电源频率可由信号控制,其输出电压为240V,峰值电压为248.5V,纹波抑制比为16.51dB。SG3525控制端和电源输出的电压波形,如图6所示。实验结果表明,电源工作可靠,跟踪频率正确,具有较强的抗干扰能力。
(a) SG3525控 制 端 输 出 波 形
(b) 电 源 输 出 电 压 波 形
图6 电 源 输 出 波 形
1)由于本系统采用单片机控制,电源输入的方波信号控制方便,故电源的输出频率可自动跟踪USM的谐振频率。
2)采用8254检测相位差,分辨率达0.1μs,提高了电源的工作精度。
3)电源可实现欠压锁定和软启动,具有较好的防冲击作用也可用于驱动其它大功率的USM。
参考文献
[1] 史仪凯.超声电动机的发展现状及应用前景[J].机械科学与技术,1998,17(4):626-629.
[2] S.Ueha, Y.Tomikawa, M.Kurosawa,N.Nakamwa. Ultrasonic Motors Theory and Application[M]. CLARENDON PRESS. OXFORD,1993.
[3] T.Senjyu, K.Uezato, H.Miyazto. Adjustable Speed Control of Ultrasonic Motors by Adaptive Control[J]. IEEE Trans.On power Electronics 1995.10(5): 532- 538.
[4] 王水平,付敏江.开关稳压电源原理、设计与实践[M].西安电子科技大学出版社,1997.
查看评论 回复









