UPC1099集成电路性能与应用 - 模拟电源 -
摘要:介绍一种脉宽调制集成电路UPC1099。详细讨论了其内部结构,引脚排列,给出了它的参数限制和在75W直流变换器中的应用技术。
关键词:直流变换器;脉宽调制;集成电路
1 引言
目前国内通信系统中使用的直流变换器以75W半砖型的+5V输出最为普遍。它以体积小、散热方便、纹波低、转换效率比较高而得到众多通信设备厂家的认同。这里介绍一种用UPC1099脉宽调制集成电路组成的75W半砖型直流变换电路模块。它的集成电路性能优于其他公司的脉宽调制器。其外围元件少、控制灵活、保护功能齐全、性能可靠、应用方便,是75W直流变换器最佳选择方案。
2 UPC1099集成电路内部方框图和引脚功能
引脚及内部方框图如图1所示,该电路为16引脚集成电路,各引脚功能如下:
图1 UPC1099方框图
脚1为死区时间控制,通过对它的控制可实现软启动功能。
脚2、3为反馈端,用以稳定输出电压。
脚4、5为误差放大器的正负输入端,使用它可以控制电流在给定的范围内。
脚6为信号地。
脚7为过电流关闭端子。
脚8为输出管发射极。
脚9为输出端。
脚10为集电极,一般脚8接地,脚10接集成电路电源。
脚11为集成电路电源端。
脚12为过压关闭端,当输入或输出过压时可控制它闭锁输出,如果需要恢复输出必须使脚12的电压降到+2V以下,并且电源重新启动一次。
脚13为通断控制,用它可实现直流变换的远程遥控。
脚14为电压基准,可供外电路作为参考电压。
脚15、16为振荡频率控制,分别由RT、CT决定。一般CT取100pF~1500pF、RT取3kΩ~51kΩ,其振荡频率控制在50kHz~500kHz内。对于75W变换器中控制
在450kHz~500kHz之间,以降低变压器的尺寸和输出电容的容量。
3 UPC1099的极限值和主要性能指标
1)极限值(Ta=25℃)
——入电压和输出电压26V
——输出最大电流1.2A
——功耗1000mW
——工作温度-20~85℃
——贮存温度-55~150℃
2)封装形式
——UPC1099CX为普通型(DIP)双列直插式(引脚间距2.54)
——UPC1099GS为扁平型(FLAT)宽体表贴式(引脚间距1.27)
3)UPC1099主要电性能
主要电性能如表1所示。
表1 UPC1099主要电性能指标
| 参数 | 测试条件 | 最小值 | 典型值 | 最大值 | 符号 | 单位 | |
|---|---|---|---|---|---|---|---|
| 整体性能 | IC电压 | 11.5 | 15 | 24 | VCC | V | |
| 待机电流 | VCC=8V,-10℃≤Ta≤85℃ | 0.05 | 0.1 | 0.2 | ICC | mA | |
| 工作电流 | VCC=24V,VD=2.7V无负载 | 10 | 15 | ICC | mA | ||
| 基准电压部分 | 输出电压 | IREF=0 | 4.8 | 5 | 5.2 | VREF | V |
| 输入稳定度 | 11.5V≤VCC≤20V,IREF=0 | 1 | 10 | REGIN | mV | ||
| 负载稳定度 | 0≤IREF≤3mA | 6.5 | 12 | REGL | mV | ||
| 温度变化 | IREF=0,-10℃≤Ta≤85℃ | 400 | 700 | VREF/ΔT | μV/℃ | ||
| 输出短路电流 | VREF=0 | 13 | Ishot | mA | |||
| 振荡部分 | 最高频率 | 200 | 500 | fmax | kHz | ||
| 最低频率 | 50 | fmin | kHz | ||||
| PWM比较器 | 输入偏压电流 | VD=0.54VREF-10℃≤Ta≤85℃ | 10 | IB | μA | ||
| 截止电压(低) | 1.5 | VTH(L) | V | ||||
| 截止电压(高) | 3.5 | VTH(H) | V | ||||
| 死区与温度变化 | 3 | ΔDT/ΔT | % | ||||
| 过电压关闭 | 过电压检测点 | -10℃≤Ta≤85℃OVL端子电压=VIN(OVL) | 2.0 | 2.4 | 2.8 | VTH(OVL) | V |
| 输入偏压电流 | 4 | IB | μA | ||||
| OVL解除电压 | 2 | VR(OVL) | V | ||||
| 检测延迟时间 | 750 | TL(OVL) | ns | ||||
| 过电流关闭 | 过流检测电压(+) | -10℃≤Ta≤85℃ | 200 | 220 | 240 | VTH(OCL) | mV |
| 过流检测电压(-) | -230 | 210 | -190 | VTH(OCL) | mV | ||
| OCL端子输出电流 | 250 | IS(OCL) | μA | ||||
| 检测延迟时间 | 150 | TL(OCL) | ns | ||||
4 应用电路
UPC1099的应用电路很广泛,下面以正激变换器电路为例作一介绍。电路如图2所示。输入电压Vs=36~72V,输出电压Vo=+5V,输出电流Io=0~15A。
图2 75W直流变换器电原理图
图中R1、Q1、R2、Q2、C2、C3、R4为启动开关控制电路,同时Q1可防止启动浪涌电流,由于Q1导通电阻很小,其功耗优于晶闸管和晶体管。Co、L1、C1组成EMI电路,防止变换器对电网干扰。R1、R5、R6、D2、D3、C5、C6、Q3是IC1启动工作电路。在电路通电后,D2稳压管给出15V电压,由R6、Q3、C5给UPC1099供电,使变换器输出。此时P2线圈通过D3、C6供给IC1所需的大电流。同时IC1的供电电压是固定的。这样其工作的波纹很平稳,输出噪声很小。C10、R15设定工作频率。脉冲信号通过R7、R8控制Q4振荡工作,经P1至S1副边电压整流滤波输出。双肖特基二极管D4作为副边绕组S1的整流二极管。L2为贮能滤波电感。C12、R17组成滤波器,其中C12为片式特质高分子铝电解电容,它的高频特性相当好,优于多层超陶电容和片式钽电容,400kHz下损耗电阻仅为0.09Ω。输出+5V电压经R26、R27取样与IC2比较通过IC3电压控制电路反馈电压加在误差放大器输入脚2,控制脉宽平稳输出。R11、R12、C8作为死区时间设定,C8也是软启动电容。过电流由串接在Q4源极电阻R9检测,信号经限流电阻R10加到IC1过流端脚7进行保护。
下面按特色功能作一介绍。
1)内部抗干扰吸收网络
图2电路中有多处吸收网络以使整个电路功耗降低,噪声干扰小,避免电路自激。R17、C12为变压器原边P1的吸收网络,减小对MOS管反压过冲和开关功耗。R19、R20、C14、C15为变压器副边S1的吸收网络,减小肖特基二极管的冲击和修整波形,使输出噪声降低。R23、C18、R25、C19为吸收补偿网络使反馈相位更易同步,减小自激。R18、C13为输入输出间吸收网络,可降低输出噪声。Co、L1、C1为EMI电路。
2)平滑防振网络
平滑防振网络主要是保证工作状态下性能稳定。C1、C4为输入滤波平滑电容。C2、C3为启动开关滤波电容及启动延迟。C5、C6、C9为IC1的电源滤波和基准电压滤波。C7、C11对于过压过流起平滑作用。R22防止输出过载时IC2电流过小的偏置网络。R32同理。R28、R29防止空载时自激振荡。R24、D5为启动抗冲击保护电路。
3)保护电路
IC1的脚7为过电流关闭端,当电压达到200mV时,MOS管Q4就会逐渐关断。一旦关断,则脚7电压降到0V。
IC1的脚12为过电压关闭端,输出过压经R30、R31取样与IC4比较放大通过IC5反馈至脚12上,使电流经R16升压,当电压为2.4V时,脚9停止输出,电压马上下降。如果要解除过压关闭则电压必须降至2V以下,而且电源要重新启动(ON/OFF)一次。
4)振荡电路
振荡频率由脚15、16接的R15、C10决定。R15、C10对频率的影响如图3所示。
图3 CT、RT与振荡频率fo的关系
5)线路动态原理设计
(1)浪涌电流的防止
浪涌电流的防止电路由R1、R2、R3、Q1、C2、C3、Q2组成。利用R1对启动电流抑制。R1使48V输入电压的最大启动电流只有4.8A。当C2充电后Q1导通短路R1完成启动。ON/OFF控制端接高电位或悬空为ON,当接低电位(-48V)时即关断变换器。
(2)工作电路的启动及参数的选择
变换器启动电路包括R5、R6、D2、Q3、D3、C5、C6,其中D3、C6只有在启动后作供电用,启动时并不起作用。
当接通电源后,Vs经由R6、Q3向C5充电。在C5的电压没有达到IC1动作电压之前,会有小量的待机电流(ICC)通过UPC1099,大小为0.2mA左右。C5为10μF左右,Vs=48V时,只要0.5s时间就能升到11.5V。电流值为:
i=uc5·C5/Δt=
=0.23mA(1)
该电流应在待机电流以上,到达5mA时IC1动作。由此选择R6为
R6<(2)
式中:Vin(min)为输入最小电压36V;
Vcc为IC1动作开始电压11.5V。
则R6<==
=56.98kΩ
当IC1开始动作,消耗电流为15mA。此时电压持续上升至14.3V,D2导通,使IC1稳定工作,正常工作电流由辅助线圈P2、D3、C6提供,在选择上注意IC1元件的离散性。
(3)IC1软启动功能的实现
为了限制启动电流,必须使ton时间慢慢增加,toff时间逐渐减小,也就是说,导通占空比逐渐增加。同时启动时toff要在某一确定值,即死区时间(Deadtime)之上。IC1的脚1可决定toff的大小,从表1中可知当脚1电压在3.5V以上时toff=100%Ts;2.5V时toff=50%Ts;1.5V时toff=0%Ts。图2中5V参考电压(脚14)经R11、R12分压供给脚1。R11与C8并联,随着C8电容充电逐渐升高,脚1电压逐渐下降,完成软启动过程。经理论计算和实验确定R11为18kΩ,R12为16kΩ,C8为0.2μF。
(4)过电流值的设计
过电流信号由R9上获得,该信号经R10、C7平滑送至过电流关闭端脚7。R10×C7的乘积反映了动作的快慢,选择要适当。由于源极电流的峰值与副边输出电流成正比,也和R9上的电压成正比,既电流保护曲线为递减形。以保护电压为0.22V及R9为0.045Ω时,匝数比为8/2,且效率为81%为例:副边的最大输出电流
Imax=
×
×0.81=15.84A(3)
(5)过电压保护
输出过压保护环节由R16、C11、R30、R31、R32、R33和IC4、IC5等元器件组成。其保护设定由R30、R31取样调定。按一般公式计算为Vomax=2.5×(1+
)。如果要调整则在IC4的基准端并联可调电位器来改变过压保护点
(6)稳压控制原理设计
稳定电压由PWM及反馈电压所组成的环路来保证。在启动后,脚9输出脉冲宽度随脚2反馈的电压作微小的同步快速调整。如果输出电压Vo上升,并联调整器IC2的参考电压上升,IC2的阴极电流加大,光耦IC3反馈,使集电极电流增大,电阻R14上的电压上升,即脚2电位提高,使脉冲宽度变窄把输出电压Vo调回到变化之前的位置上。其计算公式为:
Vo=
×D×Vs(4)
式中:Vo为输出电压(V);
np,ns为原,副边匝数;
D为占空比;
Vs为输入电压。
5 75W直流变换器性能及尺寸
1)主要电性能
主要电性能见表2。
表2 +5V75W直流变换器电性能(Ta=+25℃)
| 参数 | 测试条件 | 最小值 | 典型值 | 最大值 | 符号 | 单位 | |
|---|---|---|---|---|---|---|---|
| 输出电源设定精度 | Vs=48V,Io=15A | 4.95 | 5.05 | Vo | V | ||
| 源效应 | Vs=36~72V,Io=15A | 0.2 | SV | % | |||
| 负载效应 | Vs=48V,Io=0.5~15A | 0.5 | SI | % | |||
| 温度系数 | Vs=48V,Io=15A | ±0.05 | ST | %/℃ | |||
| 输出过压保护 | 关断型 | 110 | 120 | % | |||
| 过流保护 | Vo=48V,自启动 | 120 | 150 | % | |||
| 开关频率 | 450 | 500 | fo | kHz | |||
| 工作壳温范围 | 底板壳温 | -40 | 100 | Ta | ℃ | ||
| 贮存壳温范围 | 底板壳温 | -40 | 125 | T | ℃ | ||
| 纹波噪声 | 100MHz示波器 | 50 | Vop-p | mV | |||
| 效率 | Vo=48V,Io=15A | 81 | η | % | |||
| 输入输出绝缘电阻 | 10 | RI-O | MΩ | ||||
| 遥控关断 | 逻辑低 | 接输入低电平 | 模块“高” | ||||
| 逻辑高 | 悬空或接输入高电平 | 模块“低” | |||||
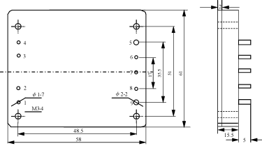
2)外型尺寸
外型尺寸61mm×58mm×15.5mm,外形与外形尺寸如图4及图5所示。其管脚功能如表3所列。
图4 外型图
图5 尺寸图
表3 引脚功能
| 管脚 | 符号 | 功能 |
|---|---|---|
| 1 | +Vi | 正输入 |
| 2 | REM | 遥控端 |
| 3 | CASE | 外壳 |
| 4 | -Vi | 负输入 |
| 5 | -Vo | 负输出 |
| 6 | -S | 遥测负 |
| 7 | TRIM | 调节端 |
| 8 | +S | 遥测正 |
| 9 | +Vo | 正输出 |
3)安装使用注意事项
(1)散热片一定要安装在导热较好的散热器上,以保证满载时工作温度在规定的范围内,若不能满足时可加风冷。
(2)负载比较远时必须使用遥测端,将其接至负载两端,同时加电容滤除噪声干扰。
(3)若输入端距48V供电源比较远时,应在模块附近增加无感电容。
6 结语
通过以上的选择与分析,基本确定UPC1099是75W左右的直流变换器在正激式PWM电路中的最佳选择。同时增加一些元器件可使模块的功能扩大。这里关键性元器件是UPC1099和特质高分子铝电解电容。如果选用更低内阻的MOS管和同步整流可使效率更高,即可以推出更新更好的产品供通讯设备使用。
查看评论 回复









