MAX34561集成自保护/可复位热插拔开关 - 模拟电源 -
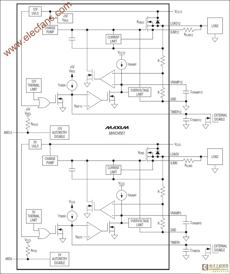
MAX34561是一款双通道的完全集成的,自保护,可复位热插拔开关。该装置降低了对安全插入和对供电的12V和5V的背板卡搬迁所需的元件数量。为了尽量减少解决方案尺寸,简化设计,设备集成到一个封装两个完整的热交换控制器,提供两个电源的完全控制。在12V电源有一个为12V负载68mΩn沟道功率MOSFET和5V电源具有43mΩ的N通道功率MOSFET的5V负载,从而消除了外部MOSFET和控制器需要分开。在目前的系统,需要通过限制在两个12V和5V的轨而设计,设备,如企业级硬盘驱动器,服务器/路由器热插拔应用的理想选择的PCI Express (PCIe的)和InfiniBand应用和基站。
提供坚固的保护,集成功率MOSFET的功率可以与最多值2.0A的连续电流,同样的5V供电负荷从高达4V至5.5V源负载侧从9V至13.2V的来源,连续值2.0A电流。功率MOSFET是积极闭环控制,以确保一个可调电流限制不超过通电时。该器件控制在该电压施加率和无条件地钳位输出电压保持输入过电压从损害负荷压力。该器件提供独立的可调每个负载电定时器,使设备在预定延迟时间才开始应用的电源负载。另外,该设备可以用数字逻辑信号驱动实现外部控制力量使能等。
该设备包含集成与每个功率MOSFET滞后温度传感器。如果工作条件导致功率MOSFET或超过一个内部热限制,两所采取的行动之一是根据不同的引脚选择,要么是无条件的MOSFET关闭和闭锁,同时等待电源上电复位或功率MOSFET的等待,直到该设备具有冷却滞后金额,然后重新启动。
关键特性
全集成为+12 V和+5 V电源热插拔功能的Rails
双通道版本的DS4560
板上功率MOSFET(68mΩ和43mΩ)
没有高功率电阻RSENSE的需要
可调电流限制
可调输出电压摆率
可调电源使能定时
输出过电压限制
在电路板的热保护
板上电荷泵
用户可选择Latchoff或自动重试运行

查看评论 回复









