开关电源的纹波和噪声 - 模拟电源 -
开关电源(包括AC/DC转换器、DC/DC转换器、AC/DC模块和DC/DC模块)与线性电源相比较,最突出的优点是转换效率高,一般可达80%~85%,高的可达90%~97%;其次,开关电源采用高频变压器替代了笨重的工频变压器,不仅重量减轻,体积也减小了,因此应用范围越来越广。但开关电源的缺点是由于其开关管工作于高频开关状态,输出的纹波和噪声电压较大,一般为输出电压的1%左右(低的为输出电压的0.5%左右),最好产品的纹波和噪声电压也有几十mV;而线性电源的调整管工作于线性状态,无纹波电压,输出的噪声电压也较小,其单位是μV。
本文简单地介绍开关电源产生纹波和噪声的原因和测量方法、测量装置、测量标准及减小纹波和噪声的措施。
纹波和噪声产生的原因
开关电源输出的不是纯正的直流电压,里面有些交流成分,这就是纹波和噪声造成的。纹波是输出直流电压的波动,与开关电源的开关动作有关。每一个开、关过程,电能从输入端被“泵到”输出端,形成一个充电和放电的过程,从而造成输出电压的波动,波动频率与开关的频率相同。纹波电压是纹波的波峰与波谷之间的峰峰值,其大小与开关电源的输入电容和输出电容的容量及品质有关。
噪声的产生原因有两种,一种是开关电源自身产生的;另一种是外界电磁场的干扰(EMI),它能通过辐射进入开关电源或者通过电源线输入开关电源。
开关电源自身产生的噪声是一种高频的脉冲串,由发生在开关导通与截止瞬间产生的尖脉冲所造成,也称为开关噪声。噪声脉冲串的频率比开关频率高得多,噪声电压是其峰峰值。噪声电压的振幅很大程度上与开关电源的拓扑、电路中的寄生状态及PCB的设计有关。
利用示波器可以看到纹波和噪声的波形,如图1所示。纹波的频率与开关管频率相同,而噪声的频率是开关管的两倍。纹波电压的峰峰值和噪声电压的峰峰值之和就是纹波和噪声电压,其单位是mVp-p。

图1 纹波和噪声的波形
纹波和噪声的测量方法
纹波和噪声电压是开关电源的主要性能参数之一,因此如何精准测量是一个十分重要问题。目前测量纹波和噪声电压是利用宽频带示波器来测量的方法,它能精准地测出纹波和噪声电压值。
由于开关电源的品种繁多(有不同的拓扑、工作频率、输出功率、不同的技术要求等),但是各生产厂家都采用示波器测量法,仅测量装置上不完全相同,因此各厂对不同开关电源的测量都有自己的标准,即企业标准。
用示波器测量纹波和噪声的装置的框图如图2所示。它由被测开关电源、负载、示波器及测量连线组成。有的测量装置中还焊上电感或电容、电阻等元件。

图2 示波器测量框图
从图2来看,似乎与其他测波形电路没有什么区别,但实际上要求不同。测纹波和噪声电压的要求如下:
● 要防止环境的电磁场干扰(EMI)侵入,使输出的噪声电压不受EMI的影响;
● 要防止负载电路中可能产生的EMI干扰;
● 对小型开关型模块电源,由于内部无输出电容或输出电容较小,所以在测量时要加上适当的输出电容。
为满足第1条要求,测量连线应尽量短,并采用双绞线(消除共模噪声干扰)或同轴电缆;一般的示波器探头不能用,需用专用示波器探头;并且测量点应在电源输出端上,若测量点在负载上则会造成极大的测量误差。为满足第2点,负载应采用阻性假负载。
经常有这样的情况发生,用户买回的开关电源或模块电源,在测量纹波和噪声这一性能指标时,发现与产品技术规格上的指标不符,大大地超过技术规格上的性能指标要求,这往往是用户的测量装置不合适,测量的方法(测量点的选择)不合适或采用通用的测量探头所致。
几种测量装置
1双绞线测量装置
双绞线测量装置如图3所示。采用300mm(12英寸)长、#16AWG线规组成的双绞线与被测开关电源的+OUT及-OUT连接,在+OUT与-OUT之间接上阻性假负载。在双绞线末端接一个4TμF电解电容(钽电容)后输入带宽为50MHz(有的企业标准为20MHz)的示波器。在测量点连接时,一端要接在+OUT上,另一端接到地平面端。

图3 双绞线测量装置
这里要注意的是,双绞线接地线的末端要尽量的短,夹在探头的地线环上。
2 平行线测量装置
平行线测量装置如图4所示。图4中,C1是多层陶瓷电容(MLCC),容量为1μF,C2是钽电解电容,容量是10μF。两条平行铜箔带的电压降之和小于输出电压值的2%。该测量方法的优点是与实际工作环境比较接近,缺点是较容易捡拾EMI干扰。

图4 平行线测量装置
3 专用示波器探头
图5所示为一种专用示波器探头直接与波测电源靠接。专用示波器探头上有个地线环,其探头的尖端接触电源输出正极,地线环接触电源的负极(GND),接触要可靠。

图5 示波器探头的接法
这里顺便提出,不能采用示波器的通用探头,因为通用示波器探头的地线不屏蔽且较长,容易捡拾外界电磁场的干扰,造成较大的噪声输出,虚线面积越大,受干扰的影响越大,如图6所示。

图6 通用探头易造成干扰
4 同轴电缆测量装置
这里介绍两种同轴电缆测量装置。图7是在被测电源的输出端接R、C电路后经输入同轴电缆(50Ω)后接示波器的AC输入端;图8是同轴电缆直接接电源输出端,在同轴电缆的两端串接1个0.68μF陶瓷电容及1个47Ω/1w碳膜电阻后接入示波器。T形BNC连接器和电容电阻的连接如图9所示。

图7 同轴电缆测量装置1

图8 同轴电缆测量装置2

图9 T形BNC连接器和电容电阻的连接
纹波和噪声的测量标准
以上介绍了多种测量装置,同一个被测电源若采用不同的测量装置,其测量的结果是不相同的,若能采用一样的标准测量装置来测,则测量的结果才有可比性。近年来出台了几个测量纹波和噪声的标准,本文将介绍一种基于JEITA-RC9131A测量标准的测量装置,如图10所示。

图10 基于JEITA-RC9131A测量标准的测量装置
该标准规定在被测电源输出正、负端小于150mm处并联两个电容C2及C3,C2为22μF电解电容,C3为0.47μF薄膜电容。在这两个电容的连接端接负载及不超过1.5m长的50Ω同轴电缆,同轴电缆的另一端连接一个50Ω的电阻R和串接一个4700pF的电容C1后接入示波器,示波器的带宽为100MHz。同轴电缆的两端连接线应尽可能地短,以防止捡拾辐射的噪声。另外,连接负载的线若越长,则测出的纹波和噪声电压越大,在这情况下有必要连接C2及C3。若示波器探头的地线太长,则纹波和噪声的测量不可能精确。
另外,测试应在温室条件下,被测电源应输入正常的电压,输出额定电压及额定负载电流。
不正确与正确测量的比较
1探头的选择
图11是用AAT1121芯片组成的降压式DC/DC转换器电路及测量正确和不正确的波形图。若采用普通的示波器探头来测量(如图12所示),由于地线与探头组成的回路面积太大(由剖面线组成的面积),它相当于一根“天线”,极易受到EMI的干扰,其输出的纹波和噪声电压相当大(见图11中右面的示波器波形图中绿色的纹波和噪声波形)。若采用专用的测量探头(如图13所示),它的地线极短,探头与地线组成回路面积较小,受到EMI干扰极小,其输出纹波和噪声波形如图11右面的红色线所示。这例子说明一般通用示波器的探头是不能用的。

图11 AAT1121电路测量波形

图12 用普通示波器探头测得的波形

图13 用专用测量探头测得的波
2 探头与测试点的接触是否良好
以金升阳公司的1W DC/DC电源模块IF0505RN-1W为例,采用专用探头靠测法,排除外界EMI噪声干扰,探头接触良好时,测出的纹波和噪声电压为4.8mVp-p,如图14所示。若触头接触不良时,则测出的纹波和噪声电压为8.4mVp-p,如图15所示。

图14 电源模块IF0505RN-1W测试波形(接触良好)

图15 电源模块IF0505RN-1W测试波形(接触不良)
这里顺便再用普通示波器探头测试一下,其测试结果是纹波和噪声电压为48mVp-p,如图16所示。

图16 电源模块IF0505RN-1W测试波形(普通探头)
减小纹波和噪声电压的措施
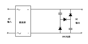
开关电源除开关噪声外,在AC/DC转换器中输入的市电经全波整流及电容滤波,电流波形为脉冲,如图17所示(图a是全波整流、滤波电路,b是电压及电流波形)。电流波形中有高次谐波,它会增加噪声输出。良好的开关电源(AC/DC转换器)在电路增加了功率因数校正(PFC)电路,使输出电流近似正弦波,降低高次谐波,功率因数提高到0.95左右,减小了对电网的污染。电路图如图18所示。

图17 开关电源整流波形

图18 开关电源PFC电路
开关电源或模块的输出纹波和噪声电压的大小与其电源的拓扑,各部分电路的设计及PCB设计有关。例如,采用多相输出结构,可有效地降低纹波输出。现在的开关电源的开关频率越来越高;低的是几十kHz,一般是几百kHz,而高的可达1MHz以上。因此产生的纹波电压及噪声电压的频率都很高,要减小纹波和噪声最简单的办法是在电源电路中加无源低通滤波器。
1减少EMI的措施
可以采用金属外壳做屏蔽减小外界电磁场辐射干扰。为减少从电源线输入的电磁干扰,在电源输入端加EMI滤波器,如图19所示(EMI滤波器也称为电源滤波器)。

图19 开关电源加EMI滤波
2 在输出端采用高频性能好、ESR低的电容
采用高分子聚合物固态电解质的铝或钽电解电容作输出电容是最佳的,其特点是尺寸小而电容量大,高频下ESR阻抗低,允许纹波电流大。它最适用于高效率、低电压、大电流降压式DC/DC转换器及DC/DC模块电源作输出电容。例如,一种高分子聚合物钽固态电解电容为68μF,其在20℃、100kHz时的等效串联电阻(ESR)最大值为25mΩ,最大的允许纹波电流(在100kHz时)为2400mArms,其尺寸为:7.3mm(长)×4.3mm(宽)×1.8mm(高),其型号为10TPE68M(贴片或封装)。
纹波电压ΔVOUT为:
ΔVOUT=ΔIOUT×ESR (1)
若ΔIOUT=0.5A,ESR=25mΩ,则ΔVOUT=12.5mV。
若采用普通的铝电解电容作输出电容,额定电压10V、额定电容量100μF,在20℃、120Hz时的等效串联电阻为5.0Ω,最大纹波电流为70mA。它只能工作于10kHz左右,无法在高频(100kHz以上的频率)下工作,再增加电容量也无效,因为超过10kHz时,它已成电感特性了。
某些开关频率在100kHz到几百kHz之间的电源,采用多层陶电容(MLCC)或钽电解电容作输出电容的效果也不错,其价位要比高分子聚合物固态电解质电容要低得多。
3 采用与产品系统的频率同步
为减小输出噪声,电源的开关频率应与系统中的频率同步,即开关电源采用外同步输入系统的频率,使开关的频率与系统的频率相同。
4 避免多个模块电源之间相互干扰
在同一块PCB上可能有多个模块电源一起工作。若模块电源是不屏蔽的、并且靠的很近,则可能相互干扰使输出噪声电压增加。为避免这种相互干扰可采用屏蔽措施或将其适当远离,减少其相互影响的干扰。
例如,用两个K7805-500开关型模块组成±5V输出电源时,若两个模块靠的很近,输出电容C4、C2未采用低ESR电容,且焊接处离输出端较远,则有可能输出的纹波和噪声电压受到相互干扰而增加,如图20所示。
如果在同一块PCB上有能产生噪声干扰的电路,则在设计PCB时要采取相似的措施以减少干扰电路对开关电源的相互干扰影响。

图20 K7805-500并联
5 增加LC滤波器
为减小模块电源的纹波和噪声,可以在DC/DC模块的输入和输出端加LC滤波器,如图21所示。图21左图是单输出,图21右图是双输出。

图21 在DC/DC模块中加入LC滤波器
在表1及表2中列出1W DC/DC模块的VIN端和VOUT端在不同输出电压时的电容值。要注意的是,电容量不能过大而造起动问题,LC的谐振频率必须与开关频率要错开以避免相互干扰,L采用μH极的,其直流电阻要低,以免影响输出电压精度。


6 增加LDO
在开关电源或模块电源输出后再加一个低压差线性稳压器(LDO)能大幅度地降低输出噪声,以满足对噪声特别有要求的电路需要(见图22),输出噪声可达μV级。

图22 在电源中加入LDO
由于LDO的压差(输入与输出电压的差值)仅几百mV,则在开关电源的输出略高于LDO几百mV就可以输出标准电压了,并且其损耗也不大。
7 增加有源EMI滤波器及有源输出纹波衰减器
有源EMI滤波器可在150kHz~30MHz间衰减共模和差模噪声,并且对衰减低频噪声特别有效。在250kHz时,可衰减60dB共模噪声及80dB差模噪声,在满载时效率可达99%。
输出纹波衰减器可在1~500kHz范围内减低电源输出纹波和噪声30dB以上,并且能改善动态响应及减小输出电容。
查看评论 回复









