线性匹配独立电流源与传统白光LED驱动器解决方案之间的对比 - 模
1 背景
早期的手机均具有较便宜的彩色发光二极管 (LED),用于键盘照明和黑白液晶显示(LCD) 背光照明。在世纪之交,LED 技术的进步实现了手机键盘的蓝白光 LED 照明。白光 LED (WLED) 只不过就是带有特殊涂层的蓝光 LED,从而产生白色光波长。由于 WLED 可以在 LCD 显示器上发射全色光谱,所以 WLED 现在为手机中主要的照明颜色。除了全色 LCD 背光照明以外,WLED 还可用于键盘、轨迹球及控制按钮照明、相机快闪和闪光灯。
第一代 WLED 需要更高的正向电压 (>4.2V) 和电流 (>20mA) 来实现手机应用所需的发光度或亮度。这些电压一般都高于电池电源,并且需要有驱动器IC对LED电源电压进行升压。由于 WLED 所需的电流很高,所以它们通常消耗了移动手持终端中大部分的电池电量。为了降低功耗并延长电池使用寿命,WLED 工艺技术的进步和生产成本的降低带来了更为便宜的 WLED,这种 WLED 只需更少的电流就可产生所需的发光度。在电流更低(<10mA)的情况下,可以以更低的正向电压来实现这些 WLED。
2 TPS7510x:一款线性匹配独立电流源
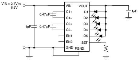
与传统的固定模式和混合模式充电泵和电感升压转换器拓扑结构相比,TPS7510x 的 LDO线性调节器拓扑结构(如图 1 所示)具有更多优点。对于大多数应用而言,TPS7510x 是一款上述解决方案的高效替代解决方案。由于减少或省去了许多外部部件,与其它任何替代解决方案相比,TPS7510x 实现了更多的成本节约。这不但减少了材料清单成本,而且还降低了放置更多组件所需的额外生产成本。

图 1 线性匹配电流源 (TPS7510x)
组件数量减少的另一个优点是实现解决方案尺寸的缩小。由于 TPS7510x 并不需要外部组件,因此整套解决方案的尺寸刚好降至 IC 尺寸的大小,对于采用 WCSP 封装的 IC 尺寸而言为 1.44mm2。TPS7510x 的第三个优点是近乎所有的输入电流(99%)将用于驱动 LED;电流不会在充电泵电容器或升压电感器上发生损耗。这一节能架构使电池放电寿命的平均效率提高了 87% 以上。对于一个额定电压为 3.6V 的电池而言,该解决方案的效率一般都高于 99%。
LDO 拓扑结构最大的一个缺点就是 LED 的正向电压局限于输入电压与压降之差(一般为 30mV,最大值为 100mV)。由于现在有许多白光 LED 可供选择,手机解决方案中使用的 LED 电流电平 (3mA–10mA) 产生的正向电压一般为 3V 或更低,因此这一局限性不再是这一解决方案的一个主要缺点。另外一个被充分证明的缺点就是线性解决方案的局限性,线性解决方案只能应用于并联 LED 结构。串联结构会导致标准单节锂离子电池应用对正向电压提出太高的要求。因此,TPS7510x 解决方案只能用于并联 LED 结构。
3 固定升压充电泵
对于使用一个固定升压充电泵(见图 2)的应用而言,其输出将被升压至一个固定电压,同时 LED 电流经过调节流过每一个电阻器。由于充电泵器件较低的成本,这种方法的成本相对较低,但是 LED 电流匹配和效率可能会很低(电池放电的平均效率为 43%)。充电泵一个比较重要的优点在于其降低了 LED 正向电压对电源电压(数伏电源轨以内)的依赖程度。尽管充电泵能产生足够高的电压来驱动串联的多个 LED,但是其效率非常低且成本高昂,因此这一解决方案一般只限用于并联 LED 结构。

图 2 固定升压充电泵 (REG710)
在此类型的应用中,TPS7510x 不但实现了效率提升,而且还通过减少整体部件的数量实现了成本节约,但是却局限于低于电源电压的正向电压。
4 混合模式充电泵
对于使用一个混合模式充电泵(如图 3 所示)的应用而言,其输出电压经过调节,使每一个 LED 上流过一个恒定电流。由于这一类型解决方案所使用的拓扑结构,这些 IC 的 LED 电流源能实现很好的匹配。但是由于正向电压的不匹配,实际的匹配程度会有所降低。这些电路的效率非常高(电池放电时平均效率为 70%),并且允许正向电压高于输入电压。

图 3 混合模式充电泵 (TPS60231)
在这些应用中,TPS7510x 在成本和效率方面有了极大的改善。充电泵电路一般都需要配置一个或两个开关电容器,以及用于保持稳定性的输入和输出电容器。正如前面所述,TPS7510x 减少了组件数量,从而减小了解决方案的尺寸,同时降低了成本。相对于混合模式充电泵解决方案,线性解决方案的劣势在于 LED 正向电压(净空电压)的局限性。然而,混合模式充电泵解决方案可以和相同 LED 电压很好地匹配;无论 LED 正向电压如何变化,TPS7510x 都可实现完美匹配。
德州仪器电源管理产品部 Mike Gilbert, William Hadden: EDN China
5 电感升压
对于使用(大部分情况下用于驱动一个串联 LED 串)一个电感升压转换器(如图 4 所示)的应用而言,流经 LED 串上每一个 LED 的电流为同等大小(理想电流匹配)。在使用充电泵解决方案的情况下,可以使用正向电压高于电源电压的 LED。在仅有一个 LED 驱动线路可选用的应用中(如翻盖手机的背光照明 LCD 模块),电感升压转换器一般(有时为唯一可选)为最佳解决方案。

图 4 电感升压 (TPS61061)
在由电感开关引起电磁干扰 (EMI) 的其他应用中会出问题,线性 TPS7510x 就是一款高效且噪声极低的解决方案。另外,通过除去电感、输出电容器或反馈电阻器实现的成本节省更具现实意义。
随着白光 LED 在移动手持终端更广范围内的应用,驱动这些 LED 不会再仅仅局限于一款高电压、高电流解决方案。如今,这些解决方案不仅随着这些器件应用的增长而增长,而且还随着这些应用而不断演变。最近问世的更高亮度和更高效率的 LED 可以通过更低的电流来驱动,这也开创了使用线性电流源的新型解决方案。该解决方案实现了最低的成本、最少的组件数量以及最小的外形尺寸,是移动手持终端应用的理想选择。
查看评论 回复









