基于TPS65105的TFT-LCD电源设计方案 - 模拟电源 -
0 引言
TPS65105 是一个混合式DC/DC变换器集成电路芯片。它专门为薄膜式晶体管(TFT)LCD 显示器供电而设计的,针对LCD 的供电要求能够提供三路输出电压。该芯片内部辅助式线性稳压器能够从5 V 的输入电源中为供电系统提供3.3 V的总线电源电压输出。
其内部的主输出Vol 是一个工作频率高达1.6 MHz的固定频率PWM升压式DC/DC变压器,它能够为LCD显示器的驱动源提供一个供电电压。该芯片内部还集成了一个具有不同功率开关电流极限值的DC/DC变换器控制器。TPS65105 的功率开关电流极限典型值为2.3A.集成在芯片内部的完整的电荷泵除输出电压可以调节以外,还可以为LCD正栅极驱动器提供2倍压/3倍压的输出电压。同时内部提供一个负电荷泵控制器,能够为LCD负栅极驱动器提供一路负电压输出。由于电荷泵的开关频率高达1.6 MHz因此所使用的电荷泵电容便可采用价格较低、体积较小的220 nF 的电容。该系列芯片内部集成了一个为了能够为LCD背光板提供供电电源的VCOM缓冲器,一个使用一个外部晶体功率管就能够为数字电路提供3.3 V输出电压的线性稳压器控制器。为了绝对安全可靠的工作,该系列芯片还具有输出过流、过热和短路保护功能,也就是芯片的任何一路输出出现过流、过热或短路时,都会进入关闭模式。该系列芯片还具有关闭模式外部控制、软启动和输出电压检测等功能。
1 主要性能
(1)输入电压范围为2.7~5.8 V;
(2)固定工作频率高达1.6 MHz;
(3)具有三路独立的输出电压;
(4)主输出电压可高达15 V,精度可高达1%以上;
(5)负输出电压为-12 V/20 mA;
(6)正输出电压为30 V/20 mA;
(7)内部集成了一个VCOM缓冲器;。
(8)具有3.3 V辅助输出的线性稳压器控制器;
(9)具有软启动功能;
(10)具有上电顺序控制功能;
(11)具有所有输出故障检测功能;
(12)具有过热保护功能。
2 内部原理方框图
TPS65105的工作原理方框图如图1所示。

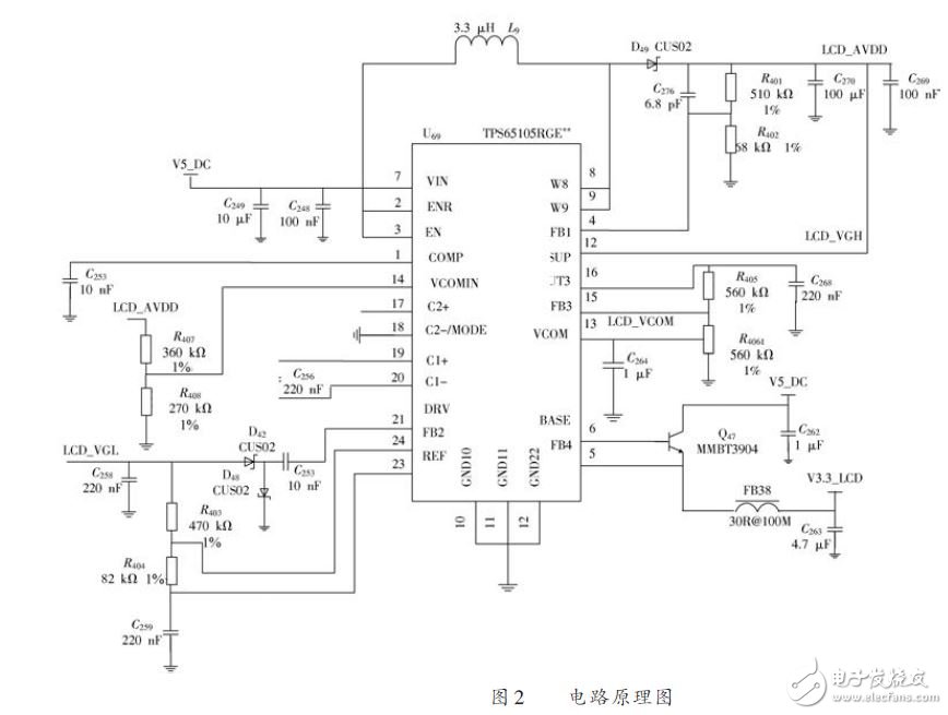
3 电路原理图设计
给出的电路设计如图2所示。

应用电路中的各路输出电压分别可由下列关系式给出:

经过实际测试该设计方案完全满足TFT-LCD的供电要求。
另外值得注意的是TFT - LCD 要求逻辑电压V3.3_LCD要先于各路驱动电压至少200 ms上电,此方案的原始设计是将液晶的逻辑电压采用的系统3.3 V电压。但是系统电压设计的比较复杂,上电速度往往没有TPS65105 的上电速度快。
这样就出现驱动电压比逻辑电压上电快的情况,容易出现液晶工作不稳定的情况。
解决这种情况的办法有两个:
(1)按照文中提出的方案设计,将V3.3_LCD 通过TPS65105输出;
(2) 利用程序控制TPS65105的2脚ENR 和3脚EN,等系统上电成功后再利用CPU 的I/O 口使能TPS65105 工作,这样就不会出现逻辑电压V3.3_LCD 滞后驱动电压的情况了。
4 结语
本文主要是研究TFT-LCD 的电源设计,解决了TPS65105 的上电时序的问题,经过长期连续的实验和测试,本文所提出的基于TPS65105 的TFT-LCD电源设计方案是一个稳定可靠的TFT液晶的电源设计方案。
查看评论 回复









