电压调整模块(VRM)拓扑综述 - 模拟电源 -
1引言
电压调整模块(VoltageRegulatorModule,VRM)是分布式电源系统(DistributedPowerSystem,DPS)(图1)中的核心部件,它紧靠在需要供电的负载旁,可根据不同负载需要独立调节输出电压,实现具有低电压、大电流、高稳定度输出,高功率密度,快速响应等优良性能的高质量电源系统。
根据输入电压的不同,VRM可分为5V、12V、48V输入等不同种类,其相应的电路拓扑有许多不同之处;根据输出和输入间是否隔离,VRM又可分成非隔离型和隔离型两种。目前,VRM较多地采用5V输入电压,但随着芯片负载电流越来越大,今后分布式电源系统中将较多地采用12V或48V总线电压的VRM,经变换输出1V左右电压供给工作站或服务器CPU芯片。
本文对近几年提出的VRM拓扑作一综述,对每一种拓扑的结构、原理和主要特点进行简要介绍,同时介绍了交错并联和内置输入滤波器等新的概念和技术。
2非隔离型VRM的主要拓扑
2?15V输入的VRM拓扑
非隔离型VRM的拓扑基本上是在传统的Buck电路基础上变化或改进得到。图2所示为低压VRM中广泛采用的同步整流Buck电路。由于用低压MOSFET(其通态电阻很小,mΩ级)代替了肖特基(Schottky)整流管,因此可大大降低通态损耗,从而提高低压VRM的效率和功率密度。
同步整流Buck电路中,滤波电感L一般取得较大,以确保负载变化时Buck电路始终工作于电流连续状态,减小输出电流纹波,从而减小滤波电容值,缩小体积,提高电源的功率密度。但在负载瞬态变化过
图1分布式电源系统的一种典型结构[2]
图2同步整流Buck电路
图3QSW工作波形

图4交错连接QSW和消纹波原理
(a)交错连接原理图(b)纹波抵消示意图
程中,过大的滤波电感限制了能量的传输速度,负载瞬态变化所需要(或产生)的能量几乎全部由滤波电容提供(或吸收)。特别在大电流负载情况下,必须增加滤波电容(一般采用多电容并联以减小ESR和ESL),使电源的体积增大,功率密度降低,也增加了产品的制造成本。由此可见,同步整流Buck电路难以满足今后芯片发展对电源的要求。
为了克服同步整流Buck电路在瞬态响应等方面存在的不足,文献[3]提出了一种准方波(Quasi?Square?
Wave,QSW)工作方式的拓扑结构。该电路结构与同步整流Buck电路相同,但其输出滤波电感L远远小于同步整流Buck电路中的L值,使QSW电路的瞬态响应时间很短。从工作波形(图3)可见,开关Q1和Q2均可以实现接近零电压开通,使MOSFET的密勒(Miller)效应影响减小,开关损耗和栅极驱动功耗亦减小[1]。但QSW电路也存在着许多问题,首先由于IL的纹波增大,使流过开关管的电流有效值增大,通态损耗增加;其次需要很大的输出滤波电容滤除纹波;再次大的纹波电流亦使磁性元件的损耗增加,使应用QSW拓扑的VRM总体效率低于同步整流Buck电路[1][3]。
为了减少QSW电路输出电流的纹波,同时又能满足快速瞬态响应的要求,文献[3]提出了一种交错并联技术,将多个QSW电路交错并联起来,达到减小输出纹波电流的目的。图4所示为其原理图和纹波抵消原理示意图。图5所示为多相交错并联QSW的消纹波效果比较。
从图5可以看到,多相QSW电路交错并联,并合理地选取同步整流开关控制脉冲占空比,可以明显减小输出电流纹波,因此可以用比单相QSW电路中小得多的滤波电容,使电路同时满足静态和瞬态变化的要求;交错并联QSW电路不仅可以减小输出电流纹波,同时也减小了输入电流纹波,使输入滤波电容减小,电容所占体积减小,加上整个电路的效率提高,使VRM功率密度提高成为可能。
2?212V输入的VRM电路拓扑
对Buck电路而言,其电压转换比M==D,在输出电压一定的条件下,输入电压越高,则D越小。图6所示为同步整流开关控制脉冲占空比D与输出电压VO之间的关系曲线,可见,当输入电压Vin=12V,输出电压VO=1.0V时,占空比D已小于0.1,过小的占空比将给电路工作和性能带来许多问题[1][4]:
(1)引起不对称瞬态响应,卸载(Stepdown)响应性能远差于加载(Stepup)响应性能,如图7所示。在这种不对称工作情况下,只能根据卸载瞬态响应设计输出滤波器等电路参数,给参数的优化带来很大困难。
(2)引起变换器整体效率下降。整流开关管Q1为硬关断工作方式,在相等的输出平均电流条件下,12V输入电压时的电流纹波比5V输入电压时大许多
图5多相并联QSW的消纹波效果
图6Buck电路占空比与电压间的关系
D1:Vin=5VD2:Vin=12V
图7不对称瞬态响应
图8滤波电感电流纹波
图9抽头电感Buck电路
图10抽头电感Buck等效电路
图11抽头电感Buck的工作波形
图12不同电路占空比比较
M1:n=1M2:n=2M3:n=3
(图8),因此关断时的峰值电流也很大;同时,加在Q1两端的关断电压(Vin-Vout)较大,所以输入电压升高,关断损耗增大,使变换器整体效率下降;对同步整流管Q2而言,起决定作用的是通态损耗。在很小的占空比条件下,电流纹波增大,使流过Q2的电流有效值较大,同时由于Q2导通时间很长,所以Q2的通态损耗增大,也使变换器整体效率下降。
(3)由于开关管控制脉冲占空比很小,因此多相交错并联所产生的消纹波效果不显著。当输入电压Vin=12V,输出电压VO=1.5V时,占空比D=0.125,从图5可以看到,四相交错并联后的纹波只消除了大约40%。若输出电压进一步降低,则消纹波效果还要差。消纹波的效果越差,意味着为满足瞬态响应性能指标所加的输出滤波电容越大,这是我们所不希望的。
存在以上这些问题的主要原因是在输入电压为12V或更高时Buck电路的占空比D过小,因此解决问题的思路就是如何设法增大D。文献[1]和[4]中介绍了一种称为抽头电感Buck电路,其电路、等效电路及其工作波形分别如图9、图10及图11所示。![]()
抽头电感Buck电路的电压转换比M==,通过设计抽头电感的匝比“n”,可将开关脉冲占空比D扩展至一个较合理的值。图12为抽头电感Buck电路和传统Buck电路(n=1)的比较,从图中可见,当输入电压Vin=12V,VO=1.5V时,中间抽头电感(n=2)Buck电路的开关脉冲占空比D已扩展至0.222,接近传统Buck电路的2倍。
由于开关脉冲占空比D的扩展,使抽头电感Buck电路的许多性能优于传统Buck电路:
①适当选取匝比n(n在2与3之间),可获得对
图13开关电压应力与匝比的关系
图14开关电流应力与匝比的关系

图15有源箝位耦合Buck电路及工作波形
(a)有源箝位耦合Buck电路(b)工作波形
称的瞬态响应性能,有利于效率的优化。
②抽头电感Buck电路中,开关Q1的主要损耗仍是其关断损耗,但比传统Buck电路中Q1的损耗小,从而改善了电路的效率。这是因为,Q1电流的纹波较小,在相同的平均输入电流时,Q1的峰值电流较传统Buck电路时小得多,因此减少了Q1的关断损耗。
③由于Q1脉冲占空比D的扩展,使交错并联的消纹波效果更加显著。对n=2的抽头电感Buck电路,从图12可见其Q1脉冲占空比D从0.125扩展至0.222,从图5可以读出其纹波消除已达85%,可使输出滤波器更小,损耗更低。
当然,抽头电感Buck电路也有其不足之处:
①开关Q1的电压应力随n的增大而增大,如图13所示(Vin=12V,VO=1.5V);由于耦合电感存在漏感,使Q1关断时承受很大的电压尖峰(图11)。因此必须选用较高耐压的MOSFET,而高压MOSFET的通态电阻往往较大,使Q1的通态损耗增大。
②开关Q2的电流应力随n的增大而增大,如图14所示(Vin=12V,VO=1.5V,IO=50A),因此不希望取很大的n。
从上面分析可以看到,抽头电感Buck电路是12V输入VRM的一个较好的拓扑结构,但由于存在很高的尖峰电压使它难以被实际采用。文献[1][4]提出了一种有源箝位耦合Buck电路,可以解决上述尖峰电压问题,其电路拓扑和工作波形如图15所示。
有源箝位耦合Buck电路的电压转换比M
=
=,当Vin=12V,VO=1.5V,n=2时,D=0.285,比中间抽头电感(n=2)Buck电路(D=0.222)还大,可以进一步改善电路的工作状况;由于箝位电容作用,开关的电压应力被箝位在2(Vin-VO),不随n变化,在12V输入时约为20V,因此可以选用广泛使用的耐压30V的MOSFET作为开关管,使成本和损耗降低;此外,变换器的输入电流是连续的,因此可减小输入滤波器的尺寸。
有源箝位耦合Buck电路可以解决抽头电感Buck电路中由于漏电感所产生的尖峰电压问题,同时改善或保持了抽头电感Buck电路的优点,是12V输入VRM较好的一种拓扑,将它与交错并联技术和集成磁(IntegratedMagnetics)技术结合起来,可以实现具有高效率,快速瞬态响应性能的12V输入VRM。但该电路拓扑仍有不足之处,从图15的工作波形可以看到,有源箝位耦合Buck电路的输入电流存在较严重的突变,即某些时段的di/dt较大。因此,必须在有源箝位耦合Buck电路的输入端加滤波电路;同时,该拓扑的输出端也存在电流突变问题,使输出滤波电容的电流有效值增加,效率降低,使用寿命缩短;由于滤波电容等效串联电感(ESL)的存在,输出电流的突变还会引起输出电压的开关噪声。
图16内置输入滤波器的有源箝位耦合Buck电路

图17传统推挽变换器及其主要工作波形
(a)传统推挽变换器电路(b)工作波形
为了解决上述电流突变问题,文献[5]将内置输入滤波器概念[6]引入至上述有源箝位耦合Buck电路中,提出了改进的有源箝位耦合Buck电路,如图16所示。
由于箝位耦合电容CS与漏感所形成的输入滤波器作用,使输入电流和输出电流的变化比较平缓,因此可大大减小外加输入滤波器的尺寸,甚至可以不要外加滤波器而直接利用内置滤波器,从而减少元件的数目。
3隔离型VRM的主要拓扑及性能比较
随着计算机芯片对电源容量和瞬态响应要求的不断提高,现在被广泛采用的低压(如5V)分布式电源系统将难以满足要求,会逐渐被高压(如48V)分布式电源系统所取代。与低压分布式电源系统相比较,高压分布式电源系统有许多显著优点[7]。
从前面的讨论我们知道,低压VRM的电路拓扑很难被应用到高压VRM中。因此高压VRM一般采用具有降压变压器的隔离型电路拓扑,降压变压器起着降压和隔离双重作用。
对低压大电流输出VRM而言,副边变换器的功率损耗对整个电路的效率起着主要作用,因此,为提高电路的转换效率,必须努力降低副边变换器的损耗,特别是整流器损耗和变压器的绕组损耗。用同步整流器(低压MOSFET)替换肖特基整流器可以减少整流器损耗;而降低变压器的绕组损耗必须努力减小副边绕组电阻和流过的电流有效值。合理选择绕组和变压器结构可以减小绕组电阻,采用倍流器(Current?Doubler)拓扑可以减小副边电流的有效值[8]。与倍流器输出相适应,变压器原边一般采用具有对称工作方式的推挽变换器、半桥变换器和全桥变换器。
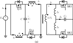
图17所示为倍流整流电路(CurrentDoublerRectifier)输出的传统推挽变换器及其主要工作波形。
传统推挽变换器的最主要问题是当开关管关断(对Q1而言,t=ton)时,变压器的漏感产生很大的尖峰电压加在管子两端,这与反激变换器的工况相同。为了解决这一问题,文献[7]提出一种新型的推挽正激(Push?PullForward)变换器,其原理图和主要工作波形如图18所示。

图18推挽正激变换器及其主要工作波形
(a)推挽正激变换器电路(b)工作波形
图19改进型推挽正激变换器电路
与传统推挽变换器电路相比较,推挽正激变换器电路中引入了一个箝位电容C。在t=0~ton期间,Q1导通,Q2截止,输入电压Vin通过Q1加在绕组1上,而电容C上的电压VC(等于Vin)则加在绕组2上,这时电路就象是两个正激电路并联工作。当Q1关断后,漏感电流使Q2的反并二极管导通续流,而电容C将开关管Q1的端电压箝位在2Vin,因此可以选用额定电压较低的开关管以降低通态损耗。
该推挽正激变换器为一个二阶系统,其控制较简单,瞬态响应快;它具有较高的转换效率,而且变压器和电感可以很容易集成在一起[9],从而大大提高变换器的功率密度。
最近,文献[10]将内置输入滤波器概念[6]引入至推挽正激变换器中,提出了改进型推挽正激变换器,如图19所示。这一新拓扑中的开关电流和绕组电流与推挽正激变换器中的相同,但输入电流却几乎是平坦的,这是由于输入电流同时流过两个绕组且有纹波抵消作用,这正是内置输入滤波器的作用[6]。改进型推挽正激变换器的输入滤波器尺寸可以大大减小,或直接利用变压器的漏感作为输入滤波器,且可与其它磁元件集成在一起,使变换器的效率得到大大提高[10][11]。
4结语
VRM拓扑有许许多多,每种拓扑有其特点和适用的工况。将准方波工作方式的同步整流Buck电路交错并联,可大大降低输出电流纹波,从而减小输出滤波器的尺寸,同时满足快速动态响应和高效率、高功率密度的要求;通过自耦合电感,可以拓展整流开关管的占空比,改善电路的瞬态响应性能,提高变换器整体转换效率;有源箝位电路可以抑制漏感引起的尖峰电压,减少开关器件的电压应力,同时亦可降低电路损耗;将内置输入滤波器概念引入VRM拓扑中,并利用集成磁技术,可进一步改善电路工况,减小滤波器尺寸。
目前VRM拓扑结构改进或新拓扑结构的提出,其基本思想是如何满足VRM高效率、高密度和快速瞬态响应的要求,同时非常重视包括磁集成技术在内的集成封装技术的运用,并将能否采用集成技术作为判断拓扑结构性能优劣的一个重要因素,因此这应成为我们今后研究VRM技术的努力方向。
查看评论 回复









