SPEIC转换器的设计 (含电路图) - 模拟电源 -
1、介绍
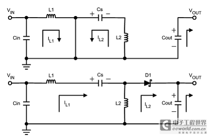
在SPEIC(单端初级电感转换器)设计中,输出电压可以低於或者高於输入电压。图1所示的SPEIC使用两个电感L1和L2,这两个电感可以绕在同一个磁芯上,因为在整个开关周期内加在它们上面的电压是一样的。使用耦合电感比起使用两个独立的电感可以节省PCB的空间并且可以降低成本。电容Cs把输出和输入进行绝缘并且为负载短路提供保护。图2和图3是SPEIC的电流流动方向和开关波形。

图1、SPEIC的结构
图2、SPEIC电流流向(上∶Q1处於开期间;下∶Q1处於关期间)
图3、SPEIC的开关波形(VQ1∶Q1漏源电压)
2、电感的选择
使纹波电流峰峰值为最小输入电压时最大输入电流的40%是一个确定电感值的好方法。在数值相同的电感L1和L2中流动的纹波电流由下面公式算出∶

电感值由下式计算∶

Fsw为开关频率,Dmax是最小Vin时的占空比。维持电感发挥作用的电感峰值电流还没有饱和,可由下式计算∶


如果L1和L2绕在同一个磁芯上,因为互感作用上式中的电感值就可用2L代替。电感值可这样计算∶

3、功率MOSFET的选择
最小阈值电压Vth(min)、导通电阻RDS(ON)、栅漏电荷QGD和最大漏源电压VDS(max)是选择MOSFET的关键参数。逻辑电平或者子逻辑电平阈值MOSFET应该根据栅极电压使用。峰值开关电压等於Vin+Vout。峰值开关电流由下式计算∶
![]()
流过开关的RMS电流由下式给出∶

MOSFET的散耗功率PQ1大概是∶

PQ1,MOSFET总的功耗包括导通损耗(上式第一项)和开关损耗(上式第二项)。Ig为栅极驱动电流。RDS(ON)值应该选最大工作结温时的值,一般在MOSFET资料手册中给出。要确保导通损耗加上开关损耗不会超过封装的额定值或者超过散热设备的极限。
4、输出二极体的选择
选择能够承受峰值电流和反向电压的二极体。在SPEIC中,二极体的峰值电流跟开关峰值电流IQ1peak相同。二极体必须承受的最小反向峰值电压是∶
![]()
跟升压转换器相似,二极体的平均电流跟输出电流相同。二极体的功耗等於输出电流乘以二极体的正向压降。为了提高效率建议使用肖特基二极体。
5、SPEIC耦合电容的选择
SEPIC电容Cs的选择主要看RMS电流(有效电流),可由下式得出∶

SEPIC电容必须能够承受跟输出功率有关的大有效电流。这种特性使SEPIC特别适用於流过电容的有效电流(跟电容技术有关)相对较小的小功率应用。SEPIC电容的电压额定值必须大於最大输入电压。钽电容和陶瓷电容是SMT的首选,它们具有很高的额定有效电流值,额定有效电流值跟电容的尺寸有关。穿心电解电容尺寸不受限制并且能够提供需要的额定有效电流,也比较好用。
Cs的纹波电压的峰峰值可以这样计算∶
(1)
满足需要的有效电流的电容在Cs上一般不会产生太大的纹波电压,因此峰值电压通常接近输入电压。
6、输出电容的选择
在SEPIC中,当电源开关Q1打开时,电感充电,输出电流由输出电容提供。因此输出电容会出现很大的纹波电流。选定的输出电容必须能够提供最大的有效电流。输出电容上的有效电流是∶
(2)
图4、输出纹波电压
ESR、ESL和大容量的输出电容直接控制输出纹波。如图4所示,假设一半纹波跟ESR有关,另外一半跟容量有关,因此


输出电容必须满足有效电流、ESR和容量的需求。在表面贴装应用中,建议在输出端采用钽电容,聚合物电解电容和聚合物钽电容或者多层陶瓷电容。
7、输入电容的选择
跟升压转换器相似,SEPIC的输入端有个电感,因此输入电流的波形是连续的三角形形状。电感保证输入电容上仅有很低的纹波电流。输入电容的有效电流这样计算∶

输入电容必须能够承受有效电流。在SEPIC应用中虽然对输入电容的要求不是很严格,但是用10uF或者更大的电容可以使电路免受输入电源内阻的影响。
7、SEPIC设计示例
输入电压(Vin)∶3.0V-5.7V
输出电压(Vout)∶3.3V
输出电流(Iout)∶2A
开关频率∶330KHz
本例中使用LM3478控制器。电路图如图5所示。

图5、原理图
第一步∶占空比计算 假设VD为0.5V,

第二步∶电感计算输入电感L1的纹波电流是∶

L1和L2的电感值是∶

最靠近标准值的是4.7uH。输入电感的峰值电流是∶

L2的峰值电流是∶

第三步∶选择功率MOSFET
MOSFET的峰值电流是∶
![]()
有效电流是∶

MOSFET的额定漏极电压必须高於Vin+Vout。设计中选择了Si4442DY(RDS(ON)=8mΩ,QGD=10nC)。LM3487的栅极驱动电流Ig为0.3A。估计功耗为∶

第五步∶选择SEPIC耦合电容
Cs的有效电流是∶

纹波电压是∶
选择10uF陶瓷电容。
第六步∶选择输出电容输出电容的有效电流是∶

假设纹波是输出电压3.3V的2%,输出电容的ESR为∶

容量是∶

使用两个100uF(ESR为6mΩ)陶瓷电容。对成本要求高的应用可以用一个电解电容和一个陶瓷电容代替。对杂讯要求严格的应用可以加一个二阶滤波器。
第七步∶选择输入电容
输入电容的有效电流是∶

第八步∶回馈电阻,电流感测电阻计算和频率设定电阻分压器中,R1是上电阻,R2是下电阻。回馈参考电压是1.26V。如果R1=20KΩ,那麽∶

LM3478触发电流保护电路的阈值电压是120mV。120mV补偿斜率电压降後大约为75mV。因此感测电阻值是∶

工作频率为330KHz时Rf大约为50KΩ。
第九步∶补偿设计
在对峰值电流模式控制的SEPIC转换器的输出传输函数的处理中,负载极点估计为1/(2πRLCout);输出电容的ESR零点是1/(2πESRCout),这里RL是负载电阻,Cout为输出电容,ESR是输出电容的等效串联电阻。同时有一个右半平面零点(fRHPZ),由下式求得∶

同时也发现在振幅图中SEPIC电容Cs和电感L2构成的网路的振荡频率处有小干扰∶

交叉频率是fRHPZ或者fR的六分之一,不管哪个都比较低∶

Cc1、Cc2和Rc构成一个补偿网路,在1/(2πRcCc1)处有一个零点,原点处有一个极点,另外一个极点在1/(2πRcCc2)处。
Vref是1.26V的参考电压,Vout是输出电压,Gcs是电流感测增益(大约是1/Rsn)100A/V,Gma为误差放大器的跨导(800uΩ)。Rc用来设定希望的交叉频率。

Cc1用来设定补偿零点到1/4交叉频率

1/(2πRcCc2)处的极点是为了消去ESR零点1/(2πESRCout),

查看评论 回复









