您现在的位置: 主页 > 电源 > 电源管理 > 12v-80v/10A直流电压变换器电路 - 模拟电源 -
本文所属标签:
为本文创立个标签吧:

12v-80v/10A直流电压变换器电路 - 模拟电源 -

来源: 网络用户发布,如有版权联系网管删除 2018-09-23 

12v-80v/10A直流电压变换器电路

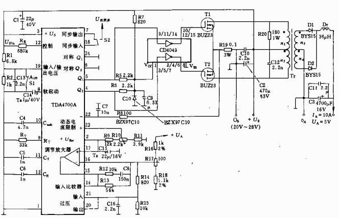
该推挽式变换器电路采用两个SIPMOS晶体管BUZ41A和一片集成电路TDA4718用作舰船电网用电源,变换器输入侧和输出侧隔离。工作频率50KHZ,效率为75%,供电电压可在56-100V之间变换。输出经变压器变为12V,再经D10,D11全波整流器,最后经输出滤波器Dr1,C20,C19平滑成直流。



              查看评论 回复



嵌入式交流网主页 > 电源 > 电源管理 > 12v-80v/10A直流电压变换器电路 - 模拟电源 -
 

"12v-80v/10A直流电压变换器电路 - 模拟电源 -"的相关文章

网站地图

围观()