低压差、高效率稳压可调电源电路 - 模拟电源 -
来源: 网络用户发布,如有版权联系网管删除 2018-09-24
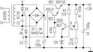
电路见下图。它是利用倍压整流电路来提供驱动电路所需的工作电压,使调整管(BG1)两端电压差降低到接近它的饱和压降,从而使调整管功耗降低,大大提高了稳压器的效率。

常规串联型稳压电源的不足之处,在于调整管的驱动工作电压必须高于输出电压,这就导致调整管c、e极压差较大,因此损耗相当一部分的电源功率,降低了效率。例如某黑白电视机的12V稳压电源输出电流为1A左右,调整管压降为7.5V,则调整管上功率损耗达7.5W。不但效率较低,而且成为一个热源,要用大面积散热器对调整管进行散热。针对以上不足,笔者设计了一个高效串联型稳压电源,供大家参考。
为了提高电路效率,E点电压取得较低,一般比输出电压V0高出1V即可,但是必须做到交流电源电压最低时也得保证VE>V0+1V,否则不能获得额定输出电压。
查看评论 回复









