SA828在航空电源中的应用 - 模拟电源 -
摘要:阐述了以SA828为核心组成的航空逆变电源的设计,通过对SA828生成SPWM信号的原理进行分析,详细讨论了硬件和软件的设计方法。功率为4kW的样机证明,效果良好。
关键词:逆变电源;集成电路SA828;正弦脉宽调制
1 引言
航空电源一般都是将直流或交流(380V/50Hz)电逆变成交流115V/400Hz电源,以供雷达、飞机等设备使用。完成该变换的方法有多种,但由于其生成SPWM信号较复杂,造成航空逆变电源的整体性能下降,并易出现变压器偏磁和输出谐波含量大的缺陷。而采用大规模数字集成芯片SA828,通过单片机与SA828的接口生成SPWM信号,则不需改变外围电路就能重新设置载波频率、调制频率、死区时间,从而减小了硬件开发周期,使生成信号简洁可靠,避免了分立元器件的离散性,提高了输出波形的品质因数。它克服了HEF4752调制频率低,SLE4520单边调制产生波形不对称的缺点,是SA818、SLE4520、HEF4752等波形发生器的理想替代品。
2 系统结构与信号生成
2.1 原理结构图
系统结构如图1所示。主电路主要完成整流逆变功能。不可控整流电路对输入电网电压直接整流,通过LC滤波电路,产生平滑的高压直流。逆变电路采用SPWM,滤除高频谐波,经变压器隔离,输出理想正弦波。电压、频率信号通过A/D转换后,数据经CPU处理,送到SA828控制寄存器,产生SPWM信号,通过改变SA828控制寄存器输出,实现调频调压的功能。
图1 系统原理框图
2.2 SA828功能简介
SA828是MITEL公司近年来推出的三相SPWM电机控制数字集成芯片,它可以实现全数字化三相逆变器所需要的6路SPWM控制信号,属于规则采样双边调制波,很适合用于输出为正弦波的逆变电源。该芯片双列直插式28引脚如图2所示。该系列有SA828-1、SA828-2两种型号产品,有关寄存器各状态位的功能以及各寄存器的使用方法参阅文献[1]。基准正弦是存储在SA828内部的ROM正弦表。当写完初始化数据后,立即生成0°-90°的正弦波。该正弦波通过相位与控制逻辑拓展形成三相6路SPWM信号。该信号再经过取消窄脉冲电路,送到脉冲延迟电路,生成死区时间,然后送到各引脚出口。于是由内部硬件直接产生SPWM信号,这样保证SPWM信号生成的可靠性。

图2 SA828引脚示意图
2.3 硬软件设计
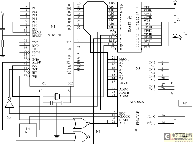
采用AT89C51单片机与SA828配合来生成SPWM信号,这样外围的硬件结构比较简洁。由于ADC0809片内无时钟,单片机时钟为12M,从ALE引脚输出为4分频后满足ADC0809对时钟频率的要求。对电压和频率调节的处理采用中断方式,当启动ADC0809后,由IT1来捕获中断信号,经8个时钟周期后,转换结束,CPU取走存入ADC0809内部三态锁存器中的数据。
SA828的SETTRIP为外部故障电路的输出端,一旦任意一电路出现故障时,保护电路对SA828的6路SPWM信号进行封锁,这样能很快封锁驱动信号,保护功率单元器件。整个核心硬件原理图如图3所示。
图3 硬件原理图
2.4 关键参数的设置
载波频率的设计关系到滤波电路体积大小、功率模块损耗及输出波形品质。为了上下兼顾,取载波频率fCARR=11.7kHz,由式(1)得则n=2,为了满足频率可调(400±30Hz),调制频率下限为零,只需设置最高即可,若m=16,由式(2)调制频率范围为0~488.2Hz。
fCARR=
(1)
fRANGE=
×m(2)
式中:K为系统时钟;
fCARR为载波频率;
fRANGE为调制频率范围;
m的范围为2(0-6);
n为分频比,与SA828寄存器R1的载波频率选择字CSS状态位相对应,其范围为2(0-5)。
死区时间tpdy是为了避免上下臂直通而设置的延迟时间,其关系如图4所示。有些窄脉冲可能引起功率管来不及开通,却要立即关断,因而设置脉冲取消时间tpd。输出SPWM信号与脉冲取消时间tpd如图5所示。脉冲取消时间tpd=输出最小脉宽+tpdy;例如,输出最小脉宽为4μs,tpdy=4μs时,则tpd=8μs。完成初始化编程后,其中R0、R1、R2三寄存器状态为D0H、81H、28H。
图4 脉冲死区时间
图5 脉冲取消时间
SA828的初始化程序为
MOV DPTR ,#0FD00H
MOV A ,#0D0H ;8μs
MOVX @DPTR ,A
INC DPTR
MOV A ,#81H ;11.7kHz,488Hz
MOVX @DPTR ,A
INC DPTR
MOV A ,#28H ;4μs
MOVX @DPTR ,A
INC DPTR
INC DPTR
MOVX @DPTR,A ;R4
对调压调频的控制,为了简化程序算法,缩短软件时间开销,采用查表的方式。其A/D转化的数值作为查表的地址。对于频率地址,首先对采样数据进行压缩后,满足所有数据在(350~488)Hz范围内,并使之在(370~430)Hz内具有良好的线性度和可调精度。调压调频根据式(3)、(4)进行计算。
fpower=
×pfs(3)
式中:fRANGE为频率采样值;
pfs为SA828寄存器R1的调制频率选择字。
APOWER=
×100%(4)
式中:APOWER为电压采样值;
A为SA828寄存器R2的调制波幅值选择字。
控制寄存器的程序为
MOV A,32H;频率相对地址
MOV DPTR,#0700H;频率低位首地址
MOVC A,@A+DPTR;频率低8位数据
MOV DPTR,#0FD00H
MOVX @DPTR,A;置SA828R0数据
MOV A,32H;频率相对地址
MOV DPTR,#0800H;频率高位首地址
MOVC A,@A+DPTR;频率高8位数据
MOV DPTR,#0FD01H
MOVX @DPTR,A;置SA828R1数据
MOV A,30H;电压相对地址
MOV DPTR,#0600H;电压首地址
MOVC A,@A+DPTR;电压数据
MOV DPTR,#0FD02H
MOVX @DPTR,A;置SA828R2数据
MOV DPTR,#0FD03H
MOVX @DPTR,A;送控制字R3
3 实验结果
根据上述设计方法制作4kW实验样机1台。其中直流滤波电感为6mH,为了提高产品的可靠性,逆变模块采用富士6单元IPM6MBP50RA120,输出逆变滤波电感为800μH,电容为20μF,输出变压器变比为250/200。输出波形如图6所示,纵坐标50.0V/格;横坐标500.0μs/格。具体指标如下:
输入三相 380(1±10%)V50Hz
输出三相 115(1±10%)V(400±30)Hz
输出容量4kW,过载120%,立即保护
电压稳定度≤1%
三相电压平衡度≤1%
频率精度≤1‰
三相相位差(120±2)°
THD≤2.5%

图6 115V/400Hz输出波形
4 结语
用SA828生成SPWM信号,程序简单,波形一致性好,采用全桥电路,无需附加偏磁电路,与智能模块IPM相配合,是制作电机控制和小功率正弦波逆变器的理想选择芯片。
查看评论 回复









