农村配电网的防雷保护和过电压保护 - 模拟电源 -
运行经验表明:配电网的雷害事故约占整个电力系统全部雷害事故的70%~80%。因此,必须加强配电网的防雷保护工作,才能保证供电的安全,提高供电的可靠性。
1 配电设备的防雷保护
在高压配电线路上,装有许多分散的配电设备,如配电变压器为防止雷击事故,均要装设必要的防雷保护装置。
1.1 配电变压器的防雷保护措施。
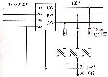
配电变压器按现行规范采用阀型避雷器来保护,具体接线示意如图2。

图2 变压器防雷保护接线图
阀型避雷器要求越靠近变压器安装,保护效果越好,一般要求装在高压跌落保险器的内侧。必须使避雷器的残压小于配电变压器的耐压,才能有效地对变压器起到保护作用。
其接地线应和配电变压器的金属外壳和低压侧中性点连在一起共同接地。当变压器容量在100kV.A及以上时,接地电阻应尽可能降低到4Ω以下;当变压器容量小于100kV.A时,接地电阻达到10Ω及以下即可。在三点连在一起接地时,高压侧落雷避雷器放电时,变压器绝缘上所承受的即是阀型避雷器的残压,而接地装置上的电压降并没有作用在变压器的绝缘上,这样对变压器保护是很有利的,能减少高、低压绕组间和高压绕组对变压器外壳之间发生绝缘击穿的危险。为防止变压器低压侧中性点电位瞬间升高对用户安全的影响,可以在靠近用户的地方加装辅助的接地线(重复接地)。
2.2 高海拔地区,雷电多半在半山坡活动,有时比电力线路还低,运行中往往由于低压侧落雷或反变换波的影响,容易造成Y,yn0配电变压器的绝缘击穿事故,所以农村山区的配电变压器在设计中和安装施工中,要求在配电变压器低压出线侧安装一组击穿保险器或低压避雷器,用来保护变压器的次级绕组,还能保护当过电压波及低压绕组传递到高压绕组时,不致使高压绕组绝缘损坏。在运行中的变压器有时遭到雷击后,变压器匝间绝缘击穿只是局部的损坏,但还能勉强运行,过一段时间后,故障扩大,被迫停运。这就是在雷雨时将变压器绝缘击穿,而在良好天气中故障扩大后导致的事故,往往容易给人造成错觉,认为并非由于雷击损坏。
2 配电线路的过电压保护
电压在3~10kV的架空配电线路遭受雷击后,往往造成绝缘子击穿和导线烧断事故,尤其是钢筋混凝土杆铁横担的线路最为突出,所以必须在绝缘薄弱点增加必要的防雷保护设备。个别特别高的杆塔、铁横担、带有拉线的部分杆塔和终端杆等绝缘薄弱点,应装设阀型避雷器或管型避雷器进行保护。对于两条线路相交叉时,其上下导线间的垂直距离最小允许值应符合有关规程中规定的数值。一般10kV配电线路相互交叉和与较低电压线路、通讯线、闭路电视线交叉并在导线温度为40℃时,交叉距离不得小于2m;如果上下距离较小,空气间隙可能被雷电所击穿,使两条相互交叉的线路同时发生故障跳闸,并将引起线路继电保护的非选择性动作,从而可能扩大为系统事故。配合式保护间隙示意如图1。
图1 保护间隙示意图
图1所示接地装置其接地电阻值一般不得超过线路接地电阻(20Ω)的数值。如交叉跨越处上下距离大于4m时,就不大可能发生事故,就不必加装配合式保护间隙。
3 施工及安装中应注意的问题
3.1 农网规化设计、安装都要考虑配电设备防雷击事故。
3.2 多雷区应加装低压击穿保险器或低压阀型避雷器。
3.3 接地装置的防锈问题,应引起注意,几乎所有的钢筋接地引下线都有不同程度地生锈,可能引起断裂,应涂上黑色油漆防锈。
3.4 接地装置接地电阻的测量应符合标准。
3.5 高电阻率地区应采取化学降阻法或其他方法。
查看评论 回复









