您现在的位置: 主页 > 电源 > 电源技术 > 低纹波高压直流电源主电路 - 模拟电源 -
本文所属标签:
为本文创立个标签吧:

低纹波高压直流电源主电路 - 模拟电源 -

来源: 网络用户发布,如有版权联系网管删除 2018-09-24 

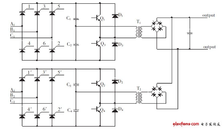
低纹波高压直流电源主电路含有两套完全相同的半桥逆变电路,逆变开关元件选用IGBT.每一路均采用独立的三相全控整流桥供电,逆变电路采用PWM 方式,工作频率远高于谐振频率, 逆变后的电压波形为方波。 电路的功率调节通过控制全控整流桥的移相角来实现。

低纹波高压直流电源主电路


              查看评论 回复



嵌入式交流网主页 > 电源 > 电源技术 > 低纹波高压直流电源主电路 - 模拟电源 -
 

"低纹波高压直流电源主电路 - 模拟电源 -"的相关文章

网站地图

围观()