交错运行变换器及变结构控制均流技术 - 模拟电源 -
摘要:变结构控制以其良好的控制性能在非线性系统中得到了越来越广泛的应用,对交错运行变换器以及滑模变结构控制在均流方面的应用现状做了概括性的研究,主要包括滑模面的类型、优缺点、相应的实现方法、存在的问题及常用的解决方案,以及变结构控制的发展趋势。
关键词:交错运行变换器;变结构控制;滑模面;均流
1 引言
近年来随着大功率电源系统的广泛应用,并联技术也得到了快速的发展。并联技术能使变换器在各单元中进行合理的热损耗分配,提高单元的可靠性,提高功率密度,减少成本;为变换器的维修和维护带来方便,提高系统容错性和运行可靠性。但是,并联运行变换器的总电流纹波比较大。解决这个问题的一种有效方法就是多个并联单元采用交错运行模式。交错运行技术是并联运行技术的一种改进,是指各单元的工作信号频率一致,相角互相错开。采用交错运行,还可以降低变换器的电磁干扰。但是由于各个单元元器件本身参数、元器件寄生参数以及元器件在环境变化时的参数不会完全一致等原因使得均流成为交错运行变换器的一个重要的问题。目前均流控制的方法有很多种,本文所阐述的滑模变结构控制可以在交错运行变换器中起到较好的均流效果。并且随着交错技术的发展,滑模变结构控制也必将得到更好的控制效果。
2 交错运行技术简介
随着大功率负载需求和分布式电源系统的发展,开关电源并联技术的重要性日益增加。并联系统中,每个变换器单元只分担系统总电流的一部分,仅处理较小功率,降低了开关管的应力;还可以应用冗余技术,提高系统可靠性。但由于其控制信号是同步的,所以总的电流纹波是各单元电流纹波同步叠加,这使得变换器总的输入输出电流纹波很大,给输入输出滤波器的设计带来了麻烦。
交错运行技术与并联运行技术在应用范围和主电路结构上基本是一致的,只是并联运行技术的控制信号是同步的,而交错运行的控制信号是交错的。所谓交错是指并联各单元的工作信号频率一致,而相角相互错开一定的角度φ。φ和变换器的并联单元个数n有关系,一般φ=2π/n。所以此类技术应用于开关变换器中,设计重点就是控制电路的实现,不仅要实现均流控制,还要使并联单元控制信号相角相差?,使纹波达到最小值。交错运行变换器不但具有并联运行变换器的优点,还能克服它的缺点,具有自身独特的优势,能够减小输入输出纹波,如图1所示。图1(a)为boost并联变换器,图1(b)为其并联运行输入电流仿真波形,图1(c)为其交错运行输入电流仿真波形。频率f=50kHz,占空比D=0.5,相角差φ=π。
(a)两单元并联boost变换器

(b)并联运行单元电流(下)和总电流(上)

(c)交错运行单元电流(下)和总电流(上)
图1 并联与交错运行boost变换器
由图1可以看出,并联运行变换器由于控制信号是同步的,两个并联单元电流相同,使得叠加后总的电流纹波大大增加。而采用交错技术后,由于两并联单元控制信号之间有一个相角差值,使得叠加后的电流纹波大大减小。此外,交错技术的另一个关键问题是均流。由于实际电路中各个并联单元的元器件参数不可能完全一致,导致并联单元之间的电流会有差异,这就使得并联的开关变换器模块之间需要采用均流措施,它是实现大功率电源系统的关键。用以保证模块间电流应力和热应力的均匀分配,防止一台或多台模块运行在电流极限状态。因为并联运行的各个模块特性并不一致,外特性好的模块,可能承担更多的电流,甚至过载,从而使某些外特性较差的模块运行于轻载,甚至基本上是空载运行。其结果必然是分担电流多的模块,热应力大,降低了可靠性。
目前,开关电源并联系统中有几种常用的均流方法。从控制的原理上可分为:输出阻抗法(下垂法),主从设置法[1][2],按平均电流值自动均流法,最大电流法自动均流以及在此基础上开发的“均流控制器集成电路UC3907”,热应力自动均流法和外加均流控制器均流法[3];从控制的具体实现方法上,有电压滞环控制法[4],V2控制[5],滑模变结构控制[6][7][8][9],鲁棒误差控制[10],单周期控制均流法[11]等。
3 滑模变结构控制简介
变结构控制是上世纪50年代在前苏联发展起来的一种非线性控制方法,起源于继电控制和bang-bang控制,它与常规控制的根本区别在于控制的不连续性。此方法一般应用于变结构系统,包括非线性系统、多输入多输出系统、离散系统、随机系统等。
目前,变结构系统较权威的定义可阐述如下。
设非线性控制系统
x=f(x,u,t)(1)
x∈Rn,u∈Rm,t∈R
变结构控制的目的就是确定切换函数向量S(x),S∈Rm,(其维数一般和控制u的维数相等),并寻求控制规律
ui(x)=
(2)
使得系统的相轨迹从任意初始状态出发,都能在有限时间内达到切换面Si(x)(此过程称为趋近运动),之后就被约束在Si(x)=0的子空间中作小幅度、高频率的上下运动(此过程称为滑模运动),直至到达系统的稳定平衡点,以二阶系统为例,其运动过程可从图2所示相轨迹图看出。
图2 二阶系统相轨迹图
由此可见,在此控制作用下,系统的运动状态只取决于切换面的参数和控制规律,而和系统本身的参数摄动和外界扰动无关,这一特点称为不变性,或完全鲁棒性和理想鲁棒性。这是变结构控制一个最显著的优点。同时还可以看出,变结构控制实际上是靠良好的滑动模态来实现其控制目的,所以变结构控制也常称为滑模变结构控制。
可见,要设计一个滑模变结构控制,要遵循两个步骤:
1)选择合理的切换函数S(x),以保证系统的稳定性;
2)选择相应的控制律u±(x),以满足到达条件。
一个设计合理的滑模变结构控制系统既能保持系统的稳定性,又具有快速响应性,而且对参数变化不敏感,不受外部扰动的影响,这些特征非常适合于各种类型的开关变换器。
4 变结构控制均流技术
传统的线性PID控制对系统参数的变化很敏感。此控制仅仅在一个动作点是可调的,当负载参数发生变化时,PID控制会受到影响。也就是说,对于不同的负载,控制器都要返回一次进行调节。虽然引入自适应控制可以使控制优化,但这样会使得控制器变得很复杂。
非线性滑模变结构控制具有对系统本身的参数摄动和外界扰动的不变性,同时由于交错运行中的均流问题就是要解决参数变化时对并联单元电流造成的影响,所以把变结构技术引入均流控制,是一种非常理想的选择。此控制可以提高系统的动态特性,具有良好的不变性和鲁棒性。交错运行的变换器中应用滑模变结构控制,可以得到良好的启动特性,负载调整特性和闭环动态响应特性。其缺点是滑模控制的频率是变化的,依赖于滑模面的参数。此外由于滑模运动的过程其实是滑模面S高频率的上下运动,所以理想的滑模运动系统应工作在无限频率状态,但实际的开关系统中,由于器件本身的限制,开关频率不可能无限高,所以要采取一定的降低频率的措施[12]。常用的方法是采取滞后法,实现电路上就是设计一个滞回比较器,设计其上下门限的宽度,就可以降低开关频率,此门限宽度在一定程度上决定着开关频率。
实际应用中,可以根据不同的要求设计适当的滑模面,使系统实现均流、稳压双重目的,目前常用的滑模面形式主要有3种。
1) S=iA-iB
相应的控制率为 u=
(3)
此控制率能够保证滑模面的到达性和滑模运动的存在性。其优点是电路简单,反馈环节中无外部参考信号,可以把此电路看成是一个自激调节器。直接采样两个电流进行比较,控制及时,这样就迫使两个单元的电感电流相等,并且能够保证线性和稳定的电路动态特性。其控制原理图如图3所示。
图3 滑模变结构控制原理图
本滑模面应用于并联boost变换器,其电路图如图1(a)所示,交错运行仿真波形如图4所示(f=50kHz,D=0.5,φ=π)。从图中可以看出,采用滑模变结构进行交错控制后,单元电流不仅得到均流,总的电流纹波也大大减小,接近于0。
图4 变结构控制交错运行单元电流和总电流
2) Sj=k1ΔVdτ+k2
ΔiLjdτ-iLj
(j=1,2,…n)。
式中:
ΔV=Vref-V0; ΔiLj=
-ΔiLj
相应的控制率为 u=
(4)
此处ΔiLj可以保证各个并联单元的电流相等,达到均流效果。ΔV的积分项可以提供输出电压调整,可以看到所有的滑模面中都有此项,所以每个单元都能完成电压调整的功能,因此系统具有较高的稳定性。由此可以看出,此种滑模面不仅可以实现电流均流,还会实现良好的电压调整。单元滑模面产生的原理图如图5所示。
图5 单元滑模面产生原理图
显而易见,滑模面的个数和并联单元的个数一致,这种控制电路比前一种会稍复杂些,但系统稳定性提高。并且当变换器并联单元的个数n发生改变时(n≤3),使用此滑模面时控制信号依然能自动交错。此外,各个单元互不影响,一个单元发生故障不会导致整个系统的崩溃。
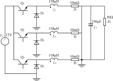
此滑模面应用于并联buck变换器中,其电路图及交错运行仿真波形如图6所示。
(a)三单元并联buck变换器

(b)交错运行总电流和单元电流
图6 交错运行buck变换器
可以看出,采取此滑模面控制,不仅可以得到很好的均流效果,还可以使各单元控制信号之间自动产生一个120°的相角差,从而大大地减小了输入电流纹波。
3)S=ev+αev+βj·eij
式中:ev=Vo-Vref
eij=![]()
j=1,2,…n;
n为并联单元个数;
βj>0,常系数。
相应的控制率为 u=
(5)
微分控制能反映输入信号的变化趋势,产生有效的早期修正信号,以增加系统的阻尼程度,从而改善系统的稳定性,有助于系统动态性能的改善。此处ev为输出电压误差的微分,此滑模面形式可以使输出电压对于输入扰动和负载变化有很好的鲁棒性。同时第三项可以保证各个单元良好均流。图7为单元滑模面产生原理图。
图7 单元滑模面产生原理图
5 结语
滑模变结构控制是一种优越的开关反馈控制系统,而并联开关变换器实质上也是一种开关控制系统。因而,在并联开关变换器中应用该控制方法是一种很自然的选择。变结构控制技术应用于并联变换器中,不仅能得到良好的均流效果,而且也能得到稳定的输出电压。本文对此类变换器中变结构控制的应用现状做了较为详尽全面的阐述,可以根据不同的电路需要,采取不同的滑模面进行控制。
变结构控制具有对外界扰动和自身参数摄动的强鲁棒性,并且硬件电路实现简单。这一显著的优点,必将进一步推动并联变换器变结构控制的飞速发展。随着变结构控制理论的发展,以及对并联开关变换器变结构控制中现存问题的研究和克服,变结构控制技术将会更加完善,实用性更强,适用范围更广。现代控制技术例如模糊控制,神经网络控制,自适应控制技术等和变结构控制技术的结合将是它的一个发展方向。
查看评论 回复









