IPC-7351 LP软件使用指南 -
[导读]1.软件组成IPC-7351 LP软件是PCB Matrix公司基于IPC-7351标准的 PCB设计库的自动化生成EDA工具,包括LP浏览器、LP计算器、LP库、LP自动生成器。LP浏览器可以快速浏览上千的电子元器件,快速查询找到一个匹配的元器件
1.软件组成
本文引用地址: http://www.21ic.com/app/eda/201207/134174.htm
IPC-7351 LP软件是PCB Matrix公司基于IPC-7351标准的 PCB设计库的自动化生成EDA工具,包括LP浏览器、LP计算器、LP库、LP自动生成器。
LP浏览器可以快速浏览上千的电子元器件,快速查询找到一个匹配的元器件信息。LP浏览器实现了元器件名称、型号规格、尺寸、图形、图形名字以及和元器件制造商等详细信息,并可在互联网环境下实现网站的连接。
LP计算器从其他元器件数据可直接计算几何图形,可以很容易地在图形浏览器中检查器件和图形尺寸。
LP 库有完整的浏览器和计算器功能,加上允许你保存、备份和参考元器件数据来消除冗余的工作,可以与其他使用免费的LP浏览器或其他IPC-7351 LP的的人分享已保存数据。
LP 自动生成器拥有全面的LP浏览器、计算器和库功能。能实现计算和建立元件。输出选项可以创建适用于Expedition 、Protel、Cadence Allegro、Mentor Board Station、Altium Designer、OrCAD PCB Editor、 OrCAD Layout、 PADS Layout、CADSTAR, CR5000、Pantheon、 PADS、 PADS ASII、 PCAD和更多的电路设计软件EDA的PCB封装库文件。LP自动生成器能按照IPC-7351和IPC-7351A标准提供稳健的库文档和IPC-7351A LP浏览器。在工程师输入的数据后可以通过机构使用IPC-7351A浏览器按照项目管理与授权与其他工程师共享,能满足对库文档长期更新扩展的需求并提供良好的兼容性,能够实现批量修改,包括焊盘尺寸,丝印层中的外形尺寸等参数,能自定义设计规则,能实现批量输出符合要求的、可在EDA软件里直接调用的封装库文件。
2.原理和特点
使用IPC-7351 LP计算器可以有效地节约建库时间,该焊盘图形计算器是基于IPC-7351A SMT焊盘图形标准,允许设计自己的焊盘图形,并且与免费库文档实现无缝兼容。
高级功能包括:
(1)器件图形与焊盘图形并列
(2)为制造和插装过程设置补偿变量
(3)根据操作环境或者用户自定义目标设计焊盘toe、heel、side。
(4)焊接分析计算
(5)对重叠焊盘进行DRC保护
(6)焊盘图形自动命名
IPC-7351 LP计算器允许改变生产误差来决定焊盘尺寸、布局外框误差、焊盘宽度分辨率、器件误差、焊盘图形名称以及焊接分析。也可以直接使用IPC缺省设置来保存库文档。
IPC-7351 LP计算器是改变建库方式的库维护工具,可以快速地定位、浏览、创建、确认库文件。
3.软件使用
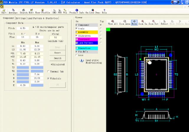
(1)SMD器件计算器
点击软件“SMD计算器”图标,进入SMD器件图形焊盘计算模式,在该模式下,列出了所有IPC-7351标准的SMD器件图形焊盘。
在实际制造器件的焊盘图形时,只要根据器件的实际类型进行选择就可以了。例如如果要制作一个QFP器件的焊盘图形,选择QFP就进入焊盘图形计算器。

首先根据器件的安装环境,设置环境变量,例如Toe、Heel、Side等参数。也可以选择IPC-7351标准中默认的Most、Nominal、Least等三种安装环境变量。
然后根据器件手册上的器件数据,例如Pin间距、Pin数、器件体尺寸、厚度、Pin跨距等参数,填入到相应的项目中,就可以自动得出器件的焊盘图形,并且该焊盘图形符合IPC-7351规范要求,这就保证的焊盘图形的完全正确,以及可以提高后续焊接的可靠性。同时焊盘图形还根据IPC-7351A规范自动命名。
然后使用向导,就可以导出不同软件工具格式的库文件了,并且自动根据软件工具的类型添加相应的焊盘图形层数。
下面图示为制作BGA焊盘图形的示例:
下图为BGA的器件资料。

下图为完成的BGA焊盘图形,完成只需要1分钟时间,并且保证正确。
(2)PTH计算器
点击软件“PTH计算器”图标,就进入PTH计算器模式,在该模式下可以自动计算通孔器件通孔焊盘尺寸。
在这里只要提供器件引脚的形状和尺寸,以及器件的安装环境,就可以自动得出通孔的尺寸,包括完成孔径、焊盘尺寸、阻焊尺寸、隔离焊盘、热焊盘尺寸等,并且自动命名。
4、结束语
综上所述, 使用IPC-7351 LP软件可以快速、准确地设计出焊盘图形,焊盘图形符合IPC-7351标准,其命名符合IPC-7351A标准。并且可以导出所有EDA软件工具的格式。
查看评论 回复









