基于数字电位器的直流偏置技术[图] -
[导读]
直流偏置源为电子有源器件或系统提供一定的偏置电压,可广泛用于军事系统及民用产品以及特殊行业,如石油化工、航空航天等工业设计中。直流偏置技术的实现方法较多。本文根据直流偏置源应用的实际环境和要求,采用工控机通过CAN通信与微控制器进行实时数据传输,微控制器又通过SPI串行通信控制数字电位器组合电路的方法实现偏置电压的输出。此方法噪声低、步进调节灵活、精准度高,在实际应用中工作可靠、稳定,符合工作指标及要求。
1 电子系统中噪声的定义
本文引用地址: http://www.21ic.com/app/eda/201807/798027.htm
噪声作为影响高精度电子设备性能的主要因素,越来越受到关注。器件噪声的大小直接影响着电子器件质量、可靠性及灵敏度,同时也影响着其应用中电路或系统的整体性能和指标。噪声可以被定义为干扰电子信号传输或通信以及影响另一个信号测量的非正常有害信号。
现代社会各种信号广泛覆盖,使得电路之间的信号干扰愈加频繁,电磁兼容性(EMC)已经成为在设计电路伊始需要重点注意的问题。一般考虑在噪声源头采用屏蔽及限制脉冲上升时间,在接收端限制必要带宽信号、采用选频滤波器及电源去耦设计,在信号传输过程中消除噪声耦合等方法以减少正常信号与噪声之间的干扰和串扰。
2 直流偏置源的性能指标和设计原则
在一般的电源设计电路中,不仅需要考虑电源输出电压的精度,还要考虑输出电流的驱动能力。同时还要采用一定的滤波网络、磁珠隔离等方法进行滤波,整体考虑电源及选用器件的噪声指标,选取合适且噪声低的器件是保证电路整体低噪声的重要手段。
2.1 偏置源的主要性能指标
直流偏置源的设计需要考虑整体噪声指标和输出电压的精度以及电流的驱动能力。综合相关文献,并结合偏置源实际应用的系统要求,提出了以下关于直流偏置源的一些技术指标。
(1)输出电压范围为0~5V。
(2)输出调节方式为可编程步进调节,步长2mV。
(3)输出电流为≥20mA。
2.2 设计遵循的几个原理
(1)由于器件容易受到外部信号和噪声的干扰,所以需要采用一定的屏蔽措施。如偏置部分采用屏蔽盒安装,系统信号连接线采用屏蔽线连接,这样可有效阻止外部电磁辐射对系统的干扰。
(2)由于工业供电和市电等均为交流电,会从外部带入不必要的干扰谐波,直接影响系统的噪声指标量级。在市电供电的环境下,对模拟部分的干扰更为明显。签于以上情况,电路的模拟部分均采用纯净锂电池供电的方式以降低电路噪声。
(3)为保证被测器件参数的精准性,设置了偏置电压回采监测,直流偏置按照低噪声目标进行设计和实现。
(4)模块之间的隔离。一般电路设计中,由于数字部分对模拟部分噪声干扰较大,须将从数字部分传输到模拟部分的信号进行光耦隔离,以防止数字部分的干扰串入模拟部分。同时各组件内数字地和模拟地用磁珠连接,各组件之间单点共地后接入大地。
(5)工控机部分采用CAN通信和微控制器实现数据传输,微控制器采用SPI通信和数字电位器实现数据传输。
基于以上设计原则,直流偏置电路的总体结构如图1所示。

3 直流偏置源的硬件设计与实现
考虑到偏置源应用的实际环境和指标要求,选用特定的器件来完成电路硬件设计。
3.1 微控制器模块的选择
C8051F系列单片机是美国Cygnal公司设计制造的混合信号片上系统单片机,共主要模块包括模拟外设、片内JTAG调试和边界扫描、高速控制器内核、数字外设等。
C8051F04x系列器件是真正能独立工作的片上系统(Soc),此系列器件具有以下基本功能:
(1)C8051F04x系列利用CIP-51的内核,与标准8051内核完全兼容。
(2)C8051F04x系列的COP-51内核采用流水线结构,与标准8051结构相比,指令执行速度有较大提高。
(3)C8051F04x系列单片机在CIP-51内核的基础上增加了一些外设,因而提高了整体性能,使其更适合于实际应用。
(4)C8051F04x具有可编程I/O和交叉开关,同时还具有所需要的SPI和CAN通信。
基于以上C8051F04x所拥有的基本功能,此款微处理器完全能够满足直流偏置电路中MCU所需的数据收发通讯、电压回踩等要求。
3.2 电源模块的设计
3.2.1 锂电池电池组电路
直流偏置部分的锂电池供电+12V和-12V,电路如图2所示。

电源噪声不仅影响自身电路设备的正常工作,而且也使电源本身的可靠性显著降低。结合此次研发项目的实际情况,由于直流偏置部分对于噪声指标要求较高,所以采用可充电锂电池供电的方法来从源头上抑制外来噪声的影响。
3.2.2 基准电压源电路
基准电压源产生标准的+5V电压,利用数字电位器组合电路对其进行分压,以保证0~5V步进偏置电压的输出,基准电压源ADR445电路如图3所示。

首先在+12V输入端进行了LC滤波网络的设计,通过此网络的设计可有效降低噪声从源头上带入的影响。同时在ADR445芯片前的输入端采用10μF电容可以提高线路电压瞬态性能,而在ADR445芯片的输入和输出端使用0.1μF电容则可以使其稳定工作。ADR44x系列芯片具有一个TRIM引脚,该引脚允许用户可在一定范围内调整器件的输出电压。
3.2.3 线性电源电路
LT1962是一款低噪声、驱动能力强、静态电流低的线性电源。另外,LT1962芯片不需要二极管稳压保护,输入电压范围为1.8~20.0V,固定输出有1.5V,1.8V,2.5V,3V,3.3V和5V,可调节输出电压范围为1.22~20.00V。同时,LT1962还具有电压反接保护、过电流和高温保护等功能。
低噪声线性电源LT1962-5电路如图4所示。

在设计中根据实际需要,将LT1962的ADJ/SEN引脚通过电阻连接至OUT引脚和地,这样可以通过调节变阻器的阻值,在一定范围内调整芯片OUT输出端的电压大小。同时,将BYT引脚通过0.01μF的旁路电容连接至OUT引脚,这样可有效减小输出端的噪声。
3.3 光电隔离模块的设计
在一般的电路设计中,数字部分对模拟部分的干扰较为明显,不仅需要将数字地和模拟地在物理上隔离,还需要将从数字部分到模拟部分的信号传输进行物理隔离,这就需要光电耦合器电路。光电耦合器是目前在单片机和开关电源中用得最多的隔离抗干扰器件。基于EMC电磁干扰方面的考虑,选用光电耦合器TLP521-4隔离直流偏置电路中单片机数字部分与数字电位器模拟部分的电气连接。光电隔离模块TLP521-4是一款具有完整基极一发射极、性能优良的固定延时光电耦合器,它具有最优转换速度、高温性能等特点。光电耦合器TLP521-4电路如图5所示。

在TLP521-4输出端采用+5V的上拉电阻设计。这样可以有效地提高光电耦合器输出端的驱动能力。
3.4 精准偏置电压模块的设计
数字电位器是一种可用数字信号控制电位器滑动端开关位置而改变阻值的一类变阻器。数字电位器因为其使用寿命长,调节方便、准确、易操作、受环境因素影响小、噪声小以及性能稳定等特点,被广大电子工程技术人员所青睐。数字电位器具有记忆和非记忆性功能,选择具有记忆功能的数字电位器,可以将当前滑动端的调节位置保存在非易失性存储器中,再次上电后会自动恢复为上次滑动端的调节位置,这样可以消除再次调节而带来的手动误差;选择非记忆性功能的数字电位器,则在再次上电后系统自动复位。鉴于科研项目的相关要求,选择带有记忆性功能、噪声小、抗震动、尺寸小并且寿命长的数字电位器AD8403。
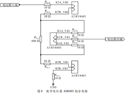
利用数字电位器AD8403组合电路分压+5V基准电压,以达到输出0~5V偏置电压的要求。数字电位器AD8403的应用电路如图6所示。

AD8403是美国AD公司生产的一种4通道,有256个分支点的数字电位器,也称数控可变电阻器。数字电位器实质上是一种特殊形式的数模转换器,但其模拟量输出不是电压和电流而是电阻或电阻比率,所以又称为RDAC。AD8403含有4个独立的RDAC,采用24引线SOIC封装。这两种器件均可在扩展工业温度范围-40~+85℃工作。每个独立的RDAC都有两个固定端A和B及一个滑动触点W。其中W距B端的位置由置入串行输入寄存器中的数码决定。固定端A与B之间的电阻一般分为3种类型:10kΩ,50kΩ和100kΩ。在这里根据实际需要选择AD8403A100,即100kΩ。
AD8403的滑动端W的位置是由经过其SPI口输入的串行数据决定的。当AD8403的引脚输入信号为低电平有效时,则表示此数字电位器被选中,在时钟脉冲的作用下将10位串行数据由AD8403的串行数据输入(SDI)引脚。这10位数据的格式为:A1、A0、D7、D6、D5、D4、D3、D2、D1。其中前两位为地址选择位,地址位A1A0=00,01,10,11分别对应RDAC1、RDAC2、RDAC3和RDAC4。后8位是数据位,用来调节滑动端W的位置。AD8403的SPI时序图如图7所示。

利用Matlab仿真,如图6所示的数字电位器组合电路,其仿真结果达到了预期目的。利用Matlab软件生成的三维图像,可直观地看出理论分析的输出结果。仿真三维图像如图8所示。

3.5 射随输出模块的设计
一般电路设计中,使用射随电路主要有两个目的:
(1)在输入级,有时一个信号要被分配到多个下级输入上,但前一级的输出能力有限,这时就可以使用射随电路。在保持信号电压不变的情况下增加输出电流,以达到驱动多个后级电路的目的。
(2)射随电路不仅可以提供高输入、低输出的阻抗,还可以起到缓冲作用,避免后级电路对前级电路的影响。
在直流偏置电路中,由于数字电位器AD8403的输出驱动电流较小,所以需要在后级电路中加入一个由运算放大器AD797组成的射随电路以增加偏置电压的驱动能力,具体的射随电路如图9所示。

4 结束语
以基于数字电位器直流偏置技术的实现展开工作。利用C8051F04x系列单片机具有的CAN通信和SPI通信功能,实现工控机与微控制器之间、微控制器与数字电位器之间的数据传输。采用单片机A/D转换功能,将偏置电压回采后输进微控制器,经过一定的算法处理,在需要重置电压的情况下,再次发送设定电压值到电平转换模块,以保证输出电压的高精度要求。射随电路的设计保证了偏置电压输出电流的驱动能力。直流偏置源应用的实际情况表明了偏置源工作可靠、稳定,符合低噪声、高精度、工作稳定、反应灵敏等要求,并具有推广和使用价值。
查看评论 回复









