感应电机SVPWM 控制系统的仿真研究 -
[导读] 1 引言 随着电力电子技术和微电子技术的发展,脉宽调制技术(PWM)和正弦脉宽调制技术(SPWM)在电机控制系统中已经得到越来越多的应用。使用SPWM 来控制电机系统,电路结构简单,成本较低,但系统性能不高,电压利
1 引言
本文引用地址: http://www.21ic.com/app/eda/200903/33689.htm
随着电力电子技术和微电子技术的发展,脉宽调制技术(PWM)和正弦脉宽调制技术(SPWM)在电机控制系统中已经得到越来越多的应用。使用SPWM 来控制电机系统,电路结构简单,成本较低,但系统性能不高,电压利用率不高,谐波成分较大。近年来电机的空间矢量理论被引入电机控制系统中,形成了空间矢量脉宽调制技术(SVPWM) ,其原理是就是利用逆变器各桥臂开关控制信号的不同组合,使逆变器的输出空间电压矢量的运行轨迹尽可能接近圆形。SVPWM 与常规的SPWM 相比,能明显减小逆变器输出电压的谐波成分,降低脉动转矩,而且有较高的电压利用率,更易于数字实现[1] ,因而在交流感应电机控制中,应用前景十分看好。
2 SVPWM 脉宽调制原理
2.1 八个电压空间矢量与扇区划分
空间矢量脉宽调制SVPWM 实际上对应于交流感应电机中的三相电压源逆变器的功率器件的一种特殊的开关触发顺序和脉宽大小的组合。在采用三相逆变器对异步电机供电时,根据逆变器的工作原理可以知道,逆变桥共有23 =8 种状态,若将逆变器的八种状态用电压空间矢量来表示,则形成8 个基本的电压空间矢量,其中6 个非零矢量,2 个零矢量,每两个电压矢量在空间相隔60o,如图1 所示[2] 。SVPWM 技术的目的是通过与基本的空间矢量对应的开关状态的组合得到一个给定的定子参考电压矢量。

2.2 SVPWM 的实现[3,4]
SVPWM 信号的实时调制需要定子参考电压矢量的二维静止坐标系α轴和β轴的分量uα. s 、uβ. s 以及PWM 周期Tpwm 作为输入,其产生框图如图2 所示。

图2 SVPWM 产生框图
2.2.1 相邻两矢量作用时间的确定
定义如下X、Y、Z 三个变量:
。
参考电压矢量位于被基本空间矢量所包含的扇区中时,矢量作用时间的相对值T1 和T2 可以用X,Y 或Z 表示,它们的对应关系如表1 所示。表1T1、T2 与X、Y、Z 的对应关系表
表1 T1、T2 与X、Y、Z 的对应关系表

对不同扇区的T1、T2,按表1 所示取值,还要对其进行饱和判断:如果T1+T2>Tpwm, 则T1= T1*Tpwm/(T1+ T2),T2= T2*Tpwm/(T1+ T2)。
2.2.2 判断定子参考电压矢量所在扇区
定义三个参考量Vref1 、Vref2 、Vref3 ,令Vref 1 =X;Vref 2 =.Z;Vref 3 =.Y 。
如果Vref1>0,则A=1,否则A=0;如果Vref2>0,则B=1,否则B =0;如果Vref3>0,则C=1,否则C =0。设N =A +2B +4C ,则N 与扇区数的对应关系如表2 所示。

2.2.3 确定比较器的切换点
定义:
经过上式计算就可得到SVPWM 的参考调制信号,最后根据扇区确定电压空间矢量切换点Tcm1、Tcm2、Tcm3,如表3 所示。
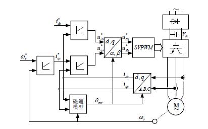
3 电流注入型感应电机矢量控制方案
3.1 电流注入型感应电机矢量控制系统
电流注入型矢量控制方案适用于中小功率、高开关频率的矢量控制系统。此时控制系统的定子参考电压完全可以由定子电流控制器提供,而无需考虑电机的定子电压方程。逆变器开关频率较高,而且电流控制器鲁棒性足够强,控制系统可以实现快速的定子电流控制,其实现方案如图3 所示。同时,这种控制技术采用空间矢量PWM 技术输出参考电压,所以它能获得很好的电流频谱。

图3 间接转子磁场定向电流注入型感应电机矢量控制方案
由于电机是星形接法,无零序电流分量,所以该控制系统只需要测量电机的两相电流,第三相电流可以通过方程iCs=-iAs-iBs 求出。此外,控制系统还需要测量电机的转速,用于实现转速闭环控制和计算转子磁链位置角。控制系统总共包含转速控制器、励磁电流控制器和转矩电流控制器等三个控制器,通常情况下,这三个控制器可以是PID 控制器[5]。
转子磁场定向坐标系下的磁通模型如下式所示,可以看出,电机的励磁电流分量imr 只与定子电流d 轴分量ids 有关,而不受定子电流q 轴分量iqs 的影响,说明在转子磁场定向坐标系下,感应电机的励磁电流分量和转矩电流分量是完全解耦的[5]。

查看评论 回复









