基于EWB文氏电桥振荡电路的仿真 -
[导读]随着计算机技术和电子技术的发展, 各种EDA 软件不断涌现出来, 逐渐进入到电子设计的各个领域。目前和电子电路相关的EDA 软件种类繁多, 一些EDA仿真软件在理论教学、实验及电路设计方面发挥了很好的作用, 成为不可
随着计算机技术和电子技术的发展, 各种EDA 软件不断涌现出来, 逐渐进入到电子设计的各个领域。目前和电子电路相关的EDA 软件种类繁多, 一些EDA仿真软件在理论教学、实验及电路设计方面发挥了很好的作用, 成为不可缺少的使用工具和开发手段。EWB仿真软件是常用的EDA 软件之一, 它常用于教学中。
本文引用地址: http://www.21ic.com/app/eda/201203/110151.htm
在教学中, 利用EWB 仿真软件, 可以建立起了一种类似于真实实验室工作台的虚拟平台, 逼真地模拟各种元器件和仪器仪表, 从而不需要任何真实的元器件和仪表, 就可以完成多种电路实验, 不仅可以作为现行的实验一种补充, 还可以作为复杂的电子系统的设计、仿真与验证的手段。
1 EWB 的特点
电子工作平台( Elect ronics WorkBench, EWB) 是Interact ive Imag e Technolog ies 公司在20 世纪90 年代初推出的EDA 软件, 是一种在电子技术界广为应用的虚拟电子工作台电路仿真软件, 被誉为"计算机里的电子实验室"。相对其他EDA 软件而言, 它是个小巧易用的软件, 其特点有:
( 1) 操作界面友好、直观, 从原理图的输入到电路的仿真测试都可以轻而易举地完成。
( 2) 提供了相当广泛的元器件库, 从无源器件到有源器件, 从模拟器件到数字器件, 从分立元件到集成电路应有尽有。
( 3) 虚拟电子仪表设备齐全, 包含万用表、示波器、信号发生器、扫频仪、逻辑分析仪、数字信号发生器、逻辑转换器等, 仪器的控制面板外形和操作方式与实物相似, 便于操作, 可以实时显示测量结果。
( 4) 提供多种分析功能, 包括直流分析、交流分析、瞬态分析、温度扫描、参数扫描、传递函数分析等, 利用这些分析功能, 用户不仅可以了解电路的工作状态, 还可以测量电路的稳定性和灵敏度。
2 仿真步骤
EWB 利用计算机强大的计算功能来完成对电路的仿真和分析, 使用者在电子工作台上创建了一个电路图后, 启动电子工作台的电源开关或选择了分析方法, 就可以从示波器等虚拟仪器( 或分析显示图) 看到仿真结果。
使用EWB 对电路进行设计和实验仿真的基本步骤是:
( 1) 用虚拟器件在工作区建立电路;
( 2) 选定元件的模式、参数值和标号;
( 3) 连接信号源等虚拟仪器, 设置测量仪器参数;
( 4) 选择分析功能和参数;
( 5) 激活电路进行仿真;
( 6) 保存电路图和仿真结果。
3 文氏电桥振荡器的仿真实例
下面以文氏电桥振荡器来说明电子电路的仿真:
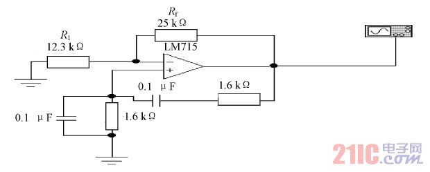
( 1) 建立文氏电桥振荡器的仿真电路。打开工作界面, 在工作区抓取元器件及设置参数, 连接示波器并设置参数, 连接电路。电路图如图1 所示。

图1 文氏电桥振荡器电路图
从图1 中可以看出, 电路满足起振的相位条件; 其中, R1 = 12. 3 k , R f= 25 k , 使得Au= ( 1+ Rf / R1 ) >3, 满足起振的振幅条件, 能够起振。
( 2) 观察文氏电桥振荡器的起振过程, 观察电路产生的正弦波, 读出周期, 计算振荡频率。
打开仿真开关, 双击示波器, 观察结果如图2 所示。

图2 文氏电桥振荡器的输出波形
从图2 中可以看出, 该正弦波几乎没有失真, 周期为1 ms, 由此可计算出频率为1 Hz。
( 3) 将Rf 的阻值由25 k 变为35 k , 观察文氏电桥振荡器的输出波形。打开Rf 的属性窗口, 使其值为35 k , 启动仿真开关, 观察结果如图3 所示。

图3 文氏电桥振荡器的输出波形失真
从图3 中看出, 输出波形明显失真, 这是因为放大倍数增大引起的, 并且观察结果起振时间明显缩短。
( 4) 将Rf 的阻值继续增大变为65 k , 观察文氏电桥振荡器的输出波形。打开Rf 的属性窗口, 使其值为65 k , 启动仿真开关, 观察结果如图4 所示。
从图4 中看出, 输出波形失真更为严重, 几乎变为方波。
由此可以很容易理解, 在文氏电桥振荡器的稳幅环节中, Rf 经常采用采用具有负温度系数的反馈电阻, 使起振时, Rf 阻值较大, 使得放大器的放大倍数较大易于起振; 而当振荡建立达到一定振荡幅度时, 放大倍数逐渐减小, 而是振荡幅度稳定, 以免产生失真; 但如果当放大倍数一直增大或过大时, 振荡电路输出波形变为方波。

图4 文氏电桥振荡器的输出波形严重失真
4 结语
用EWB 进行仿真电路实验, 它不需要任何真实的元器件和仪表, 各元器件参数修改方便, 可以完成多种电路实验, 弥补了硬件资源的不足, 实验过程非常接近实际操作的效果。
查看评论 回复









