您现在的位置: 主页 > 电子技术 > 数模电路应用 > 文氏桥低频信号发生器原理图-模拟电子-
本文所属标签:
为本文创立个标签吧:

文氏桥低频信号发生器原理图-模拟电子-

来源: 网络用户发布,如有版权联系网管删除 2020-05-05 

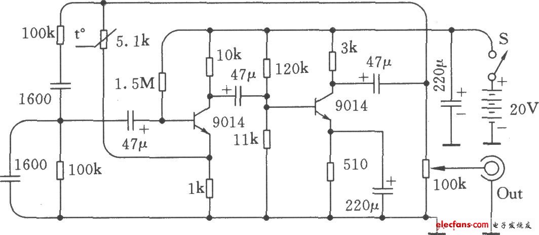
这里介绍的两个电路,性能都很好,适合自己动手制作。图中的两只100kΩ的电阻和两只1600pF的电容决定了RC串并联选频电路的振荡频率,计算公式为f=1÷(6.28×R×C)。图中RC电路选定的频率为l000Hz。有一点要留意,串并联网络里上下两只电阻和电容的数值必须相同。文氏桥低频信号发生器原理图:

 文氏桥低频信号发生器原理图



              查看评论 回复



嵌入式交流网主页 > 电子技术 > 数模电路应用 > 文氏桥低频信号发生器原理图-模拟电子-
 

"文氏桥低频信号发生器原理图-模拟电子-"的相关文章

网站地图

围观()