您现在的位置: 主页 > 电源 > 电源技术 > KJ004电路原理 - 模拟电源 -
本文所属标签:
为本文创立个标签吧:

KJ004电路原理 - 模拟电源 -

来源: 网络用户发布,如有版权联系网管删除 2018-09-24 

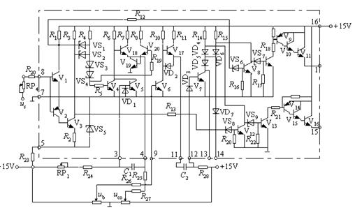
KJ004电路原理

集成触发器具有可靠性高,技术性能好,体积小,功耗低,调试方便等特点。晶闸管触发电路的集成化已逐渐普及,已逐步取代分立式电路。目前国内常用的有KJ系列和KC系列,下面以KJ系列为例。
KJ004集成触发器与分立元件的锯齿波移相触发电路相似,分为同步、锯齿波形成、移相、脉冲形成、脉冲分选及脉冲放大几个环节。如图2-45为KJ004电路原理。



              查看评论 回复



嵌入式交流网主页 > 电源 > 电源技术 > KJ004电路原理 - 模拟电源 -
 

网站地图

围观()