驱动半桥自举电路 - 模拟电源 -
来源: 网络用户发布,如有版权联系网管删除 2018-09-24
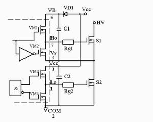
驱动半桥自举电路
自举元件设计
自举二极管(VD1)和电容(C1)是IR2110在PWM应用时需要严格挑选和设计的元器件,应根据一定的规则对其进行调整,使电路工作在最佳状态。
在工程应用中,取自举电容C1>2Qg/(VCC-10-1.5)。式中,Qg为IGBT门极提供的栅电荷。假定自举电容充电路径上有1.5V的压降(包括VD1的正向压降),则在器件开
通后,自举电容两端电压比器件充分导通所需要的电压(10V)要高。
同时,在选择自举电容大小时,应综合考虑悬浮驱动的最宽导通时间ton(max)和最窄导通时间ton(min)。导通时间既不能太大影响窄脉冲的驱动性能,也不能太小而影响宽脉冲的驱动要求。根据功率器件的工作频率、开关速度、门极特性对导通时间进行选择,估算后经调试而定。
VD1主要用于阻断直流干线上的高压,其承受的电流是栅极电荷与开关频率之积。为了减少电荷损失,应选择反向漏电流小的二极管。
查看评论 回复









