您现在的位置: 主页 > 电源 > 电源技术 > 推挽式变换器电路 - 模拟电源 -
本文所属标签:
为本文创立个标签吧:

推挽式变换器电路 - 模拟电源 -

来源: 网络用户发布,如有版权联系网管删除 2018-09-24 

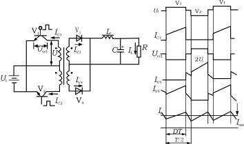
对图12所示推挽式变换器电路,它实际上是由两个单端正激变换器电路构成。所以,在开关晶体管截止时,每只开关管上承受的电压限制在2UI以内,利用输出功率、效率、最大占空比。

(a)原理图(b)波形图

图 推挽式变换器电路



              查看评论 回复



嵌入式交流网主页 > 电源 > 电源技术 > 推挽式变换器电路 - 模拟电源 -
 

"推挽式变换器电路 - 模拟电源 -"的相关文章

网站地图

围观()